
Cấu tạo và thông số kỹ thuật hệ thống treo trước, hệ thống treo sau trên xe ô tô
Cấu tạo hệ thống treo trước trên xe ô tô
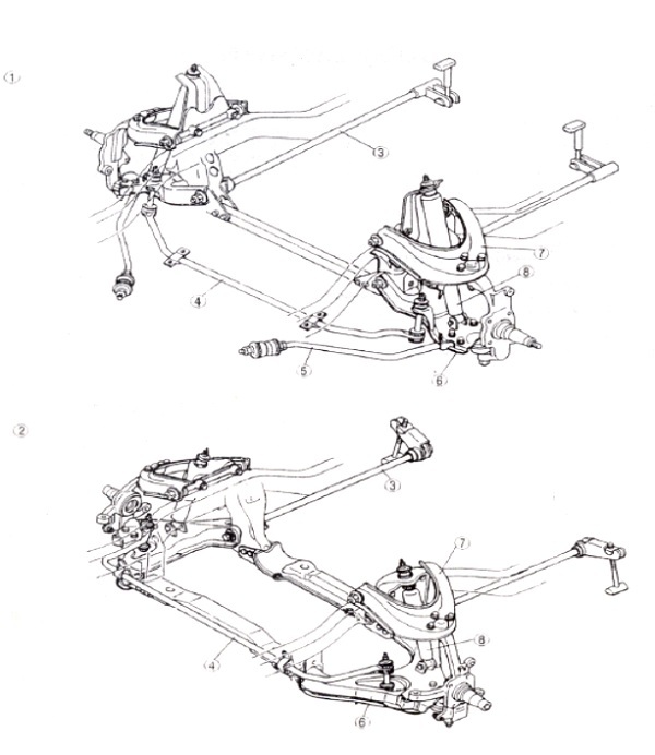
- Cơ cấu treo cầu trước “Double wishbone“ có những đòn dưới dạng “chữ I” và những thanh rằng, cơ cấu này dùng cho xe một cầu chủ động (4 X 2).
- Cơ cấu treo cầu trước “Double wishbone” có những đòn dưới dạng “chữ A“, cơ cấu này dùng cho đời xe hai cầu chủ động (4 X 4), đòn dưới dạng “chữ A” có kết cấu vững trắc và độ bền rầt cao.
- Thanh xoắn (Torsion bar spring) áp dụng cho cả hai loại xe: Hai cầu chủ động (4x4); Một cầu chủ động (4x2).
- Thanh xoắn (Torsion bar spring) được xoắn trước theo một chiều bởi vậy nó rất tiện lợi cho việc sử dụng nếu như trong lắp ráp, lắp đúng vị trí, nếu như lắp sai vị trí của thanh xoắn thì chỉ có tác dụng một chiều.
- Chữ R (bên phải) hoặc L(bên trái) đánh dấu ở đầu phía sau của tay đòn nhằm phân biệt đòn bên trái và đòn bên phải. Đòn bên trái, không thể lắp lẫn đòn xoắn bên trái cho đòn xoắn bên phải, không thể lắp đòn xoắn của loại xe một cầu chủ động 4x2 cho loại xe 2 cầu chủ động 4x4 và ngược lại.

A 4 X 2 5 Thanh giằng trước
B 4 X 4 6 Lower arm ( Đòn dưới )
3 Thanh xoắn 7 Uper arm ( Đòn trên )
4 Thanh cân bằng 8 Giảm sóc
Cấu tạo hệ thống treo sau trên xe ô tô
• Cơ cấu treo bằng nhíp vững trắc được dùng cho cầu sau.
• Để ngăn cản dao động của nhíp trong lúc tăng ga hoặc giảm ga nhanh, hai giảm sóc lắp cho cầu sau theo kiểu so le. Để tăng độ cứng vững, nhíp được lắp ghép với cầu sau bằng những bu lông quang nhíp cùng với một tấm đỡ lớn (lắp ghép theo dạng khung).
• Đời xe 4x4 (hai cầu chủ động) nhíp được lắp ghép ở phía trên cầu sau xem phần chỉ dẫn (1) để thay đổi điểm đặt của trọng tâm. Vì vậy mà những giảm sóc được lắp ghép với những giá đỡ (mà những giá đỡ này được hàn trực tiếp vào vỏ cầu sau).

1 4 X 4
2 Nhíp
3 Giảm sóc
Thông số kỹ thuật hệ thống treo trước, hệ thống treo sau trên xe ô tô
|
Hạng mục |
4 x2 |
4 x4 |
||
|
Cơ cấu treo cầu trước |
||||
|
Loại cơ cấu treo |
Double wishbone ( đòn kép ) |
|||
|
Loại lò so |
Thanh xoắn (Torsion bar spring ) |
|||
|
Thanh cân bằng |
Loại |
Thanh xoắn ( Torsion bar ) |
||
|
Đường kính mm |
27 28 (Gầm cao) |
28 |
||
|
Loại giảm sóc |
Hình trụ tác động kép |
|||
|
Front wheel alignment . Trong điều kiện không có tải |
Góc lái lớn nhất |
Trong |
33000’-37000’ 31030’-35030’ (Gầm cao) |
31030’-35030’ |
|
Ngoài |
30000’-35000’ 27000’-32000’ (Gầm cao |
27000’-32000’ |
||
|
Tổng độ chụm |
độ |
|
||
|
mm |
2 - 8 |
3 - 9 |
||
|
Camber angle |
0035’ ± 10 0044’ ± 10 (Gầm cao) |
0045’ ± 10 (Cabin kộp) |
||
|
Caster angle |
1054’ ± 10 (Cabin kộp) 2007’ ± 10 (Gầm cao) |
2007’ ± 10 (Cabin kộp) |
||
|
Steering axis |
8025’ 10037’ (Gầm cao) |
10035’ (Cabin kộp) |
||
|
Cơ cấu treo cầu sau |
||||
|
Loại cơ cấu treo |
Nhíp |
|||
|
Loại lò xo |
Lá nhíp |
|||
|
Loại giảm sóc |
Hình trụ tác động hai chiều |
|||
* Thùng nhiên liệu phải đổ đầy; Nước làm mát; dầu bôi trơn nằm trong vạch tiêu chuẩn; Lốp dự phòng;kích; đồ nghề phải đặt đúng vị trí trên xe.
Tin tức nổi bật
Sửa các lỗi màn hình ô tô
Đèn Báo Lỗi Động Cơ Sáng Trên Ô Tô - Lỗi nhiều chủ xe thường gặp phải
Nguyên nhân & cách xử lý: Ô tô bị ì, vòng tua cao nhưng tốc độ thấp
Sửa Xe Vios Điều Hòa Ô Tô Không Mát & Tiếng Rít Từ Động Cơ
Xử lý chảy dầu và đại tu hệ thống gầm xe ô tô
Nguyên nhân, dấu hiệu & cách khắc phục xe ô tô báo lỗi khí thải
Lỗi chống trơn trượt, cân bằng điện tử ESP
Dấu hiệu hỏng giảm xóc & cách sửa chữa, bảo dưỡng, thay thế
Xe vào số bị giật khi khởi động và sau khi đi ổn định
Tại sao cần vệ sinh họng nạp & van egr ? Hậu quả ? Phương pháp bắn trấu?
BẢNG GIÁ BÌNH ẮC QUY VARTA NĂM 2024
Báo giá sửa chữa xe công trình năm 2024
Sửa chữa điều hòa ô tô