
Điều chỉnh góc phun sớm
Bộ phận điều chỉnh góc phun sớm
Đế cho chu trình làm việc của động cơ diễn biến thuận tiện nhất, việc cháy nhiên liệu
cần diễn ra ở gần điểm chết trên. Tuy nhiên, thời kỳ bốc cháy muộn của nhiên liệu mặc
dù bị rút ngắn đi một ít khi tăng số vỏng quay, trong đó xảy ra sự nâng cao cường độ
xoáy lốc của không khí nhưng lại bị kéo đài theo góc quay của trục khuýu và sự cháy lại
trổ thành muộn hơn. Dể khắc phục hiện tượng này người ta sử dụng bộ phận (khóp) tự
động điều chỉnh góc phun sớm. Bộ phận này làm nâng cao tính kinh tế của động cơ ở các chế độ làm việc khác nhau. Đồng thời cải thiện được điều kiện khởi động của động cơ. Trong đa số các bơm thẳng hàng, người ta sử dụng bộ phận điều chính góc phun sớm kiểu ly tâm.
Các loại bộ phận điều chỉnh góc phun sớm
Bộ phận điều chỉnh góc phun sớm kiểu ly của Bosch

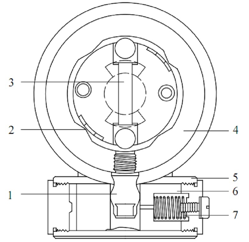
Hình 9.53. Bộ phận điều chỉnh góc phun sớm kiểu ly tâm.
a-Cấu tạo; b-Sơ đồ hoạt động;
1-Nửa khóp chủ động: 2-Lỏ xo; 3-Trục quả văng: 4-Quả văng: 5-Nứa khớp thụ động;
6-Vòng khít; 7,9-Vòng chắn dầu; 8-Thân; 10-Vít chìm; 11-Vỏng đệm điều chỉnh; Góc
quay giữa hai nửa khớp;
I-Vị trí ban đầu của quá văng: II-Vị trí quả văng khi tăng số
vỏng quay động cơ.
Kết cấu bộ phận điều chỉnh góc phun sớm kiểu ly của Bosch
Nửa khớp thụ động 5 được bắt vào bề mặt côn của đầu trước trục cam bơm cao áp nhờ
chốt then và đai ốc giữ. Nửa khớp chủ động 1 được đặt trên moayơ của khóp thụ động và có thế quay trên đó. Răng của nửa khóp chủ động lọt vào các rãnh của đĩa êchtôli ( và
khớp nối trục truyền động bơm, tức là liên kết nửa khóp chủ động qua các bánh răng phân phối với trục khuỷu động cơ.
Chuyển động quay từ nửa khóp chủ động truyền đến nửa khóp thụ động qua hai quả văng 4, các quả văng này quay trên hai trục 3, các trục này được ép vào nửa khóp thụ động 5 trong mặt phẳng thắng góc với trục quay của bộ phận tự động. Chốt của nửa khóp chủ động tì vào các phân lồi trên quả văng và bị ép vào quá văng nhờ lực ép của hai lò xo 2. Mỗi lò xo được đặt giữa trục và chốt và tì vào bể mặt trên trục và chốt. Lực lò xo có xu hướng giữ các quá văng tựa vào bạc của nửa khóp chủ động 1. Tất cả các cơ cấu của bộ phận tự động được đóng kín bằng thân 8, thân này được vặn vào bề mặt ngoải có ren của nửa khớp thụ động.
Nguyên lý làm việc bộ phận điều chỉnh góc phun sớm kiểu ly của Bosch
Khi bộ phận tự động quay dưới tác dụng của lực ly tâm, các quả văng 4 văng ra làm cho nửa khớp thụ động quay đối với khớp chủ động theo chiều chuyến động của trục cam bơm, đo đó làm tăng góc phun sớm nhiên liệu. Khi giảm số vỏng quay trục khuýu, các quả văng cụp lại. Lò xo quay nửa khóp thụ động cùng với trục bơm về phía chiều quay ngược lại so với nửa khớp chủ động. Do đó làm giảm góc phun sớm của nhiên liệu.
Bộ phận điều chỉnh góc phun sớm kiểu thủy cơ của CAV
Bộ phận này được sử dụng phố biến trong các bơm rôto của các hãng CAV, Roosa Master ... Bộ phận này gồm có: thân 5, đầu quá táo 1 vặn vảo trong vỏng cam 2, piston 3, lò xo 7 lắp trong piston 6.

Hình 9.54. Bộ điều chính góc phun sớm kiểu thủy cơ.
1-Đầu quả táo; 2-Cam; 3-Piston; 4-Vòng cam; 5-Thân bộ phận điều chỉnh; 6-Piston;
7-Lò xo.
Nhiên liệu với áp suất từ bơm chuyển đi vào bên trong một vít rỗng, vít này bắt bộ phận điều chỉnh tự động vào thân bơm. Nhiên liệu đi vào thân 5 tác dụng lên mặt phẳng của piston 6, làm xê dịch piston và cam nhở quả táo, lực này chống lại áp lực của lò xo. Khi áp suất bơm đẩy tăng dân lên (tùy theo số vòng quay của động cở) piston xê dịch trong xylanh, ép lò xo và đấy vòng cam về vị trí phun sớm nhất. Khi số vỏng quay của động cơ giảm, lò xo sẽ đẩy piston và vòng cam về vị trí phun muộn nhất.
Tin tức nổi bật
Chênh lệch giá vàng trong nước và thế giới 14/4/2026
Cách quy đổi giá vàng thế giới
Vàng miếng, vàng thỏi, vàng nguyên liệu là gì?
Giá vàng, bạc áp lực giảm do lo ngại lạm phát (theo kitco.com)
So sánh giá vàng Sjc, Doji, Pnj, Phú Quý hôm nay