
Hệ thống bôi trơn: Sơ đồ, Nguyên lý làm việc, các kiểu hệ thống bôi trơn
Hệ thống bôi trơn là gì ?
Hệ thống bôi trơn là tập hợp các chi tiết phụ tùng ô tô làm nhiệm vụ đưa dâu nhỏn đi đến để bôi trơn các bề mặt ma sát, lọc sạch những tạp chất cặn bã lẫn trong dầu nhờn. Hệ thống bôi trơn giúp tẩy rửa và làm mát các bề mặt ma sát.
Trong quá trình làm việc của động cơ, hệ thống bôi trơn phải làm việc ổn định, công suất dẫn động bơm dầu phải nhỏ.
Bôi trơn bằng vung té

Hinh 8.1. Sơ đồ nguyên lý bôi trơn bằng vung té dầu.
a) Bôi trơn vung té trong động cơ nằm ngang.
b) Bôi trơn vung té trong động cơ đứng.
e) Bôi trơn vung té có bơm dầu đơn giản.
1- Bánh lệch tâm; 2- Pittông bơm dầu; 3- Thân bơm; 4-Cácte; 5-Diểm tựa; 6- Máng dầu phụ; 7-Thanh truyền có thìa hắt dầu.
Dầu nhờn được chứa trong cacte(4),khi động cơ làm việc nhờ vảo thìa múc dâu lắp trên đầu to thanh truyền (7) múc hắt tung lên. Nếu múc dầu trong cacte bố trí cách xa thỉa múc thì hệ thống bôi trơn có dùng thêm bơm dầu kết cấu đơn giản để bơm dầu lên máng dầu phụ(6), sau đó dầu nhờn mới được hắt tung lên. Cứ mỗi vòng quay của trục khuýu thỉa hắt dầu múc dầu lên một lần. Các hạt dầu vung tế ra bên trong khoảng không gian của cacte sẽ rơi tự do xuống các mặt ma sát của ổ trục. Để đảm bảo cho các ổ trục không bị thiếu dầu,trên các vách ngăn bên trên ổ trục thưởng có các gân hứng dâu khi dẫu tung lên.
Uu điểm: Kết cấu của hệ thống bôi trổ rất đơn giản,để bố trí.
Nhược diểm: Phương án bôi trơn này rất lạc hậu, không đấm bảo lưu lượng dầu bôi trơn
của ổ trục, tuổi thọ dầu giảm nhanh, cưởng độ dầu bôi trơn không ổn định nên ít dùng.
Phạm vì sử dụng:
Hiện nay,phương án này chỉ còn tổn tại trong những động cơ kiểu cũ,công suất nhỏ và tốc độ thấp: Thưởng dùng trong động cơ một xilanh kiểu xilanh nằm ngang có kết cấu đơn giản như T62,W1105...hoặc một trong vài loại động cơ một xilanh,kiểu đứng kết hợp bôi trơn vung té dầu với bôi trơn bằng cách nhỏ dầu tự động như động cơ Becna,Slavia kiểu cũ...
Bôi trơn cưỡng bức
Trong các động cơ đốt trong hiện nay, gần như tất cả đều dùng phương án bôi trơn cưỡng bức, dầu nhờn trong hệ thống bôi trơn từ nơi chứa dầu, được bơm dầu đẩy đến các bể mặt ma sát dưới một áp suất nhất định cần thiết, gần như đảm bảo tốt tất cả các yêu cầu về bôi trơn, làm mát và tẩy rửa các bề mặt ma sát ổ trục của hệ thống bôi trơn.
Hệ thống bôi trơn cưỡng bức của động cơ nói chung bao gồm các thiết bị cơ bản sau:
Thùng chứa dầu hoặc cácte, bơm dầu, bầu lọc thô, bầu lọc tỉnh, két làm mát dầu nhờn, các đường ống dẫn dầu, đồng hồ báo áp suất và đồng hồ báo nhiệt độ của dầu nhờn, ngoài ra còn có các van. Tùy theo vị trí chứa dầu nhờn,người ta phân hệ thống bôi trơn cưỡng bức thành hai loại: Hệ thống bôi trơn cácte ướt (dầu chứa trong cácte) và hệ thống bôi trơn cácte khô (dầu chứa trong thùng dầu bên ngoài cácte).
Căn cứ vào hình thức lọc, hệ thống bôi trơn cưỡng bức lại phân thành hai loại: Hệ
thống bôi trơn dùng lọc thấm và hệ thống bôi trơn dùng lọc ly tâm (toàn phần và không toàn phần)...Ta lần lượt khảo sát từng loại như sau:
Sơ đồ nguyên lý làm việc của hệ thống bôi trơn cácte ướt

Hinh 8.2. Sơ đồ nguyên lý làm việc của hệ thống bôi trơn cácte ướt.
1- Phao hút dầu; 2- Bơm dầu nhờn; 3- Lọc thô; 4- Trục khuýu;
5- Đường đầu lên chốt khuỷu; 6- Đường dâu chính; 7- Ô trục cam;
8- Đường dầu lên chết pittông; 9- lỗ phun dầu; 10- Bầu lọc tỉnh;
11- Két làm mát dầu; 12- Thước thăm dầu; 13- Đưởng dẫn dâu.
a- Van an toàn của bơm dâu; b- Van an toàn của lọc thô;
e- Van khống chế dầu qua két làm mát; T- Đồng hồ nhiệt độ dầu nhờn;
M-Đồng hồ áp suất.
Dầu nhờn chứa trong cácte được bơm dâu 2 hút qua phao hút dầu 1(vị trí phao hút nằm lơ lửng ở mặt thoáng của dầu để hút được dầu sạch và không cho lọt bọt khí),sau đó dầu đi qua lọc thô 3,khi đi qua bầu lọc thô ,dầu được lọc sạch sơ bộ các tạp chất eơ học có kích cỡ các hạt lớn,tiếp theo đó dầu nhỏn được đẩy vào đường dâầu chính 6 để chảy đến các ổ trục khuỷu ,ổ trục cam,... Đường dầu 5 trong trục khuỷu đưa dẫu lên bôi trơn ở chốt,ở đầu to thanh truyền rồi theo đường dầu lên bôi trơn chốt piston. Nếu như không có đường dẫu trên thanh truyền thì đầu nhỏ trên thanh truyền phải có lỗ hứng dầu. Trên đường dầu chính còn có các đường dầu 13 đưa dầu đi bôi trơn các cơ cấu phối khí... Một phần dầu (khoảng 15 - 20% lượng dầu bôi trơn do bơm dầu cung cấp ) đi qua bầu lọc tỉnh 10 rồi trổ về lại cácte. Bầu lọc tỉnh có thể được lắp gần bầu lọc thô hoặc để xa bầu lọc thô, nhưng bao giờ cũng lắp theo mạch rẽ so với bầu lọc thô. Đồng hồ M báo áp suất và đồng hồ T báo nhiệt độ của dầu nhờn.
Khi nhiệt độ của dầu bôi trơn lên cao quá 80 °C ,vì do độ nhớt giảm sút,van điểu khiển C sẽ mở để dầu nhòn đi qua két làm mát dầu nhờn 11. Sau một thời gian làm việc bầu lọc thô có thể bị tắt do quá tấi,van an toàn D của bầu lọc thô được dầu nhờn đẩy mở ra,dầu lúc này không thể qua bầu lọc thô mà trực tiếp đi vào đường dầu chính 6. Để đảm bảo áp suất dầu bôi trơn có trị số không đổi trên cả hệ thống,trên hệ thống bôi trơn có lắp van an toàn a.
Ngoài việc bôi trơn các bộ phận trên để bôi trơn các bể mặt làm việc của xilanh, piston, người ta kết hợp tận dụng dầu vung ra khỏi ổ đầu to thanh truyền trong quá trình làm việc ở một số ít động cơ, trên đầu to thanh truyền khoan một lỗ nhỏ để phun dầu về phía trục cam tăng chất lượng bôi trơn cho trục cam và xilanh.

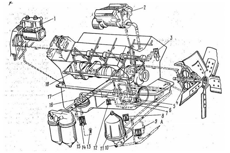
Hinh 8.3. Sơ đồ kết cấu của hệ thống bôi trơn Kamaz-740.
1- Máy nén khí; 2- Bơm cao áp; 3- Bộ ngắt khớp thuỷ lực; 4- Khớp thuỷ lực; 5,12- Van an toàn bơm dẫu; 6 - Van của hệ thống bôi trơn ( van vi sai) ; 7- Bơm dầu; §- Van an toàn của bầu lọc; 9 - Van hồi dầu của bầu lọc ly tâm; 10- Van điều khiển dầu đến két làm mát dẫu; 11- Bầu lọc ly tâm; 13- Đèn báo hiệu bầu lọc thấm bị tắc; 14- Van an toàn của bầu lọc thấm; 15- Bầu lọc thấm; 16- Lọc sơ bộ; 17- Cácte; 18- Đường dầu chính.
1. Đường dầu về két làm mát dầu.
Ấp suất dầu ở số vỏng quay bình thưởng là 0,4+0,5 MPa (4+KG/em” ) và ở số vòngquay thấp nhất ( không tải) là 0,1 Mpa (1KG/ em?), áp lực dầu được kiểm tra khi động cơ nóng. Trong hệ thống dầu được lọc sạch nhờ hai loại bầu lọc dầu: Bầu lọc thấm và một bầu lọc ly tâm. Van an toàn 14 có kết cấu kiểu piston đựơc điều chỉnh áp lực mở van là 8,5+11,6 KG/cmˆ, van được lắp trên đường dẫu từ bơm đến bầu lọc thấm 15, nếu vì lý do nào đó ( bầu lọc không hoạt động được, bầu lọc bị tắc ) áp lực dầu trong đường dâu chính vượt quá 8,5+1 1,6 KG/em? thi van 14 mở đồng thời đèn 13 sáng lên báo hiệu bầu lọc bị tắc.
Ưu- nhược điểm:
Ưu điểm: Cung cấp khá đầy đủ dầu bôi trơn cả về số lượng và chất lượng, độ tin cậy làm việc của hệ thống bôi trơn tương đối cao.
Nhược điểm: Do dùng cácte ướt (chứa dầu trong cácte ) nên khi động cơ làm việc ở độ
nghiêng lớn, dầu nhờn dễn về một phía khiến phao hút dầu bị hãng. Vì vậy lưu lượng dầu cung cấp sẽ không đảm bảo đúng yêu cầu.
Phạm vì sử dụng:
Hầu hết các loại động cơ đốt trong ngày nay đều dùng phương án bôi trơn cưỡng bức do dầu nhờn trong hệ thống bôi trơn được bơm dầu đẩy đến các bể mặt ma sát dưới một áp suất nhất định nên có thể đảm bảo yêu câu bôi trơn, làm mát và tẩy rửa mặt ma sát của ổ trục. Nói chung hệ thống bôi trơn cácte ướt thường dùng trên động cơ ôtô làm việc trong địa hình tương đối bằng phẳng (vì ở loại này khi động cơ làm việc ở độ nghiêng lớn, dầu nhờn dồn về một phía khiến phao hút dầu bị hãng).
Hệ thống bôi trơn cưỡng bức cácte khô

Hinh 8.4. Sơ đồ nguyên lý làm việc của hệ thống bôi trơn cácte khô.
1- Phao hút dầu; 2- Bơm chuyển dầu nhờn; 3- Bầu lọc thô; 11- Két làm mát dầu ;14-
Thủng chứa dầu; 15-Bơm hút dầu tử cácte về thùng chứa; a- Van an toàn của bơm; b Van an toàn của bầu lọc thô; d- Van khống chế dầu qua két làm mát ; M- Đồng hồ áp suất; T- Đồng hồ nhiệt độ dầu nhờn.
Chỉ khác bôi trơn cưỡng bức cácte ướt là ở trong hệ thống này có thêm hai bơm hút dầu từ cácte về thùng chứa, sau đó bơm 2 mới chuyển dầu đi bôi trơn. Trong hệ thống bôi trơn cưỡng bức cácte ướt, nơi chứa dầu đi bôi trơn là cácte ,cỏn ở đây là thùng chứa dâu. Van d thưởng mở. Trong một số động cơ tĩnh tại và tàu thuỷ, trên hệ thống bôi trơn còn bố trí bơm tay hoặc bơm điện để cung cấp dầu nhỏn đến các mặt ma sát và điển đây các đường ống dẫn trước khi khởi động động cơ. Sơ đề bố trí bơm tay hoặc bơm điện được giới thiệu trên hình 8.5.
Thông qua phương án bôi trơn cácte khô,với những ưu điểm của nó ngày nay phương án nảy được dùng rất nhiều ở máy kéo,tàu thuỷ...Sau đây giới thiệu hệ thống bôi trơn động cơ NVD36 AU lắp trên tàu thuý.

Hinh 8.5. Sơ đồ kết cấu hệ thống bôi trơn cácte khô trên động cơ NVD-36AU.
1- Đường ống dẫn dâu trong cácte động cơ tới bơm; 2-Trục khuỷýu; 3-Trục cam; 4-Bơm ly tâm chuyển dầu; 5-Bộ điều tốc; 6-Van điều chỉnh áp suất; 7-Áp kế; § Máy nén khí; 9-Nhiệt kế; 10-Bơm kép chuyển dầu nhờn; 11-Bơm kép dự bị; 12-Bầu lọc kép dầu nhỏn; 13-Van ba ngả; 14- Bầu làm mát dầu nhờn; 15-Van an toàn; 16-Bơm tay kiểu pittông; 17- Két đựng dầu; 18- Két đựng dầu bổ sung.
a) Đường dầu đang hoạt động
b) Đưởng dầu dự phòng
Nguyên lý hoạt động hệ thống bôi trơn cưỡng bức cácte khô
Dầu trong cácte vào đường ống 1 tới bơm 10,rồi đổ vào két dầu 17. Dầu từ két 17 được
bơm 10 hút chuyển tới bầu lọc 12,tới bầu làm mát 14,sau đó đến đường ống chính đi bôi trơn cho bệ đố trục khuỷu 2,bệ đỡ trục cam 3,và các chỉ tiết khác rồi tự động rơi xuống cácte.
Trứơc lúc khởi động động cơ,các bơm 10 và 10' chưa hoạt động,ta dùng bơm tay 16 để
bơm dầu. Khi các bơm 10 và10' bị hỏng ta mổ cho 2 bơm 11 hoạt động,vả lúc đầu trong hệ thống bị hao hụt ta mở van ba ngả cho dâu từ két bổ sung 18 tăng thêm lượng dầu. Hệ thống này có ưu điểm là trong caéte ít dầu,không có sự va đập giữa dầu với tay quay và đầu to thanh truyền,có két riêng đựng dâu nên dầu sạch sẽ,cácte nhỏ và gọn,khuyết điểm là nhiều bơm,nhiễu chi tiết nên hệ thống cồng kênh
Ưu - nhược điểm:
Ưu điểm: Cácte chỉ hứng và chứa dầu tạm thời,còn thùng dầu mới là nơi chứa dầu để đi bôi trơn nên động cơ có thể làm việc ở độ nghiên lớn mà không sợ thiếu dầu,dầu được cung cấp đầy đủ và liên tục.
Nhược điểm: Kết cấu phức tạp hơn,giá thành tăng lên do phải thêm đến 2 bơm dầu hút dầu cácte qua thùng,thêm đường dầu và bố trí thùng dầu sao cho hợp lý.
Phạm vì sử dụng:
Hệ thống bôi trơn cưỡng bức cácte khô thường dùng trên các loại động cơ điêzen dùng trên máy ủi đất,xe tắng,máy kéo,tàu thuỷ... Trong một số động cơ tĩnh tại và tàu thuý,trên hệ thống bôi trơn còn bố trí bơm tay hoặc bơm điện để cung cấp dầu nhờn đến các mặt ma sát và điền đẩy các đường ống dẫn trước khi khởi động cơ.
Ngoài ra,để đấm bảo bôi trơn cho mặt làm việc của xilanh,hệ thống bôi trơn của các loại
động cơ này còn thưởng dùng van phân phối để cấp dầu nhỏn vào một số điểm chung quanh xi lanh,lỗ dầu thưởng khoan trên lót xilanh.
PHA DẦU NHỜN VÀO NHIÊN LIỆU
Phương án bôi trơn này chỉ dùng để bôi trơn các chỉ tiết máy của động cơ xăng hai kỳ cỡ nhỏ, làm mát bằng không khí hoặc nước. Dầu nhờn được pha vào trong xăng theo tỷ lên 5s thê tích. Đôi với một số động cơ cổ nhỏ của Đức, Tiệp thưởng pha dâu nhờn với tỷ lệ ít hơn, thưởng vào khoảng. Hỗn hợp của dâu nhỏn và xăng đi qua bộ chế hoà khí,được xé nhỏ,củngvới không khí tạo thành khí hổn hợp. Khí hỗn hợp này được nạp vào cácte của động cơ rồi theo lỗ quét đi vào xilanh. Trong quá trình này,các hạt dầu nhỏn l trong khí hỗn hợp ngưng đọng bám trên bề mặt các chỉ tiết máy để bôi trơn các mặt ma sát.
Cách bôi trơn này thực tế không cần hệ thống bôi trơn, thực hiện việc bôi trơn các chỉ tiết máy rất đơn giản, dễ dàng nhưng do dầu nhỏn theo khí hỗn hợp vào buồng cháy nên dễ tạo thành muội than bám trên đỉnh piston,pha càng nhiều dầu nhởn,trong buồng cháy càng nhiều muội than,làm cho piston nhanh nóng,quá nóng,dể xảy ra hiện tượng cháy sớm,kích nổ và đoán mạch do buji bị bám bụi than.
Ngược lại,pha ít dầu nhờn,bôi trơn kém, ma sát lớn dễ làm cho piston bị bó kẹt trong
xilanh.
Phương án này rất đơn giản nhưng lại nhiều nhược điểm. Ngày nay,người ta quan tâm
nhiều về vấn đề môi trưởng nên các loại động cơ này ít dùng và hệ thống bôi trơn kiểu này cũng không còn phổ biến.
Tin tức nổi bật
Sửa các lỗi màn hình ô tô
Đèn Báo Lỗi Động Cơ Sáng Trên Ô Tô - Lỗi nhiều chủ xe thường gặp phải
Nguyên nhân & cách xử lý: Ô tô bị ì, vòng tua cao nhưng tốc độ thấp
Sửa Xe Vios Điều Hòa Ô Tô Không Mát & Tiếng Rít Từ Động Cơ
Xử lý chảy dầu và đại tu hệ thống gầm xe ô tô
Nguyên nhân, dấu hiệu & cách khắc phục xe ô tô báo lỗi khí thải
Lỗi chống trơn trượt, cân bằng điện tử ESP
Dấu hiệu hỏng giảm xóc & cách sửa chữa, bảo dưỡng, thay thế
Xe vào số bị giật khi khởi động và sau khi đi ổn định
Tại sao cần vệ sinh họng nạp & van egr ? Hậu quả ? Phương pháp bắn trấu?
BẢNG GIÁ BÌNH ẮC QUY VARTA NĂM 2024
Báo giá sửa chữa xe công trình năm 2024
Sửa chữa điều hòa ô tô