
Hệ thống điều hòa tự động trên ô tô
Hệ thống điều hòa không khí tự động điều khiển bằng bộ vi xử lý
Mô tả:
Trong hệ thống điều hòa không khí tự động điều khiển bằng bộ vi xử lý, từng cảm biến gửi tín hiệu đến bộ khuếch đại điều hòa không khí tự động (còn gọi là ECU điều hòa) một cách độc lập, sau đó sẽ nhận biết dựa vào chướng trình có sẵn trong bộ vi xử lý của khuếch đại điều hòa không khí tự động, do đó điều khiển độc lập các bộ chấp hành.
Các phần sau mô tả hệ thống điều hòa không khí tự động điều khiển bằng bộ vi xử lý lắp trên xe Celica ST180 và Land Cruiser 80.

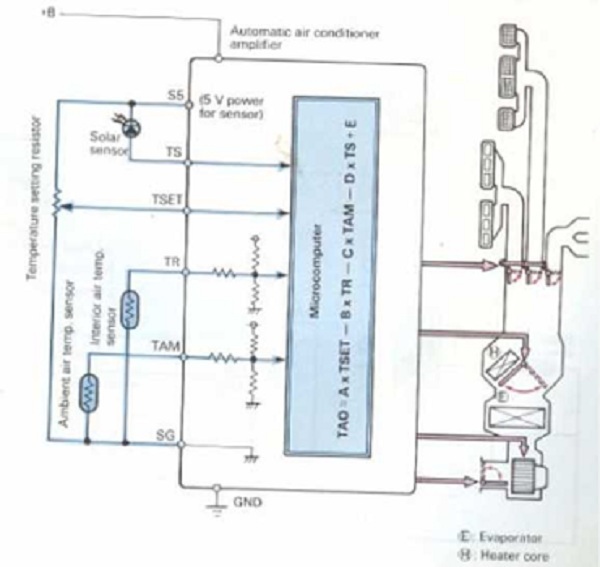
Hình 5.1. Hệ thống điều hòa không khí tự động điều khiển bằng bộ vi xử lý.
Khái quát về hệ thống:
Hệ thống bao gồm các chức năng điều khiển tự động sau:
- Điều khiển nhiệt độ.
- Điều khiển tốc độ quạt thổi.
- Điều khiển khí vào.
- Điều khiển chế độ dòng khí.
- Điều khiển lốc điều hòa.
Các hệ thống điều khiển này hoạt động bằng cần gạt hay công tắc trên bảng điều khiển như trong điều hòa không khí tự động điều khiển bằng bộ khuếch đại.
- Công tắc hay cần gạt điều khiển nhiệt độ: dùng để đặt nhiệt độ trong xe như mong muốn.
- Công tắc tự động: khi bật, công tắt này kích hoạt hệ thống điều khiển tự động đồng thời hiển thị trạng thái hoạt động bằng đèn báo.

Hình 5.2. Bảng điều khiển hệ thống điều hòa không khí tự động loại vi xử lý.
Nhiệt độ khí ra (Temperature Air Out viết tắt là TAO) cần thiết:

Hình 5.3. Sơ đồ tính toán nhiệt độ TAO.
TAO là nhiệt độ khí cần thổi ra để giữ cho nhiệt độ trong xe tại một giá trị đặt trước. TAO được tính toán bởi bộ vi xử lý đặt trong bộ khuếch đại điều hòa không khí tự động dựa trên trạng thái của công tắc hay cần gạt điều khiển nhiệt độ và các tín hiệu từ các cảm biến.
Từ thông số TAO này, điều hòa không khí tự động điều khiển bằng bộ vi xử lý gửi các tín hiệu dẫn động phát ra từ bộ khuếch đại đến các môtơservo và quạt thổi.
TAO được tính toán bằng công thức:
TAO = AxTSET - BxTR - CxTAM - DxTS +E
Trong đó:
TSET: nhiệt độ đặt trước.
TR: nhiệt độ khí trong xe.
TAM: nhiệt độ môi trường.
TS: bức xạ mặt trời.
A đến E là các hằng số.
Nếu công tắc hay cần điều khiển nhiệt độ được đặt tại vị trí MAX COOL hay MAX WARM, bộ vi xử lý sẽ dùng giá trị cố định thay vì thực hiện phép tính trên.
Điều khiển nhiệt độ
Hệ thống điều khiển nhiệt độ của hệ thống này có cấu tạo gần giống như hệ thống điều hòa không khí tự động điều khiển bằng bộ khuếch đại, ngoại trừ có thêm:
a. Cảm biến giàn lạnh.
b. Một bộ khuếch đại cho môtơ servo điều khiển hòa trộn khí.
c. Một công tắc chương trình, như công tắt điều khiển quạt thổi, không lắp trên môtơ servo điều khiển hòa trộn khí.

Hình 5.4. Sơ đồ điều khiển nhiệt độ.
Bộ vi xử lý lắp trong bộ khuếch đại điều hòa không khí tự động tính toán độ mở (SW) cánh điều khiển hòa trộn khí dựa trên TAO tính toán được và tín hiệu (TE) từ cảm biến giàn lạnh như sau:
SW = TAO + A-(TE + B)x 100%
C -(TE+ B )
A đến C là các hằng số.
SP là góc mở thực tế của cánh điều khiển hòa trộn khí. Giá trị của nó phụ thuộc vào tín hiệu từ cực TP. Bộ vi xử lý so sánh giá trị SP này với SW và theo đó điều khiển môtơ servo điều khiển hòa trộn khí.
Bộ khuếch đại môtơ servo điều khiển hòa trộn khí xác định hướng tác dụng lực và dẫn động mô tơ servo điều khiển hòa trộn khí, do đó điều khiển được nhiệt độ khí vào.
d. Trường hợp 1: Khi SW gần bằng SP.
SW gần bằng SP, khi TAO gần bằng TE. Lúc này, bộ vi xử lý lắp bên trong bộ khuếch đại điều hòa không khí tự động sẽ tắt TR1 và TR2, ngăn không cho bộ khuếch đại của môtơ servo hòa trộn khí cấp dòng điện đến môtơ servo điều khiển hòa trộn khí, do đó làm cánh điều khiển hòa trộn khí giữ nguyên ở vị trí hiện tại.
e. Trường hợp 2: Khi SW nhỏ hơn SP.
SW nhỏ hơn SP khi TAO nhỏ hơn TE. Lúc này bộ vi xử lý lắp trong bộ khuếch đại điều hòa không khí tự động sẽ bật TR1, tắt TR2, cho phép bộ khuếch đại của môtơ servo điều khiển hòa trộn khí cấp dòng điện đến môtơ servo điều khiển hòa trộn khí, do đó làm môtơ quay sang phía COOL, dịch chuyển cánh điều khiển hòa trộn khí để hạ thấp nhiệt độ khí thổi.
Chiết áp lắp bên trong môtơ servo điều khiển hòa trộn khí phát hiện mức độ dịch chuyển thực tế của cánh điều khiển hòa trộn khí (SP). Nếu giá trị thu được bằng với SW thì bộ vi xử lý sẽ tắt TR1 để dừng môtơ servo.
f. Trường hợp 3: Khi SW lớn hơn SP.
SW lớn hơn SP khi TAO lớn hớn TE. Lúc này bộ vi xử lý lắp trong bộ khuếch đại điều hòa không khí tự động sẽ bật TR2, tắt TR1, cho phép bộ khuếch đại của môtơ servo điều khiển hòa trộn khí cấp dòng điện đến môtơ servo điều khiển hòa trộn khí, do đó làm môtơ quay sang phía WARM, dịch chuyển cánh điều khiển hòa trộn khí để nâng nhiệt độ khí thổi.
Chiết áp lắp bên trong môtơ servo điều khiển hòa trộn khí phát hiện mức độ dịch chuyển thực tế của cánh điều khiển hòa trộn khí (SP). Nếu giá trị thu được bằng với SW thì bộ vi xử lý sẽ tắt TR2 để dừng môtơ servo.
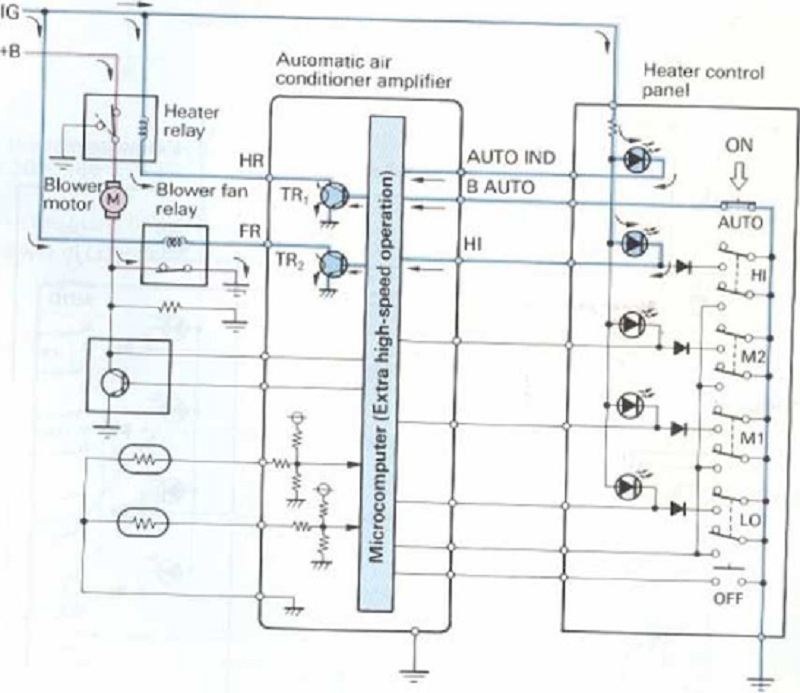
Điều khiển quạt thổi gió của điều hòa tự động trên ô tô
Cấu tạo:
Giống như bộ điều khiển quạt thổi dùng cho điều hòa không khí tự động điều khiển bằng bộ khuếch đại, công tắc điều khiển tốc độ quạt thổi nối với cánh điều khiển hòa trộn khí sẽ tự động thay đổi tốc độ quạt thổi và công tắt nhiệt độ nước làm mát được dùng để điều khiển hâm nóng. Các chi tiết tương ứng trong hệ thống điều khiển tốc độ quạt thổi gồm:
- Công tắt điều tốc độ quạt thổi:Bộ khuếch đại điều hòa không khí tự động, điện trở quạt thổi, transistor nguồn.
Transistor nguồn thay đổi dòng điện đi qua môtơ quạt phụ thuộc vào tín hiệu dẫn động quạt thổi từ cực BLW của bộ khuếch đại điều hòa không khí tự động, do đó làm thay đổi tốc độ quạt.
Transistor nguồm có một cầu chì, nó bị nóng chảy ở 1140C để bảo vệ transistor nguồn tránh hư hỏng khi quá nóng.
- Công tắc nhiệt độ nước/cảm biển nhiệt độ nước làm mát.
Hoạt động:
Điều khiển tự động:
Chức năng điều khiển này cũng tự động điều khiển tốc độ quạt thổi giống như điều khiển nhiệt độ dựa trên giá trị TAO.
Khi công tắc AUTO bật, bộ khuếch đại điều hòa không khí tự động sẽ điều khiển tốc độ quạt thổi theo giá trị hiện thời của TAO theo đồ thị:

Hình 5.5. Đồ thị mô tả điều khiển tốc độ quạt theo TAO.
a. Trường hợp 1: Hoạt động ở tốc độ thấp.

Hình 5.6. Sơ đồ hệ thống diều khiển tự động tốc độ quạt ở tốc độ thấp.
Khi công tắc AUTO bật, bộ vi xử lý sẽ bật TR1 để kích hoạt rơle sưởi, cho phép dòng điện chạy từ ắc quy đến rơle sưởi, sau đó đến môtơ quạt đến điện trở quạt và nối đất, do vậy mô tơ quạt chạy ở tốc độ thấp.
Lúc này, đèn AUTO và đèn tốc độ thấp L0 sáng.
Trường hợp 2: Hoạt động từ tốc độ trung bình đến cao.

Hình 5.7. Sơ đồ hệ thống diều khiển tự động tốc độ quạt ở tốc độ trung bình đến cao.
Bộ vi xử lý sẽ phát tín hiệu dẫn động quạt thổi khí, tốc độ này được tính toán từ giá trị TAO đến transitor nguồn qua cực BLW. Dòng điện chạy từ Acquy đến rơle sưởi, đến motơ quạt, đến transitor nguồn và điện trở quạt thổi rồi nối đất. Do đó, làm cho môtơ quạt thổi chạy tại một tốc độ tương ứng với tín hiệu dẫn động quạt. Cùng lúc đó, đèn AUTO sáng cùng với đèn L0, M1, M2 hay HI tùy theo từng trường hợp.
Tín hiêu đến cực VM của bộ khuếch đại điều hòa không khí tự động từ transistor nguồn là tín hiệu phản hồi tốc độ quạt thổi. Bộ vi xử lý dùng tín hiệu này để hiệu chỉnh tín hiệu dẫn động quạt.
Trường hợp 3: Hoạt động tại tốc độ đặt biệt cao.

Hình 5.8. Sơ đồ hệ thống diều khiển tự động tốc độ quạt ở tốc độ đặt biệt cao.
Bộ vi xử lý bật TR1 và TR2 để kích hoạt rơle bộ sưởi và rơle quạt. Vì vậy, dòng điện chạy từ Ắc quy đến rơle bộ sưởi, sau đó đến môtơ quạt, đến rơle quạt và nối đất, làm cho môtơ quạt thổi chạy tại một tốc độ đặt biệt cao.
Lúc này đèn AUTO và đèn HI sáng lên.
Điều khiển hâm nóng.
Chức năng điều khiển hâm trong điều hòa không khí tự động điều khiển bằng bộ vi xử lý dùng một cảm biến nhiệt độ nước làm mát để phát hiện nhiệt độ nước làm mát động cơ.
Môtơ quạt thổi khí tắt cho đến khi nhiệt độ nước làm mát đạt giá trị 300C đến 400C (tùy theo kiểu xe). Khi nhiệt độ nước làm mát vượt 300C đến 400C rơle bộ sưởi ấm bật làm cho môtơ quạt thổi hoạt động.
Chức năng này chỉ hoạt động khi công tắt AUTO trên bảng điều khiển bật và chế độ dòng khí đặt ở FOOT hay BI-LEVEL.
Điều khiển dòng khí trễ.
Điều hòa không khí của xe đỗ dưới trời nóng trong thời gian dài luôn thổi ra khí nóng ngay lập tức sau khi nó hoạt động. Chức năng điều khiển dòng khí trễ ngăn không cho điều
này xảy ra. Chức năng điều khiển dựa trên nhiệt độ bên trong bộ làm mátdo cảm biến giàn lạnh phát hiện được và chỉ được thực hiện khi động cơ khởi động với các điều kiện sau:
- Lốc điều hòa hoạt động.
- Công tắc AUTO bật.
- Chế độ dòng khí đặt tại FACE, hay đã bật tại Bi-LEVEL.

Hình 5.9. Sơ đồ hệ thống điều khiển hâm nóng.
Trường hợp 1: khi nhiệt độ bộ làm mát trên 300C.
Trường hợp này hệ thống điều khiển theo sơ đồ sau:

Hình 5.10. Đồ thị quan hệ tốc độ quạt thổi theo thời gian.
Chức năng điều khiển dòng khí trễ sẽ tắt môtơ quạt thổi khí và để nó tắt trong thời gian 4 giây khi lốc điều hòa chạy, làm mát không khí bên trong bộ làm mát.
Sau thời gian 5s, hệ thống bật quạt thổi tại tốc độ thấp L0 để thổi khí mát trong bộ làm mát vào khoang hành khách.
Trường hợp 2: khi nhiệt độ bộ làm mát dưới 300C.
Trường hợp này hệ thống điều khiển theo sơ đồ sau:

Hình 5.11. Đồ thị quan hệ tốc độ quạt thổi theo thời gian.
Hệ thống điều khiển thời gian trễ cho quạt thổi với tốc độ thấp L0 trong thời gian 5s.
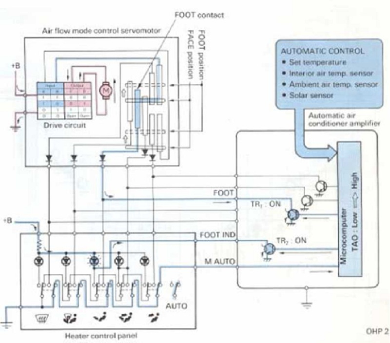
Điều khiển chế độ dòng khí.
Cấu tạo:
Hệ thống điều khiển chế độ dòng khí cho loại điều khiển bằng bộ vi xử lý có cấu tạo về cơ bản giống với điều hòa không khí tự động điều khiển bằng bộ khuếch đại.
Hoạt động.
Điều khiển tự động.
Tương tự như điều khiển nhiệt độ và tốc độ quạt, chức năng này tự động điều khiển chế độ dòng khí thổi ra theo chỉ số TAO.
Khi bật công tắt AUTO trên bảng điều khiển, bộ vi xử lý tự động nhận được thông tin này và tự động điều khiển chế độ dòng khí ra theo chỉ số TAO như sau:

Hình 5 .12. Sơ đồ hệ thống điều khiển chế độ dòng khí theo chỉ số TAO.
a. Trường hợp 1: Khi chỉ số TAO thay đổi từ thấp đến cao.

Hình 5.13. Sơ đồ hệ thống điều khiển chế độ dòng khí trường hợp 1.
Khi chỉ số TAO thấp, tiếp điểm động trong môtơ servo điều khiển chế độ dòng khí được đặt ở vị trí FACE. Khi TAO thay đổi từ thấp đến cao, bộ vi xử lý bật TR1.
Như vậy, đầu vào B của mạch dẫn động môtơ điều khiển chế độ dòng khí là “0” do tạo thành mạch nối đất và đầu vào A là “1” do mạch hở.
Điều này làm tín hiệu “1” được phát ra ở đầu ra D và “0” ở đầu C trong mạch dẫn động, cho phép dòng điện từ đầu ra D đến môtơ, sau đó đến đầu ra C, do vậy làm cho môtơ hoạt động, kéo tiếp điểm động khỏi tiếp điểm FOOT và sau đó dừng lại, đặt hệ thống vào chế độ FOOT.
Lúc này, nó bật TR1 để bật đèn báo FOOT trên bảng điều khiển.
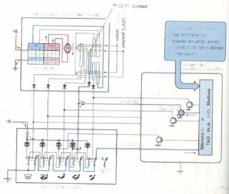
b. Trường hợp 2: Khi chỉ số TAO thay đổi từ cao đến trung bình.

Hình 5.14. Sơ đồ mạch điều khiển chế độ dòng khí trường hợp 2.
Tiếp động trong môtơ servo điều khiển chế độ dòng khí đang ở vị trí BI-LEVEL. Khi
TAO thay đổi từ cao đến trung bình, bộ vi xử lý bật TR3
Đầu vào A của mạch dẫn động môtơ điều khiển chế độ dòng khí là “0” do tạo thành mạch nối đất và đầu vào B là “1” do mạch hở.
Điều này làm tín hiệu “1” được phát ra ở đầu ra C và “0” ở đầu D trong mạch dẫn động, cho phép dòng điện từ đầu ra C đến môtơ, sau đó đến đầu ra D, do vậy làm cho môtơ hoạt động, kéo tiếp điểm động khỏi tiếp điểm BI-LEVEL và sau đó dừng lại, đặt hệ thống vào chế chế độ BI-LEVEL.
Lúc này, bật đèn báo BI-LEVEL trên bảng điều khiển.
c. Trường hợp 3: Khi chỉ số TAO thay đổi từ trung bình đến thấp.

Hình 5.15. Sơ đồ mạch điều khiển chế độ dòng khí trường hợp 3.
Tiếp động trong môtơ servo điều khiển chế độ dòng khí đang ở vị trí BI-LEVEL. Khi
TAO thay đổi từ trung bình đến thấp, bộ vi xử lý bật TR3
Đầu vào A của mạch dẫn động môtơ điều khiển chế độ dòng khí là “0” do tạo thành mạch nối đất và đầu vào B là “1” do mạch hở.
Điều này làm tín hiệu “1” được phát ra ở đầu ra C và “0” ở đầu D trong mạch dẫn động, cho phép dòng điện từ đầu ra C đến môtơ, sau đó đến đầu ra D, do vậy làm cho môtơ hoạt động, kéo tiếp điểm động khỏi tiếp điểm FACE và sau đó dừng lại, đặt hệ thống vào chế chế độ FACE.
Lúc này, bật đèn báo FACE trên bảng điều khiển.
Điều khiển lốc điều hòa:
Nhấn công tắc AUTO trên bảng điều khiển sẽ tự động bật ly hợp từ và khởi động lốc điều hòa. Ly hợp từ bật và tắt lần lượt phụ thuộc vào nhiệt độ môi trường hay nhiệt độ gian lạnh.
Kết nối với ECU động.
Nhằm mục đích điều khiển các loại điều hòa không khí hay động cơ khác nhau, những xe có lắp hệ thống TCCS trao đổi các tín hiệu giữa ECU động cơ và bộ khuếch điều hòa không khí.
a. Tín hiệu A/C.
Tín hiệu này gửi từ bộ khuếch đại đến ECU động cơ khi ly hợp từ đang hoạt động hay công tắt A/C bật.
b. Tín hiệu ACT (cắt điều hòa không khí).
ECU động cơ gửi tín hiệu ACT đến bộ khuếch đại điều hòa không khí để nhả ly hợp từ của lốc điều hòa nhằm ngừng hoạt động của điều hòa không khí tại một tốc độ xe ,áp suất đường ống nạp, tốc độ động cơ hay góc mở bướm ga nhất định.
Điều hòa không khí bị cắt khi tăng tốc đột ngột từ tốc độ động cơ thấp nhằm đảm bảo tính năng tăng tốc tốt.
Điều hòa không khí cũng tắt khi động cơ hoạt động không tải ở tốc độ thấp hơn tốc độ định trước, tránh cho động cơ khỏi chết máy.
Trong một số kiểu động cơ, hoạt động của ly hợp từ cũng bị trễ trong một thời gian nhất định sau khi bật công tắt điều hòa không khí. Trong thời gian này ECU động cơ mở van ISC để bù lại sự suy giảm tốc độ do hoạt động của lốc điều hòa điều hòa không khí.
Hình 5.16. Sơ đồ mạch điều khiển lốc điều hòa.
Trong một số trường hợp ECU động cơ điều khiển ly hợp từ của lốc điều hòa A/C dựa trên tín hiệu A/C đo bộ khuếch đại điều hòa không khí phát ra.
Hình 5.17. Sơ đồ mạch điều khiển lốc điều hòa từ tín hiệu A/C.
Tin tức nổi bật
Chênh lệch giá vàng trong nước và thế giới 14/4/2026
Cách quy đổi giá vàng thế giới
Vàng miếng, vàng thỏi, vàng nguyên liệu là gì?
Giá vàng, bạc áp lực giảm do lo ngại lạm phát (theo kitco.com)
So sánh giá vàng Sjc, Doji, Pnj, Phú Quý hôm nay
Nguyen Duc Huy
10/04/2022xin