
Sơ đồ mạch điện và cách sửa chữa hệ thống lên xuống kính, ăng ten ô tô
MẠCH ĐIỆN HỆ THỐNG LÊN XUỐNG KÍNH, ĂNG TEN Ô TÔ

Phương tiện - dụng cụ - thiết bị sửa chữa hệ thống lên xuống kinh và ăng ten ô tô
- Sơ đồ cấu tạo bên trong các bộ phận của hệ thống lên xuống kính, ăng – ten. Sa bàn hệ thống lên xuống kính, ăng – ten.
- Mô – tơ lên xuốngkính, mô – tơ nâng hạ ăng - ten, công – tắc điều khiển lên xuống kính và điều khiển nâng hạ ăng – ten, bình ắc – quy. Đồng hồ VOM, dây điện, băng keo
Các bộ phận cần kiểm tra
- Công tắc điều khiển chính lên xuống kính (ở vị trí tài xế)
- Công tắc điều khiển của hành khách
- Mô – tơ lên xuống kính
- Bộ lên xuống kính
- Khảo sát hệ thống nâng hạ ăng-ten
- Mô-tơ nâng hạ ăng-ten
Xác định chân ra, kiểm tra hoạt động các bộ phận của hệ thống lên xuống kính và ăng ten ô tô
- Xác định chân ra công tắc điều khiển chính:
- Xác định chân ra công tắc phụ của hành khách
- Xác định chân ra của mô-tơ nâng hạ kính: Cấp nguồn vào bất kì 2 chân để xác định chiều nâng lên, đưa xuống của mô-tơ.
- Xác định chân ra của công tắc nâng hạ ăng-ten
- Xác định chân ra của mô-tơ nâng hạ ăng-ten: Cấp nguồn vào bất kì 2 chân để xác định chiều nâng lên, đưa xuống của mô-tơ.
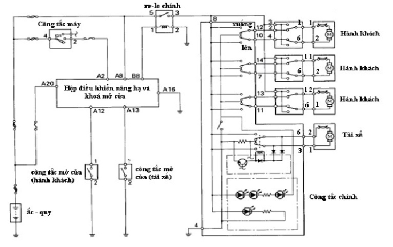
Sơ đồ và thực hiện đấu dây mạch điện hệ thống lên xuống kính, ăng – ten:
- Sơ đồ hệ thống lên xuống kính:
Hình 1: Sơ đồ hệ thống lên xuống kính.
- Đấu mạch hệ thống lên xuốngkính theo như sơ đồ mạch điện trên
- Kiểm tra và vận hành hệ thống
- Nếu cả hai cửa kính sau không nâng hạ được với công tắc riêng của nó thì kiểm tra công tắc chung cho các cửa.
- Nếu cửa kính di động được `hướng lên hoặc xuống phải kiểm tra sự thông mạch giữa công tắc riêng và công tắc chính.
- Nếu tất cả các cửa kính không thể nâng lên hạ xuống thì ngắt điện và tiến hành kiểm tra tình trạng kẹt kính bằng cách lắc nhẹ kính theo hướng lên xuống và hai bên.
Sơ đồ mạch điện công tắc lên xuống kính và ăng-ten:
Hình 2: Sơ đồ mạch điện công tắc lên xuống kính và ăng-ten
Hình 3: Sơ đồ hệ thống âm thanh cơ bản trên ôtô.
- Tiến hành đấu dây hệ thống nâng hạ ăng-ten như sơ đồ.
Tin tức nổi bật
Chênh lệch giá vàng trong nước và thế giới 14/4/2026
Cách quy đổi giá vàng thế giới
Vàng miếng, vàng thỏi, vàng nguyên liệu là gì?
Giá vàng, bạc áp lực giảm do lo ngại lạm phát (theo kitco.com)
So sánh giá vàng Sjc, Doji, Pnj, Phú Quý hôm nay