
Hệ thống phanh ABS ô tô là gì ? Phân loại, Nguyên Lý, Cấu tạo của ABS
Hệ thống phanh ABS ô tô là gì ?
Hệ thống phanh ABS ô tô là hệ thống chống cứng phanh Đây là một trong các hệ thống an toàn chủ động trên ôtô. Nó có nhiệm vụ giảm tối thiểu các hiểm nguy về tai nạn bằng điều khiển quá trình phanh một cách tối ưu. Ưu điểm của hệ thống phanh ABS so với hệ thống phanh dầu bình thường (không có hệ thống chống hãm cứng) là:
- Tính sự ổn định cao hơn khi vận hành.
- Sự ổn định về hướng lái tốt hơn.
Ở hệ thống phanh dầu bình thường, khi phải thắng gấp và mạnh thì thường là các bánh xe sẽ bị hãm cứng và xe có nguy cơ bị trượt lết. Hệ thống thắng ABS khắc phục được vấn đề này bằng cách điều khiển áp suất thắng sao cho ở tất cả kiểu bố thắng đều không có sự hãm cứng các bánh xe và giúp cho xe luôn giữ được hướng lái. Sự vận hành ổnđịnh này phải thể hiện trên mọi loại mặt đường.
Phân loại hệ thống phanh ABS ô tô
Theo kiểu điều khiển các bánh xe
Kiểu điều khiển các bánh sau

Hình 1: Sơ đồ hệ thống phanh ABS điều khiển các bánh sau
Kiểu điều khiển tất cả các bánh

Hình 2: Sơ đồ hệ thống phanh ABS điều khiển tất cả các bánh
Theo nguồn trợ lực
- Nguồn là bơm trợ lực lái – van điện 2 vị trí

Hình 3 : Sơ đồ hệ thống phanh ABS van điện 2 vị trí
- Nguồn là một môtơ riêng - Van điện 2 vị trí
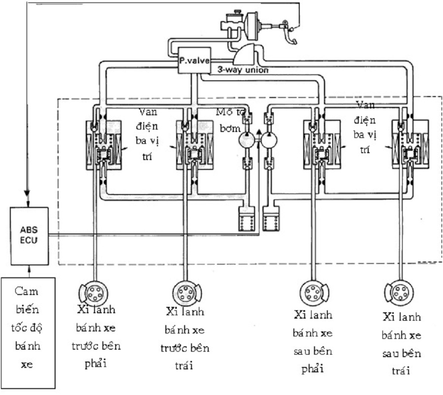
- Van điện 3 vị trí

Hình 4: Sơ đồ hệ thống phanh ABS van 3 vị trí
Cấu tạo hệ thống phanh ABS

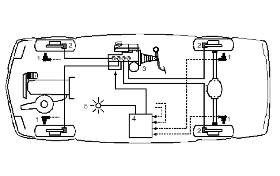
Hình 5 Sơ đồ hệ thống thắng ABS trên xe
1. Cảm biến tốc độ bánh xe 2. Xi lanh 3. Xi lanh chính và cụm thủy lực
4. Hộp điều khiển 5. Đèn báo an toàn
Hộp điều khiển điện tử (4) nhận các thông tin đầu vào từ các cảm biến tốc độ
Hệ thống thắng ABS bao gồm hệ thống thắng dầu như trước đây và các bộ phận thêm vào như sau:
a. Các cảm biến tốc độ của bánh xe
b. Cụm thủy lực
c. Hộp điểu khiển điện tử ABS
Nguyên lý hoạt động hệ thống phanh ABS
Khi xe chuyển động ở tốc độ không đổi, tốc độ của xe và bánh xe là như nhau (nói cách khác các bánh xe không trượt). Tuy nhiên khi người lái đạp phanh để giảm tốc độ, tốc độ của các bánh xe giảm từ từ và không thể bằng tốc độ thân xe lúc này đang chuyển động nhờ quán tính của nó.
Tin tức nổi bật
Sửa các lỗi màn hình ô tô
Đèn Báo Lỗi Động Cơ Sáng Trên Ô Tô - Lỗi nhiều chủ xe thường gặp phải
Nguyên nhân & cách xử lý: Ô tô bị ì, vòng tua cao nhưng tốc độ thấp
Sửa Xe Vios Điều Hòa Ô Tô Không Mát & Tiếng Rít Từ Động Cơ
Xử lý chảy dầu và đại tu hệ thống gầm xe ô tô
Nguyên nhân, dấu hiệu & cách khắc phục xe ô tô báo lỗi khí thải
Lỗi chống trơn trượt, cân bằng điện tử ESP
Dấu hiệu hỏng giảm xóc & cách sửa chữa, bảo dưỡng, thay thế
Xe vào số bị giật khi khởi động và sau khi đi ổn định
Tại sao cần vệ sinh họng nạp & van egr ? Hậu quả ? Phương pháp bắn trấu?
BẢNG GIÁ BÌNH ẮC QUY VARTA NĂM 2024
Báo giá sửa chữa xe công trình năm 2024
Sửa chữa điều hòa ô tô