
Hướng dẫn kiểm tra bình ắc quy và hệ thống nạp ô tô
1. Kiểm tra bình ắc quy xe ô tô
LƯU Ý / CHÚ Ý / GỢI Ý
LƯU Ý:
Nếu ắc quy bị yếu hay nếu động cơ khó khởi động, hãy nạp lại ắc quy và tiến hành các thao tác kiểm tra lại trước khi trả xe về cho khách hàng.
2. Quy trình bình ắc quy và hệ thống nạp ô tô
2.1. KIỂM TRA TÌNH TRẠNG ẮC QUY
a.Kiểm tra hư hỏng hoặc biến dạng của ắc quy. Nếu hư hỏng nặng, biến dạng hoặc tìm thấy sự rò rỉ, hãy thay thế ắc quy.
b.Kiểm tra mức dung dịch cho từng ngăn.
i.Với loại ắc quy cần bảo dưỡng:
·Nếu mức dung dịch ắc quy ở phía dưới vạch thấp, hãy thay ắc quy.
·Nếu mức dung dịch ắc quy ở trên vạch thấp, hãy kiểm tra điện áp ắc quy khi động cơ quay khởi động. Nếu điện áp nhỏ hơn 9.6 V, hãy nạp điện hoặc thay thế ắc quy.
GỢI Ý:
Trước khi kiểm tra điện áp ắc quy, hãy tắt tất cả hệ thống điện (đèn pha, mô tơ quạt gió, bộ sấy kính hậu …)
Với loại ắc quy cần bảo dưỡng:
·Nếu mức dung dịch ắc quy ở dưới vạch thấp, đổ thêm nước cất vào từng ngăn. Sau đó nạp lại ắc quy và kiểm tra tỷ trọng dung dịch.
Tỷ trọng riêng tiêu chuẩn:
Từ 1.25 đến 1.29 ở 20°C
·Nếu mức dung dịch ắc quy ở phía trên vạch thấp, hãy kiểm tra điện áp ắc quy khi quay khởi động. Nếu điện áp ắc quy thấp hơn 9.6 V, hãy nạp lại hoặc thay ắc quy.
GỢI Ý:
Trước khi kiểm tra điện áp ắc quy, hãy tắt tất cả hệ thống điện (đèn pha, mô tơ quạt gió, bộ sấy kính hậu …)
c.Kiểm tra điện áp.
i.Tắt khóa điện OFF và bật đèn pha khoảng 20 đến 30 giây. Cách này sẽ loại trừ hiện tượng nạp bề mặt của ắc quy.
ii.Đo điện áp của ắc quy theo các giá trị trong bảng dưới đây.
Điện áp tiêu chuẩn:
-
Nối dụng cụ đo Điều kiện Điều kiện tiêu chuẩn Cực dương (+) - Cực âm (-) 20°C Từ 12.5 đến 12.9 V
Nếu giá trị điên áp không như tiêu chuẩn, hãy nạp lại hoặc thay thế ắc quy.
2.2. KIỂM TRA ĐIỆN CỰC ẮC QUY VÀ CẦU CHÌ
a.Kiểm tra rằng các cực của ắc quy không bị lỏng hoặc bị ăn mòn.
Nếu các điện cực bị ăn mòn, hãy vệ sinh các điện cực.
Mômen xiết:
Cực dương (+) ắc quy : 5.4 N*m (55 kgf*cm, 48 in.*lbf)
Cực âm (-) ắc quy : 5.4 N*m (55 kgf*cm, 48 in.*lbf)
b.Đo điện trở của các cầu chì.
Điện trở tiêu chuẩn:
Dưới 1 Ω
Nếu kết quả không như tiêu chuẩn, hãy thay cầu chì.
2.3. KIỂM TRA ĐAI MÁY PHÁT
Kích chuột vào đâyĐộng cơ/ hệ thống Hybrid>CƠ CẤU CƠ KHÍ CỦA ĐỘNG CƠ 2ZR FE>ĐAI DẪN ĐỘNG>KIỂM TRA TRÊN XE
2.4. KIỂM TRA DÂY ĐIỆN MÁY PHÁT
a.Kiểm tra dây điện bằng cách quan sát.
i.Kiểm tra rằng hệ thống dây điện vẫn tốt.
2.5. KIỂM TRA TIẾNG ỒN BẤT THƯỜNG
a.Hãy kiểm tra xem có tiếng kêu bất thường từ máy phát không.
i.Kiểm tra rằng không có tiếng kêu bất thường phát ra từ máy phát khi động cơ đang chạy.
Nếu xuất hiện nhiễu, hãy kiểm tra cụm máy phát.
2.6. KIỂM TRA MẠCH ĐÈN CẢNH BÁO NẠP
a.Bật khóa điện. Kiểm tra rằng đèn cảnh báo nạp sáng lên.
b.Khởi động động cơ và kiểm tra xem đèn cảnh báo nạp có tắt đi không.
Nếu đèn cảnh báo nạp không hoạt động theo tiêu chuẩn, hãy khắc phục sự cố mạch đèn cảnh báo nạp.
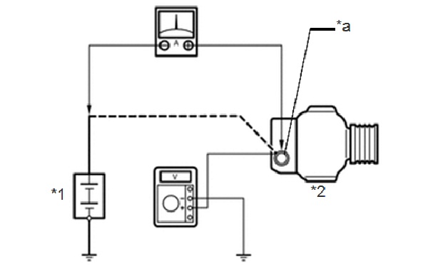
2.7. KIỂM TRA MẠCH NẠP KHI KHÔNG CÓ TẢI ĐIỆN
Nối một Vônkế và Ampe kế vào mạch nạp như sau.
GỢI Ý:
Nếu có đồng hồ kiểm tra ắc quy/máy phát, hãy nối đồng hồ với mạch nạp theo hướng dẫn của nhà sản suất cung cấp.
i.Ngắt dây điện ra khỏi cực B của máy phát, sau đó nối nó với cực âm (-) của Ampe kế.
ii.Nối cực dương (+) của Ampe kế với cực B của máy phát.
iii.Nối cực dương (+) của Vôn kế với cực B của máy phát.
iv.Nối mát cho cực âm (-) của vôn kế.
b.Kiểm tra mạch nạp.
i.Duy trì tốc độ động cơ 2000 vòng/phút và kiểm tra các giá trị trên Ampe kế và Vôn kế.
Cường độ dòng điện tiêu chuẩn:
10 A trở lên
Điện áp tiêu chuẩn:
Từ 12.9 đến 14.9 V
Nếu kết quả không như tiêu chuẩn, hãy sửa chữa hoặc thay cụm máy phát.

| *1 | Ắc quy |
| *2 | Cụm máy phát |
| *a | Cực B |
2.8. KIỂM TRA MẠCH NẠP KHI CÓ TẢI ĐIỆN
a.Khi động cơ đang chạy với tốc độ 2000 vòng/phút, hãy bật đèn pha ở chế độ chiếu xa và bật công tắc quạt gió của bộ sưởi ấm đến vị trí HI.
b.Kiểm tra chỉ số trên ampe kế.
Cường độ dòng điện tiêu chuẩn:
30 A trở lên
Nếu kết quả không như tiêu chuẩn, hãy sửa chữa hoặc thay cụm máy phát.
GỢI Ý:
Nếu ắc quy chưa được nạp đầy, đôi khi các giá trị sẽ thấp hơn tiêu chuẩn. Trong trường hợp này, hãy bật thêm các phụ tải điện (điều khiển gạt nước, bộ sấy kính hậu...) và kiểm tra lại chỉ số trên Ampe kế.
Tin tức nổi bật
Chênh lệch giá vàng trong nước và thế giới 14/4/2026
Cách quy đổi giá vàng thế giới
Vàng miếng, vàng thỏi, vàng nguyên liệu là gì?
Giá vàng, bạc áp lực giảm do lo ngại lạm phát (theo kitco.com)
So sánh giá vàng Sjc, Doji, Pnj, Phú Quý hôm nay
Phạm Thành Tín
16/07/2022https://shopoto.com.vn/huong-dan-kiem-tra-binh-ac-quy-va-he-thong-nap-o-to em muốn xin hình ảnh các bước kiểm tra trên xe ạ :((