
Khóa moay ơ là gì ? Cấu tạo và hoạt động cơ cấu khóa moay ơ
Cấu tạo chung của cơ cấu khóa moay ơ
1. Bộ điều khiển khóa moay ơ (RFW) nhận tín hiệu từ một công tắc của hộp phân phối và một vài công tắc khác. Sau đó nó điều khiển một trong hai van từ hoạt động làm cho chân không đi từ bơm chân không đến bộ thừa hành điều khiển cơ cấu khóa moay ơ thực hiện khóa hai bánh xe trước với hộp vi sai cầu trước hay để nó quay tự do.
2. Để bộ thừa hành (pitong xylanh chân không) hoạt động không bị ảnh hưởng bởi độ chân không bị thấp thì trong mạch chân không có bố trí một van một chiều.
3. Cơ cấu khóa moay ơ là một bộ phận cơ học được đặt ở phía bên trái của cầu trước với chức năng là thực hiện công việc khóa hai bánh xe trước với hộp vi sai hoặc để hai bánh xe đó quay tự do.
Hoạt động của các bộ phận của cơ cấu khóa moay ơ
Bộ phận điện của cơ cấu khóa moay ơ
|
Tên các bộ phận |
Chức năng |
||
|
Bộ điều khiển khóa moay ơ RFW |
Truyền tín hiệu ON/OFFđến hai van từ và đèn cảnh báo“RFW” để khoá hoặc không khoá hai moay ơ. Điều này tuỳ thuộc vào tín hiệu gửi về của một số công tắc. |
||
|
Tín hiệu vào |
Công tắc vị trí trung gian hộp số phụ |
Xác định vị trí trung gian của cần gài cầu |
|
|
Công tắc đèn cảnh báo 4 x 4 |
Xác định vị trí (2H) của cần gài cầu |
||
|
Công tắc của cơ cấu khóa moay ơ |
Xác định hai moay ơ đang bị khoá |
||
|
Công tắc chính RFW |
Bỏ chế độ khoá |
||
|
Tín hiệu ra |
Van từ |
ON/OFF bởi tín hiệu điện truyền từ bộ điều khiển Đ/khiển cơ cấu khóa moay ơ (khóa hay không) |
|
|
|
Khoá |
ON Khi khoá |
|
|
Nhả |
OFF Khi không khoá |
||
|
Đèn cảnh báo 4 x 4 |
Sáng khi 4H hoặc khi 4L |
||
|
Đèn cảnh báo “RFW” |
Sáng khi cơ cấu moay ơ thực hiện khóa. |
||
Những bộ phận cơ học của cơ cấu khóa moay ơ
|
Tên các bộ phận |
|
|
Cần gài cầu |
Cài đặt vị trí hoạt động 2H ,4H , N , 4L cho hộp phân phối |
|
Cơ cấu khóa moay ơ |
Truyền chuyển động từ trục các đăng ra hai bánh xe trước |
|
Bộ thừa hành |
Thực hiện khóa hoặc không khóa |
|
Van kiểm tra một chiều |
Ngăn ngừa rò rỉ chân không |
Chức năng và mối quan hệ giữa các bộ phận của cơ cấu khóa moay ơ
|
Bộ phận
Điều khiển bởi |
Tín hiệu vào |
Tín hiệu ra |
||||||
|
Công tắc trung gian |
C/tăc đèn 4x4 |
C/tắc khóa moay ơ |
Công tắc chính RFW |
Van từ khóa |
Van từ không khóa |
Đèn cảnh báo 4x4 |
Đèn c/báo RFW |
|
|
Lái xe |
X |
X |
|
X |
|
|
|
|
|
Cụm RFW |
|
|
X |
|
|
|
|
|
|
Bộ RFW |
|
|
|
|
X |
X |
X |
X |
Hoạt động cơ học của cơ cấu khóa moay ơ
Cơ cấu khóa moay ơ ở trạng thái tự do (Free)

1 Hộp vi sai cầu trước 5 Trục truyền động ra b/xe trước
2 Bánh răng hành tinh 6 Bánh răng quả dứa
3 Trục dẫn động 7 Cơ cấu khóa moay ơ
4 ống trượt 8 Bộ thừa hành
• Bộ thừa hành thuộc cơ cấu khóa moay ơ kéo ống trượt ra khỏi trục dẫn động, cho phép hộp vi sai cầu trước quay tự do không truyền lực ra hai bánh xe trước.
• Chuyển động quay của bánh xe trước bên phải sẽ biến thành chuyển động quay của của những bánh răng hành tinh. Vì vậy mà bánh răng vành chậu, bánh răng quả dứa và trục các đăng trước không quay.
Cơ cấu khóa moay ơ ở trạng thái khóa (Lock)

1 Hộp vi sai cầu trước 5 Cơ cấu khóa moay ơ
2 Trục dẫn động 6 Bộ thừa hành
3 ống trượt 7 Trục các đăng trước
4 Trục truyền động ra b/xe trước
• Bộ thừa hành đẩy ống trượt về phía phải để gài khớp với hộp vi sai và thực hiện truyền động ra hai bánh xe trước.
• Nếu ống trượt và trục dẫn động bên phía hộp vi sai chưa ăn khớp, bộ thừa hành sẽ tăng lực ép cho đến khi việc ăn khớp được thực hiện.
• Chuyển động quay của trục các đăng trước sẽ truyền đến hộp vi sai cầu trước và ra hai bánh xe trước.
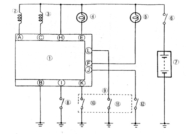
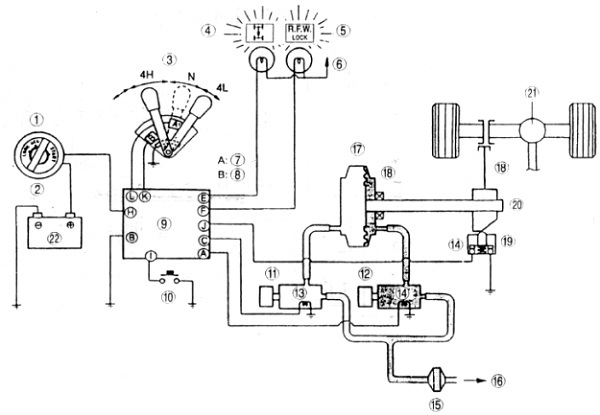
Mạch điều khiển điện tử

1 Bộ điều khiển 7 Ăc qui
2 Van từ ‘lock’ 8 Công tắc chính RFW
3 Van từ ‘ Free’ 9 Những công tắc ở hộp số phụ
4 Đèn cảnh báo 4 x 4 10 Công tăc 4 x 4
5 Đèn cảnh báo RFW 11 Công tắc trung gian
6 Chìa khóa điện 12 Công tắc báo khóa moay ơ
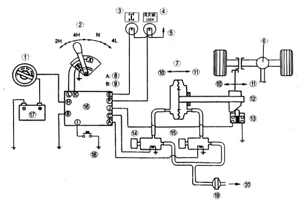
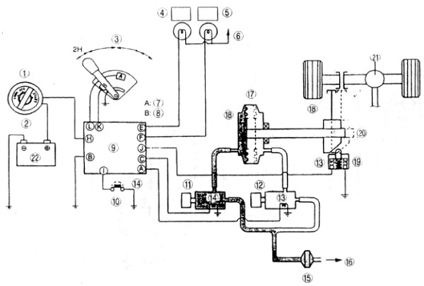
Sơ đồ Hệ thống điều khiển điện tử

1 Chìa khóa điện 12 Cơ cấu khóa moay ơ
2 Tay điều gài cầu 13 Công tắc báo khóa moay ơ
3 Đèn cảnh báo 4 x 4 14 Van từ ‘Free’ vị trí không khóa
4 Đèn cảnh báo RFW 15 Van từ ‘lock’ vị trí khóa
5 Đến ắc qui 16 Bộ điều khiển
6 Hộp vi sai cầu trước 17 Ăc qui
7 Bộ thừa hành 18 Công tắc chính RFW
8 Công tắc vị trí"N" hộp số phụ 19 Van kiểm tra một chiều
9 Công tắc 4 x 4 20 Đến bơm chân không
10 Free (vị trí không khoá)
11 Lock (vị trí khóa)
Hoạt động Hệ thống điều khiển điện tử
Chuyển từ 2H (free) - 4H.(Cơ cấu khoá moay ơ không hoạt động = Free

1 Chìa khóa điện 12 Van từ (Lock)
2 Vị trí ON 13 OFF
3 Tay gài cầu 14 Van một chiều
4 Đèn cảnh báo 4 x 4 15 Đến bơm chân không
5 Đèn cảnh báo RFW 16 Bộ thừa hành
6 Đến ắc qui 17 Bộ thừa hành ở vị trí khóa
7 Công tắc "N" ở vị trí OFF 18 Công tắc báo khóa moay ơ
8 Công tắc "4 x 4" ở vị trí OFF 19 Cơ cấu khóa moay ơ
9 Bộ điều khiển 20 Hộp ví sai cầu trước
10 Công tắc chính RFW 21 Ăc qui
11 Van từ ‘ Free’
|
Bộ phận điều khiển |
Tín hiệu vào |
Tín hiệu ra |
Vị trí bộ thừa hành |
||||||
|
Công tắc trung gian |
C/tăc c / báo 4x4 |
Công tắc báo khóa moay ơ |
Công tắc chính RFW |
Van từ Lock |
Van từ Free |
Đèn c/ báo 4x4 |
Đèn c/báo Lock |
||
|
¯2H – F |
OFF |
ON |
OFF |
- |
OFF |
ON |
OFF |
OFF |
Free |
|
4H – L1 |
OFF |
OFF |
OFF |
- |
ON |
OFF |
ON |
OFF |
Lock |
|
¯4H – L |
OFF |
OFF |
ON |
- |
ON |
OFF |
ON |
ON |
Lock |
Khi cần điều khiển cầu chuyển từ 2H (ứng với 2H – F trong bộ điều khiển) đến 4H, công tắc đèn cảnh báo 4 x 4 trong hộp phân phối chuyển từ ON đến OFF. Với kết quả là bộ điều khiển thiết lập một chương trình 4H – L1, van từ “Lock” ở vị trí ON, làm cho bộ thừa hành khoá trục dẫn động của hộp vi sai cầu trước với trục truyền động ra bánh xe trước, cùng thời điểm này đèn cảnh báo 4 x 4 sáng. Khi cơ cấu khóa moay ơ thực hiện hoàn chỉnh thao tác khóa, công tắc khóa moay ơ nằm ở vị trí ON và chương trình 4H – L được thiết lập trong bộ điều khiển RFW. Đèn cảnh báo RFW sáng lên báo cho lái xe biết rằng hai bánh xe trước đang được dẫn động từ hộp vi sai cầu trước.
Chuyển từ 4H - 2H ”Lock” “Cơ khóa moay ơ không hoạt động (Lock)

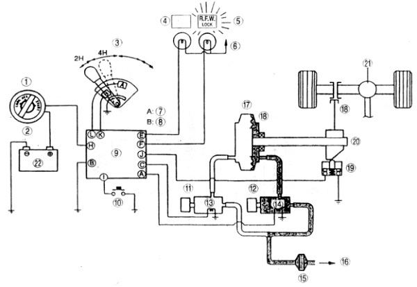
1 Chìa khóa điện 12 Van từ (Lock)
2 Vị trí ON 13 OFF
3 Tay gài cầu 14 ON
4 Đèn cảnh báo 4 x 4 15 Van kiểm tra một chiều
5 Đèn cảnh báo RFW 16 Đến bơm chân không
6 Đến ắc qui 17 Bộ thừa hành
7 Công tắc "N" ở vị trí OFF 18 Bộ thừa hành ở vị trí khóa
8 Công tắc "4 x 4" ở vị trí ON 19 Công tắc bóa khóa moay ơ
9 Bộ điều khiển 20 Cơ cấu khóa
10 Công tắc chính RFW 21 Hộp vi sai cầu trước
11 Van từ ‘ Free’ 22 Ăc qui
|
Bộ phận Điều khiển |
Tín hiệu vào |
Tín hiệu ra |
Vị trí bộ thừa hành |
||||||
|
Công tắc trung gian |
Đèn c / báo 4x4 |
Công tắc báo khóa moay ơ |
Công tắc chính RFW |
Van từ Lock |
Van từ Free |
Đèn c/ báo 4x4 |
Đèn c/báo RFW |
||
|
¯4H – L |
OFF |
OFF |
ON |
- |
ON |
OFF |
ON |
ON |
Free |
|
2H – L |
OFF |
ON |
ON |
OFF |
ON |
OFF |
OFF |
ON |
Lock |
Khi cần gài cầu chuyển từ 4H (ứng với 4H – L trong bộ điều khiển) đến 2H “Lock”, công tắc đèn cảnh báo 4 x 4 trong hộp số phụ chuyển từ OFF sang ON. Nếu công tắc chính RFW ở vị trí OFF, chương trình 2H – L được thiết lập, van từ “Lock” duy trì ở vị trí ON bộ thừa hành nằm ở vị trí khóa.
Nếu tại thời điểm này công tăc chính RFW được nhấn xuống thì cũng không ảnh hưởng gì đến bộ thừa hành.
Chuyển từ 2H (Lock) – 2H (Free)

1 Chìa khóa điện 12 Van từ (Lock)
2 Vị trí ON 13 OFF
3 Tay gài cầu 14 ON
4 Đèn cảnh báo 4 x 4 15 Van kiểm tra một chiều
5 Đèn cảnh báo RFW 16 Đến bơm chân không
6 Đến ắc qui 17 Bộ thừa hành
7 Công tắc "N" ở vị trí OFF 18 Bộ thừa hành ở vị trí không khóa
8 Công tắc "4 x 4" ở vị trí ON 19 Công tắc báo khóa moay ơ
9 Bộ điều khiển 20 Cơ cấu khóa moay ơ
10 Công tắc chính RFW 21 Hộp vi sai cầu trước
11 Van từ ‘ Free’ 22 Ăc qui
|
Bộ phận Điều khiển |
Tín hiệu vào |
Tín hiệu ra |
Vị trí bộ thừa hành |
||||||
|
Công tắc trung gian |
C/tăc c / báo 4x4 |
Công tắc báo khóa moayơ |
Công tắc chính RFW |
Van từ Lock |
Van từ Free |
Đèn c/ báo 4x4 |
Đèn c/báo RFW |
||
|
¯2H – L |
OFF |
ON |
ON |
OFF |
ON |
OFF |
OFF |
ON |
Lock |
|
2H – F1 |
OFF |
ON |
ON |
0N |
OFF |
ON |
OFF |
OFF |
Free |
|
¯2H – F |
OFF |
ON |
ON |
- |
OFF |
ON |
OFF |
OFF |
Free |
Khi ở điều kiện (2H–L), mà nhấn công tắc RFW xuống ON, thì chương trình 2H–F1 trong bộ điều khiển được thiết lập, đèn cảnh báo RFW tắt và tại thời điểm này Van từ “Free” nằm ở vị trí ON và bộ thừa hành kéo cơ cầu khóa về vị trí tự do. Khi cơ cấu khóa hoàn toàn nằm ở vị trí tự do, công tắc báo khóa moay ơ trở về vị trí OFF, điều kiện 2H – F được thiết lập trong bộ điều khiển.
Chuyển từ 4H – 4L và ngược lại

1 Chìa khóa điện 12 Van từ (Lock)
2 Vị trí ON 13 OFF
3 Tay gài cầu 14 ON
4 Đèn cảnh báo 4 x 4 15 Van kiểm tra một chiều
5 Đèn cảnh báo RFW 16 Đến bơm chân không
6 Đến ắc qui 17 Bộ thừa hành
7 Công tắc "N" ở vị trí ON 18 Bộ thừa hành ở vị trí khóa
8 Công tắc "4 x 4" ở vị trí ON 19 Công tắc báo khóa moay ơ.
9 Bộ điều khiển 20 Cơ cấu khóa moay ơ
10 Công tắc chính RFW 21 Hộp vi sai cầu trước
11 Van từ ‘ Free’ 22 Ăc qui
|
Bộ phận Điều khiển |
Tín hiệu vào |
Tín hiệu ra |
Vị trí bộ thừa hành |
||||||
|
Công tắc trung gian |
C/tac đèn c / báo 4x4 |
Công tắc báo khóa moay ơ |
Công tắc chính RFW |
Van từ Lock |
Van từ Free |
Đèn c/ báo 4x4 |
Đèn c/báo Lock |
||
|
4H – L |
OFF |
OFF |
ON |
- |
ON |
OFF |
ON |
ON |
Lock |
|
¯N |
ON |
OFF |
ON |
- |
ON |
OFF |
OFF |
ON |
Lock |
khi cần điều khiển chuyển từ 4H đến 4L và ngược lại ( cả hai đều ứng với điều kiện 4H – L ở bộ điều khiển), khi đi qua vị trí trung gian ở giữ hành trình từ 4H – 4L lúc này công tắc trung gian “N” ở hộp số phụ bầt lên “ON”tại một thời điểm rất ngắn đèn cảnh báo 4 x 4 sẽ tắt.Trong thời gian hoạt động ở hai vị trí 4H và 4L van từ “Lock” ở vị trí “ON” bộ thừa hành nằm ở vị trí khóa. Nếu nhấn công tắc RFW tại thời điểm này thì không có tác dụng gì đến bộ phận thừa hành.
Chìa khóa điện xoay từ OFF ON

1 Chìa khóa điện 12 Van từ (Lock)
2 OFF - ON 13 Van kiểm tra một chiều
3 Tay gài cầu 14 Đến bơm chân không
4 Đèn cảnh báo 4 x 4 15 Bộ thừa hành ( xy lanh chân không)
5 Đèn cảnh báo RFW 16 Chiều không khóa
6 Đến ắc qui 17 Chiều khóa
7 Công tắc "N" của hộp số phụ . 18 ON / OFF
8 Công tắc "4 x 4" 19 Công tắc báo khóa moay ơ
9 Bộ điều khiển 20 Cơ cấu khóa moay ơ
10 Công tắc chính RFW 21 Hộp vi sai cầu trước
11 Van từ ‘ Free’ 22 Ăc qui
|
Bộ phận Điều khiển |
Tín hiệu vào |
Tín hiệu ra |
Vị trí bộ thừa hành |
||||||
|
Công tắc trung gian |
Đèn c / báo 4x4 |
Công tắc báo khóa moay ơ |
Công tắc chính RFW |
Van từ Lock |
Van từ Free |
Đèn c/ báo 4x4 |
Đèn c/báo Lock |
||
|
4H – L |
OFF |
OFF |
ON |
- |
ON |
OFF |
ON |
ON |
Lock |
|
2H – L |
OFF |
ON |
OFF |
- |
OFF |
ON |
OFF |
OFF |
Free |
|
2H – L |
OFF |
ON |
ON |
OFF |
ON |
OFF |
OFF |
OFF |
Lock |
Khi chìa khóa điện quay từ vị trí OFF ON, những công tắc, những van từ hoạt động giống như chương trình mà trước khi tắt.
Tin tức nổi bật
Sửa các lỗi màn hình ô tô
Đèn Báo Lỗi Động Cơ Sáng Trên Ô Tô - Lỗi nhiều chủ xe thường gặp phải
Nguyên nhân & cách xử lý: Ô tô bị ì, vòng tua cao nhưng tốc độ thấp
Sửa Xe Vios Điều Hòa Ô Tô Không Mát & Tiếng Rít Từ Động Cơ
Xử lý chảy dầu và đại tu hệ thống gầm xe ô tô
Nguyên nhân, dấu hiệu & cách khắc phục xe ô tô báo lỗi khí thải
Lỗi chống trơn trượt, cân bằng điện tử ESP
Dấu hiệu hỏng giảm xóc & cách sửa chữa, bảo dưỡng, thay thế
Xe vào số bị giật khi khởi động và sau khi đi ổn định
Tại sao cần vệ sinh họng nạp & van egr ? Hậu quả ? Phương pháp bắn trấu?
BẢNG GIÁ BÌNH ẮC QUY VARTA NĂM 2024
Báo giá sửa chữa xe công trình năm 2024
Sửa chữa điều hòa ô tô