
Kiến thức không thể bỏ qua về "Hệ thống nhiên liệu Diesel"
Hệ thống nhiên liệu Diesel là gì ?
Hệ thống nhiên liệu Diesel là tập hợp các chi tiết phụ tùng làm nhiêm vụ cung cấp nhiên liệu chính là dầu Diesel cho động cơ Diesel. Diễn biến chu trình công tác của động cơ Diesel chủ yếu phụ thuộc vào tình hình hoạt động của thiết bị cung cấp nhiên liệu. Tốc độ tỏa nhiệt của nhiên liệu và đạng đường cong của áp suất môi chất công tác trong quá trình cháy biến thiên theo góc quay trục khuỷu chủ yếu phụ thuộc vào những yếu tố sau:
- Thời điểm bắt đầu phun nhiên liệu (góc phun sớm (p):
- Biến thiên của tốc độ phun (quy luật cấp nhiên liệu).
- Chất lượng phun (thể hiện bằng mức phun nhỏ và đều).
- Sự hòa trộn giữa nhiên liệu và không khí trong buồng cháy.
Góc phun sóm của các loại động cơ Diesel vào khoảng 10 độ đến 30 độ góc quay trục khuỷu trước điểm chết trên. Thời gian cung cấp nhiên liệu kéo dài khoảng 20 độ - 45 độ góc quay trục khuỷu. Trong khoảng thời gian ấy áp suất nhiên liệu trong ống dẫn nhiên liệu đến bơm cao áp tăng từ 0,15 + 0,2 [MN/m2| đến vài chục MN/m2 trong vòi phun.
Áp suất phun nhỏ nhất cần đắm bảo yêu cầu phun nhỏ và phun đều của nhiên liệu, nó
phụ thuộc vào cấu tạo của vòi phun và cường độ vận động xoáy lốc của môi chất trong
buồng cháy khi phun nhiên liệu. Trên thực tế thưởng không nhỏ hơn 10 [MN/m?|.
Áp suất lớn nhất thường không vượt quá 40 ~ 50 [MN/m2|vì nếu lớn hơn nữa sẽ gây ra những khó khăn không cần thiết về mặt công nghệ chế tạo, ảnh hưởng xấu tới tuổi thọ của bơm cao áp và vòi phun mặc dù chất lượng phun có thế được cải thiện chút ít. Tuy nhiên do có yêu cầu cao về tốc độ cấp nhiên liệu, nên trong một vải trường hợp cá biệt áp suất phun cực đại có thể tới 150 + 200 [MN/ml].
Nhiệm vụ hệ thống nhiên liệu Diesel
- Chứa nhiên liệu dự trổ, đắm bảo cho động cơ hoạt động liên tục trong một khoảng
thời gian quy định.
- Lọc sạch nước và các tạp chất cơ học nhiên liệu.
- Cung cấp lượng nhiên liệu cần thiết cho mỗi chu trình ứng với chế độ làm việc quy
định của động cơ.
- Cung cấp nhiên liệu đồng đều vào các xy lanh theo trình tự làm việc quy định của
động cơ.
- Cung cấp nhiên liệu vào xy lanh động cơ đúng lúc theo một quy luật đã định.
- Phun tơi và phân bố đều hơi nhiên liệu trong thế tích môi chất trong buồng cháy.
Yêu cầu hệ thống nhiên liệu Diesel
- Bên và có độ tin cậy cao.
- Dễ chế tạo, giá thành chế tạo rẻ.
- Dễ dàng và thuận tiện trong việc tháo lắp, bảo dưỡng.
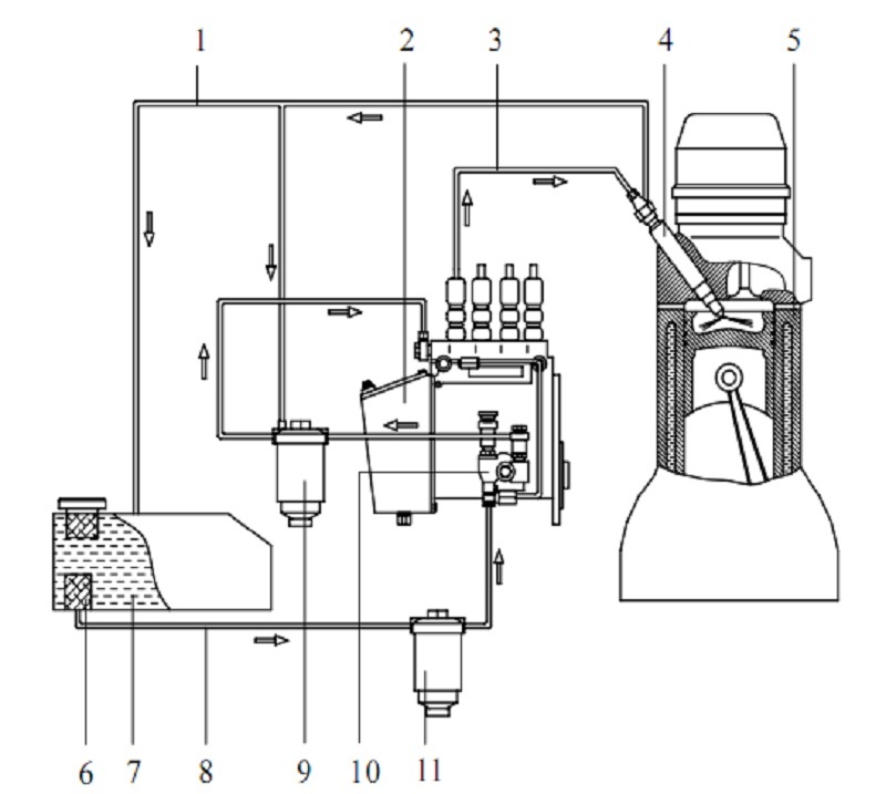
SƠ ĐỒ BỐ TRÍ CHUNG CỦA HỆ THỐNG NHIÊN LIỆU ĐỘNG CƠ DIESEL

Hình 9.16 - Sơ đồ hệ thống nhiên liệu động cơ diesel.
1-Đường dẫn nhiên liệu hồi; 2-Bơm cao áp; 3-Đường ống cao áp; 4-Vỏi phun; 5-Xy
lanh động cơ; 6-Miệng hút nhiên liệu; 7-Thùng chứa nhiên liệu; 8-Đường ống thấp áp; 9-Bầu lọc tinh; 10-Bơm chuyến nhiên liệu; 11-Bầu lọc thô.
Nguyên lý hoạt động hệ thống nhiên liệu diesel
Bơm chuyển nhiên liệu 10 hút nhiên liệu từ bình chứa 7 qua lọc thô 11 vào bơm
chuyển nhiên liệu rồi được bơm qua bầu lọc tỉnh 9, tới bơm cao áp 2. Các bầu lọc thô và
lọc tinh lọc sạch nước, bụi bấn trong nhiên liệu. Bơm cao áp đấy nhiên liệu đi tiếp vào
đường ống cao áp 3, tới vòi phun 4 để phun nhiên liệu vào buồng cháy động cơ. Nhiên
liệu dư thừa trong vòi phun đi qua đường I trở về cửa hút của bơm chuyển nhiên liệu, một phần nhiên liệu thửa trong vỏi phun trổ về thùng chứa nhiên liệu.
Tin tức nổi bật
Chênh lệch giá vàng trong nước và thế giới 14/4/2026
Cách quy đổi giá vàng thế giới
Vàng miếng, vàng thỏi, vàng nguyên liệu là gì?
Giá vàng, bạc áp lực giảm do lo ngại lạm phát (theo kitco.com)
So sánh giá vàng Sjc, Doji, Pnj, Phú Quý hôm nay