
Mã lỗi C1273, C1274, C1277, C1278, C1415, C1416 code - Lỗi tín hiệu đầu vào, ra của cảm biến tốc độ sau phải
C1273 Tín hiệu đầu ra của cảm biến tốc độ sau phải thấp (mã lỗi trong Chế độ kiểm tra)
C1274 Tín hiệu đầu ra của cảm biến tốc độ sau trái thấp (mã lỗi trong Chế độ kiểm tra)
C1277 Thay đổi bất thường trong tín hiệu đầu ra của cảm biến tốc độ sau phải (mã lỗi trong chế độ kiểm tra)
C1278 Thay đổi bất thường trong tín hiệu đầu ra của cảm biến tốc độ sau trái (mã lỗi trong chế độ kiểm tra)
C1415 Tín hiệu ra của cảm biến tốc độ phía sau phải bị lỗi
C1416 Tín hiệu ra của cảm biến tốc độ phía sau trái bị lỗi
Mô tả Mã lỗi C1273, C1274, C1277, C1278, C1415, C1416 code
Các cảm biến tốc độ sẽ xác định tốc độ của các bánh xe và gửi các tín hiệu đến ECU điều khiển trượt (bộ chấp hành phanh). Những tín hiệu này cũng được dùng cho hệ thống ABS.
Các rôto cảm biến tốc độ có 2 hàng cực nam châm bắc N và Nam S xen kẽ nhau. Các cảm biến tốc độ kiểu mạch tích hợp IC Hall dùng tần số của xung phát ra để phát hiện tốc độ xe. Vì cảm biến phát ra xung, nó có thể phát hiện được tốc độ xe thậm chí khi xe gần như dừng hẳn.
Các mã lỗi C1273, C1274, C1277 và C1278 được xóa sạch khi cảm biến tốc độ gửi một tín hiệu tốc độ xe hoặc khi chế độ thử kết thúc. Các mã C1273, C1274, C1277 và C1278 chỉ phát ra trong chế độ Kiểm tra.
GỢI Ý:Kiểm tra tình trạng kết nối giữa giắc cắm cảm biến và dây điện của xe.
| Số mã lỗi | Hạng mục phát hiện | Điều kiện phát hiện mã lỗi | Khu vực nghi ngờ |
|---|---|---|---|
| C1273 | Tín hiệu đầu ra của cảm biến tốc độ sau phải thấp (mã lỗi trong Chế độ kiểm tra) | Chỉ xuất hiện trong Chế độ kiểm tra. |
·Cảm biến tốc độ sau phải (cụm vòng bi và moayơ cầu sau phải) ·Lắp cảm biến ·Rôto của cảm biến tốc độ sau phải (cụm vòng bi và moayơ cầu sau bên phải) |
| C1274 | Tín hiệu đầu ra của cảm biến tốc độ sau trái thấp (mã lỗi trong Chế độ kiểm tra) | Chỉ xuất hiện trong Chế độ kiểm tra. |
·Cảm biến tốc độ sau trái (cụm vòng bi và moayơ cầu sau trái) ·Lắp cảm biến ·Rôto của cảm biến tốc độ sau trái (cụm vòng bi và moayơ cầu sau bên trái) |
| C1277 | Thay đổi bất thường trong tín hiệu đầu ra của cảm biến tốc độ sau phải (mã lỗi trong chế độ kiểm tra) | Chỉ xuất hiện trong Chế độ kiểm tra. | Rôto của cảm biến tốc độ sau phải (cụm vòng bi và moayơ cầu sau bên phải) |
| C1278 | Thay đổi bất thường trong tín hiệu đầu ra của cảm biến tốc độ sau trái (mã lỗi trong chế độ kiểm tra) | Chỉ xuất hiện trong Chế độ kiểm tra. | Rôto của cảm biến tốc độ sau trái (cụm vòng bi và moayơ cầu sau bên trái) |
| C1415 | Tín hiệu ra của cảm biến tốc độ phía sau phải bị lỗi | Khi có bất kỳ điều kiện nào sau đây được phát hiện:
1.Hở mạch trong mạch tín hiệu của cảm biến trong khu vực lỗi xuất hiện 255 lần trở lên. 2.Lái xe ở tốc độ từ 20 km/h trở lên, tín hiệu của cảm biến bị nhiễu liên tục 75 lần trở lên trong 5 giây. 3.Khi xe đạt tốc độ từ 10 km/h trở lên, xuất hiện tín hiệu nhiễu trên mỗi vòng quay của rô to trong 15 giây trở lên. |
·Cảm biến tốc độ sau phải (cụm vòng bi và moayơ cầu sau phải) ·Mạch cảm biến tốc độ ·Lắp cảm biến ·Rôto của cảm biến tốc độ sau phải (cụm vòng bi và moayơ cầu sau bên phải) ·ECU kiểm soát trượt (Bộ chấp hành phanh) |
| C1416 | Tín hiệu ra của cảm biến tốc độ phía sau trái bị lỗi | Khi có bất kỳ điều kiện nào sau đây được phát hiện:
1.Hở mạch trong mạch tín hiệu của cảm biến trong khu vực lỗi xuất hiện 255 lần trở lên. 2.Lái xe ở tốc độ từ 20 km/h trở lên, tín hiệu của cảm biến bị nhiễu liên tục 75 lần trở lên trong 5 giây. 3.Khi xe đạt tốc độ từ 10 km/h trở lên, xuất hiện tín hiệu nhiễu trên mỗi vòng quay của rô to trong 15 giây trở lên. |
·Cảm biến tốc độ sau trái (cụm vòng bi và moayơ cầu sau trái) ·Mạch cảm biến tốc độ ·Lắp cảm biến ·Rôto của cảm biến tốc độ sau trái (cụm vòng bi và moayơ cầu sau bên trái) ·ECU kiểm soát trượt (Bộ chấp hành phanh) |
GỢI Ý:
Cho mã lỗi C1415 và C1416: Ngay sau khi khắc phục vùng hư hỏng, thì đèn cảnh báo ABS sẽ không tắt trừ khi tiến hành các thao tác sau.
1.Lái xe ở tốc độ 20 km/h trong 30 giây hoặc hơn và kiểm tra rằng đèn báo ABS tắt.
2.Xóa các mã lỗi.
GỢI Ý:
·Mã lỗi C1415 là của cảm biến tốc độ sau phải.
·Mã lỗi C1416 là của cảm biến tốc độ sau trái.
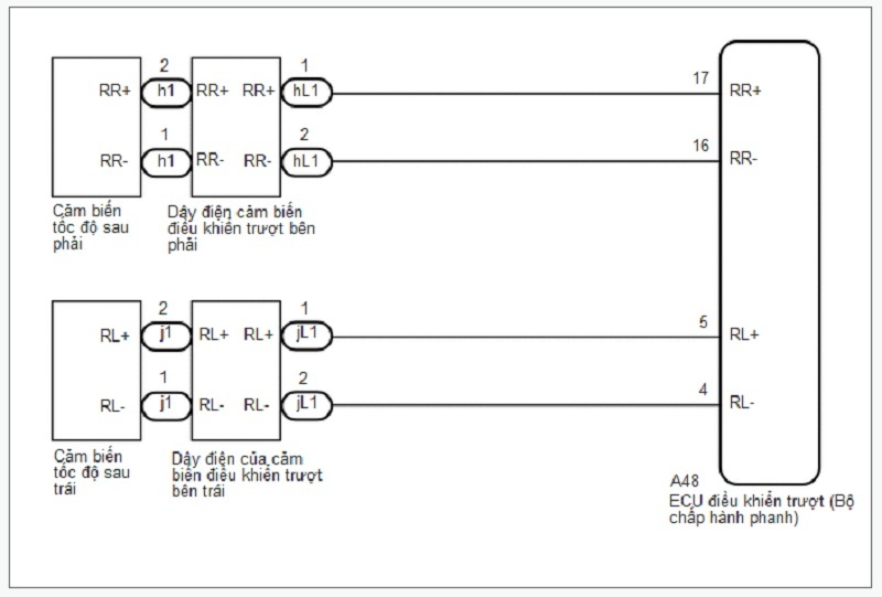
Sơ đồ mạch điện xử lý Mã lỗi C1273, C1274, C1277, C1278, C1415, C1416 code

Quy trình xử lý Mã lỗi C1273, C1274, C1277, C1278, C1415, C1416 code
1.KIỂM TRA DÂY ĐIỆN VÀ GIẮC NỐI (TÌNH TRẠNG GIÁN ĐOẠN TRONG CHỐC LÁT)
a.Dùng GTS, kiểm tra xem gián đoạn trong chốc lát trong dây điện và giắc nối có ứng với một mã lỗi không.
Chassis > ABS/VSC/TRC > Data List
| Hiển thị của máy chẩn đoán | Hạng Mục Đo | Phạm vi | Điều kiện bình thường | Ghi chú |
|---|---|---|---|---|
| Hở mạch tốc độ sau phải | Phát hiện cảm biến tốc độ sau phải bị hở mạch | Lỗi hoặc Bình thường | Error: Gián đoạn trong chốc lát Normal: Bình thường |
- |
| Hở mạch tốc độ sau trái | Phát hiện cảm biến tốc độ sau trái bị hở mạch | Lỗi hoặc Bình thường | Error: Gián đoạn trong chốc lát Normal: Bình thường |
- |
Chassis > ABS/VSC/TRC > Data List
| Hiển thị của máy chẩn đoán |
|---|
| Hở mạch tốc độ sau phải |
| Hở mạch tốc độ sau trái |
OK:Không có tình trạng gián đoạn chốc lát.
GỢI Ý:Hãy thực hiện các phép kiểm tra trên trước khi tháo cảm biến và giắc nối.
Kết quả:
| Chuyển đến |
|---|
| OK |
| NG |
OK 2.ĐỌC GIÁ TRỊ BẰNG MÁY CHẨN ĐOÁN (CẢM BIẾN TỐC ĐỘ PHÍA SAU)
NG 4.KIỂM TRA TÌNH TRẠNG LẮP CỦA CẢM BIẾN TỐC ĐỘ PHÍA SAU
2.ĐỌC GIÁ TRỊ BẰNG MÁY CHẨN ĐOÁN (CẢM BIẾN TỐC ĐỘ PHÍA SAU)
a.Tắt khoá điện OFF.
b.Nối máy chẩn đoán GTS với giắc DLC3.
c.Khởi động động cơ.
d.Hãy chọn danh mục dữ liệu bằng cách dùng máy chẩn đoán.
Chassis > ABS/VSC/TRC > Data List
| Hiển thị của máy chẩn đoán | Hạng Mục Đo | Phạm vi | Điều kiện bình thường | Ghi chú |
|---|---|---|---|---|
| Tốc độ bánh xe sau phải | Tín hiệu của cảm biến tốc độ bánh sau phải | Min.: 0 km/h , Max.: 326 km/h | Xe đang đỗ: 0 km/h | Lái xe ở tốc độ không đổi: Không có dao động lớn |
| Tốc độ bánh xe sau trái | Tín hiệu của cảm biến tốc độ bánh sau trái | Min.: 0 km/h , Max.: 326 km/h | Xe đang đỗ: 0 km/h | Lái xe ở tốc độ không đổi: Không có dao động lớn |
Chassis > ABS/VSC/TRC > Data List
| Hiển thị của máy chẩn đoán |
|---|
| Tốc độ bánh xe sau phải |
| Tốc độ bánh xe sau trái |
e.Kiểm tra giá trị tốc độ phát ra từ cảm biến tốc độ hiển thị trên GTS.
GỢI Ý:Những nhân tố ảnh hưởng đến việc chỉ báo tốc độ xe bao gồm cỡ lốp, áp suất và độ mòn của lốp. Tốc độ báo trên đồng hồ tốc độ xe có một sai số có thể chấp nhận được. Điều này có thể được kiểm tra bằng cách dùng máy thử đồng hồ tốc độ (ca líp bằng máy thử động lực học gầm xe). Để biết thêm chi tiết về việc kiểm tra và sai số, hãy tham khảo bảng sau.
OK:Giá trị tốc độ phát ra từ cảm biến tốc độ được hiển thị trên GTS là tương tự với tốc độ được chỉ báo trên đồng hồ tốc độ.
Kết quả:
| Chuyển đến |
|---|
| OK |
| NG |
OK 3.XÁC NHẬN LẠI MÃ LỖI
NG 4.KIỂM TRA TÌNH TRẠNG LẮP CỦA CẢM BIẾN TỐC ĐỘ PHÍA SAU
3.XÁC NHẬN LẠI MÃ LỖI
a.Tắt khoá điện OFF.
b.Xóa các mã lỗi.
Chassis > ABS/VSC/TRC > Clear DTCs
c.Tắt khoá điện OFF.
d.Khởi động động cơ.
e.Tiến hành lái thử xe trên đường.
f.Hãy kiểm tra nếu mã lỗi tương tự phát ra.
Chassis > ABS/VSC/TRC > Trouble Codes
Kết quả:
| Kết quả | Chuyển đến |
|---|---|
| Các mã lỗi C1415 và C1416 không xuất hiện. | A |
| Các mã lỗi C1415 và/hoặc C1416 xuất hiện. | B |
GỢI Ý:Nếu đã thực hiện việc chẩn đoán theo bảng các triệu chứng hư hỏng, hãy tham khảo lại bảng và thực hiện bước tiếp theo trước khi thay thế chi tiết.
A DÙNG PHƯƠNG PHÁP MÔ PHỎNG ĐỂ KIỂM TRA
B THAY BỘ CHẤP HÀNH PHANH
4.KIỂM TRA TÌNH TRẠNG LẮP CỦA CẢM BIẾN TỐC ĐỘ PHÍA SAU
a.

Tắt khoá điện OFF.
b.Kiểm tra tình trạng lắp cảm biến tốc độ.
OK:Không có khe hở giữa cảm biến và vỏ cầu sau.
Kết quả:
| Chuyển đến |
|---|
| OK |
| NG |
OK 5.KIỂM TRA DÂY ĐIỆN CỦA CẢM BIẾN ĐIỀU KHIỂN TRƯỢT
NG LẮP CHÍNH XÁC CẢM BIẾN TỐC ĐỘ PHÍA SAU
5.KIỂM TRA DÂY ĐIỆN CỦA CẢM BIẾN ĐIỀU KHIỂN TRƯỢT
a.

| *A | RH |
| *B | LH |
| *a | Phía trước của dây điện biến điều khiển trượt. |
| *b | Hãy xem phía trước cảu giắc cắm dây điện (tới giắc nối phía cảm biến) |
| *c | Hãy xem phía trước cảu giắc cắm dây điện (đến Giắc nối phía xe) |
Tắt khoá điện OFF.
b.Hãy chắc chắn rằng tại phần hãm và phần nối của các giắc không bị lỏng.
c.Ngắt dây điện của cảm biến kiểm soát trượt.
d.Đo điện trở dựa theo giá trị (các giá trị) trong bảng dưới đây.
Điện trở tiêu chuẩn:
-
phía bên phải Nối dụng cụ đo Điều kiện Điều kiện tiêu chuẩn h1-2 (RR+) - hL1-1 (RR+) Luôn luôn Dưới 1 Ω h1-2 (RR+) - hL1-2 (RR-) Luôn luôn 10 kΩ trở lên h1-2 (RR+) hoặc hL1-1 (RR+) - Mát thân xe Luôn luôn 10 kΩ trở lên h1-1 (RR-) - hL1-2 (RR-) Luôn luôn Dưới 1 Ω h1-1 (RR-) - hL1-1 (RR+) Luôn luôn 10 kΩ trở lên h1-1 (RR-) hoặc hL1-2 (RR-) - Mát thân xe Luôn luôn 10 kΩ trở lên -
phía bên trái Nối dụng cụ đo Điều kiện Điều kiện tiêu chuẩn j1-2 (RL+) - jL1-1 (RL+) Luôn luôn Dưới 1 Ω j1-2 (RL+) - jL1-2 (RL-) Luôn luôn 10 kΩ trở lên j1-2 (RL+) hoặc jL1-1 (RL+) - Mát thân xe Luôn luôn 10 kΩ trở lên j1-1 (RL-) - jL1-2 (RL-) Luôn luôn Dưới 1 Ω j1-1 (RL-) - jL1-1 (RL+) Luôn luôn 10 kΩ trở lên j1-1 (RL-) hoặc jL1-2 (RL-) - Mát thân xe Luôn luôn 10 kΩ trở lên
LƯU Ý:Kiểm tra tín hiệu của cảm biến tốc độ sau khi thay.
Kết quả:
| Chuyển đến |
|---|
| OK |
| NG |
OK 6.KIỂM TRA DÂY ĐIỆN VÀ GIẮC NỐI (BỘ CHẤP HÀNH PHANH - DÂY ĐIỆN CỦA CẢM BIẾN ĐIỀU KHIỂN TRƯỢT)
NG THAY DÂY ĐIỆN CẢM BIẾN ĐIỀU KHIỂN TRƯỢT
6.KIỂM TRA DÂY ĐIỆN VÀ GIẮC NỐI (BỘ CHẤP HÀNH PHANH - DÂY ĐIỆN CỦA CẢM BIẾN ĐIỀU KHIỂN TRƯỢT)
a.Hãy chắc chắn rằng phần hãm và phần nối của các giắc nối không bị lỏng.
b.Ngắt giắc nối A48 của ECU điều khiển trượt (bộ chấp hành phanh).
c.Đo điện trở dựa theo giá trị (các giá trị) trong bảng dưới đây.
Điện trở tiêu chuẩn:
-
phía bên phải Nối dụng cụ đo Điều kiện Điều kiện tiêu chuẩn A48-17 (RR+) - hL1-1 (RR+) Luôn luôn Dưới 1 Ω A48-17 (RR+) hoặc hL1-1 (RR+) - Mát thân xe Luôn luôn 10 kΩ trở lên A48-16 (RR-) - hL1-2 (RR-) Luôn luôn Dưới 1 Ω A48-16 (RR-) hoặc hL1-2 (RR-) - Mát thân xe Luôn luôn 10 kΩ trở lên -
phía bên trái Nối dụng cụ đo Điều kiện Điều kiện tiêu chuẩn A48-5 (RL+) - jL1-1 (RL+) Luôn luôn Dưới 1 Ω A48-5 (RL+) hoặc jL1-1 (RL+) - Mát thân xe Luôn luôn 10 kΩ trở lên A48-4 (RL-) - jL1-2 (RL-) Luôn luôn Dưới 1 Ω A48-4 (RL-) hoặc jL1-2 (RL-) - Mát thân xe Luôn luôn 10 kΩ trở lên
Kết quả:
| Chuyển đến |
|---|
| OK |
| NG |
OK 7.KIỂM TRA BỘ CHẤP HÀNH PHANH (TÍN HIỆU CẢM BIẾN)
NG SỬA CHỮA HAY THAY DÂY ĐIỆN HOẶC GIẮC NỐI
7.KIỂM TRA BỘ CHẤP HÀNH PHANH (TÍN HIỆU CẢM BIẾN)
a.

Nối lại giắc nối A48 của ECU điều khiển trượt (bộ chấp hành phanh).
b.Bật khoá điện ON.
c.Đo điện áp dựa theo các giá trị trong bảng dưới đây.
Điện áp tiêu chuẩn:
-
phía bên phải Nối dụng cụ đo Điều kiện Điều kiện tiêu chuẩn hL1-1 (RR+) - Mát thân xe Khoá điện ở vị trí ON 5.7 đến 14 V -
phía bên trái Nối dụng cụ đo Điều kiện Điều kiện tiêu chuẩn jL1-1 (RL+) - Mát thân xe Khoá điện ở vị trí ON 5.7 đến 14 V
LƯU Ý:Kiểm tra tín hiệu của cảm biến tốc độ sau khi thay.
GỢI Ý:
·Rôto cảm biến tốc độ phía sau và cảm biến tốc độ phía sau được gắn trong cụm moay ơ cầu sau và vòng bi.
Nếu cần phải thay thế rôto cảm biến tốc độ phía sau, hãy thay moay ơ cầu sau và cụm vòng bi cùng với cảm biến tốc độ phía sau.
·Nếu đã thực hiện việc chẩn đoán theo bảng các triệu chứng hư hỏng, hãy tham khảo lại bảng và thực hiện bước tiếp theo trước khi thay thế chi tiết.
Kết quả:
| Chuyển đến |
|---|
| OK |
| NG |
OK THAY MOAY Ơ VÀ VÒNG BI CẦU SAU CÙNG VỚI CẢM BIẾN TỐC ĐỘ PHÍA SAU
NG THAY BỘ CHẤP HÀNH PHANH
Tin tức nổi bật
Sửa các lỗi màn hình ô tô
Đèn Báo Lỗi Động Cơ Sáng Trên Ô Tô - Lỗi nhiều chủ xe thường gặp phải
Nguyên nhân & cách xử lý: Ô tô bị ì, vòng tua cao nhưng tốc độ thấp
Sửa Xe Vios Điều Hòa Ô Tô Không Mát & Tiếng Rít Từ Động Cơ
Xử lý chảy dầu và đại tu hệ thống gầm xe ô tô
Nguyên nhân, dấu hiệu & cách khắc phục xe ô tô báo lỗi khí thải
Lỗi chống trơn trượt, cân bằng điện tử ESP
Dấu hiệu hỏng giảm xóc & cách sửa chữa, bảo dưỡng, thay thế
Xe vào số bị giật khi khởi động và sau khi đi ổn định
Tại sao cần vệ sinh họng nạp & van egr ? Hậu quả ? Phương pháp bắn trấu?
BẢNG GIÁ BÌNH ẮC QUY VARTA NĂM 2024
Báo giá sửa chữa xe công trình năm 2024
Sửa chữa điều hòa ô tô