
Mã lỗi P0500 code

P0500 Cảm biến tốc độ xe
Mô tả Mã lỗi P0500 code
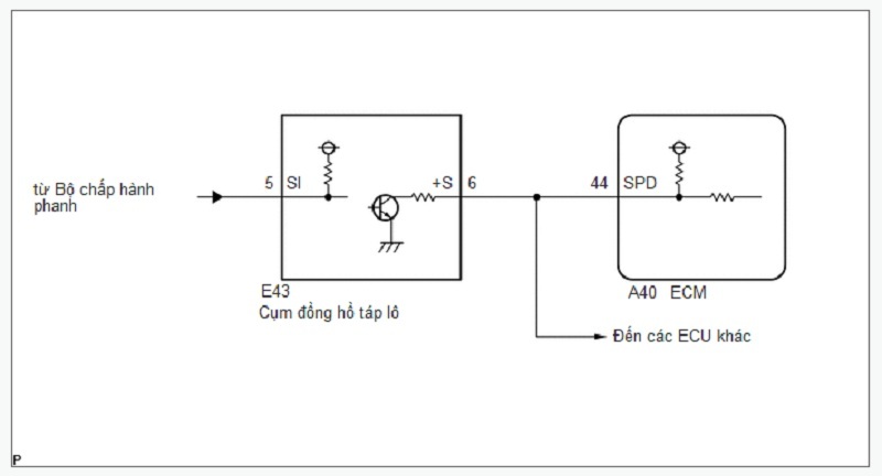
Những xe có trang bị hệ thống ABS (hệ thống phanh chống bó cứng), phát hiện tốc độ xe bằng ECU kiểm soát trượt (Bộ chấp hành phanh) và cảm biến tốc độ bánh xe. Cảm biến tốc độ theo dõi tốc độ quay của bánh xe và gửi một tín hiệu đến ECU kiểm soát trượt. ECU kiểm soát trượt sẽ chuyển tín hiệu tốc độ của bánh xe thành tín hiệu 4-xung và truyền nó đến ECM qua đồng hồ táp lô. ECM xác định tốc độ xe dựa trên tần số của tín hiệu xung này.
GỢI Ý:
Các hệ thống khác nhau đều sử dụng tín hiệu tốc độ xe được lấy từ cụm đồng hồ táp lô. Kiểm tra tất cả các cụm chi tiết có liên quan tới tín hiệu tốc độ này.
·Một điện áp 12 V hoặc 5 V được phát ra từ mỗi ECU và sau đó đi vào cụm đồng hồ táp lô.
Tín hiệu này sẽ thay đổi thành tín hiệu xung tại một transistor trong cụm đồng hồ táplô. Mỗi ECU sẽ điều khiển hệ thống tương ứng dựa trên tín hiệu xung này.
·Nếu ngắn mạch trong bất kỳ ECU nào hay trong dây điện nối với một ECU nào đó, thì tất cả các hệ thống sử dụng tín hiệu tốc độ sẽ không hoạt động bình thường.

| Số mã lỗi | Hạng mục phát hiện | Điều kiện phát hiện mã lỗi | Khu vực nghi ngờ | MIL | Bộ nhớ |
|---|---|---|---|---|---|
| P0500 | Cảm biến tốc độ xe | Trong khi xe đang chạy, không có tín hiệu tốc độ xe gửi đến ECM. (Thuật toán phát hiện 2 hành trình: Xe có hộp số thường) (thuật toán phát hiện 1 hành trình: cho xe hộp số vô cấp CVT) |
·Mạch tín hiệu tốc độ xe bị hở hay ngắn mạch ·Cụm đồng hồ táp lô ·ECM |
Bật lên | Lưu lại mã lỗi |
MÔ TẢ VỀ VIỆC GIÁM SÁT
Nếu không có tín hiệu tốc độ từ cụm đồng hồ táplô, cho dù ECM phát hiện rằng xe đang chuyển động, thì ECM coi đó là hư hỏng trong mạch tín hiệu tốc độ. Sau đó ECM sẽ bật sáng đèn MIL và thiết lập mã lỗi.
PHƯƠNG PHÁP GIÁM SÁT
| Các cảm biến/Chi tiết (chính) được yêu cầu | Cảm biến tốc độ xe Cụm đồng hồ táp lô ECU điều khiển trượt |
| Các cảm biến/Chi tiết (có liên quan) được yêu cầu | Công tắc vị trí trung gian/đỗ xe Cảm biến nhiệt độ nước làm mát động cơ Cảm biến vị trí trục khuỷu Cảm biến vị trí bướm ga Cảm biến lưu lượng khí nạp |
| Tần số hoạt động | Liên tục |
CÁC ĐIỀU KIỆN KÍCH HOẠT ĐIỂN HÌNH
| Cắt nhiên liệu | ON |
| Tốc độ tín hiệu cảm biến tốc độ trục thứ cấp | 1000 vg/ph hay lớn hơn |
CÁC MỨC HƯ HỎNG ĐIỂN HÌNH
| Tín hiệu cảm biến tốc độ xe | Không có tín hiệu |
Xác nhận sơ đồ lái cho xe có hộp số thường

1.Nối máy chẩn đoán GTS với giắc DLC3.
2.Bật khóa điện đến vị trí ON và bật máy chẩn đoán ON.
3.Xoá các mã lỗi (hãy xóa mã lỗi kể cả khi không có mã lỗi được lưu)
4.Tắt khóa điện OFF và đợi ít nhất 30 giây.
5.Bật khóa điện đến vị trí ON và bật máy chẩn đoán ON [A].
6.Khởi động động cơ.
7.Trên máy chẩn đoán GTS, hãy vào các menu sau đây để kiểm tra tình trạng cắt nhiên liệu: Powertrain / Engine and ECT / Data List / All Data / Idle Fuel Cut.
8.Lái xe ở tốc độ 75 km/h trở lên trong 10 giây trở lên [B].
CHÚ Ý:Khi tiến hành lái xe ở chế độ xác nhận, hãy tuân thủ tất cả giới hạn tốc độ và luật giao thông.
9.Giảm tốc độ xe bằng cách nhả bàn đạp ga trong 5 giây trở lên để cắt nhiên liệu [C].
GỢI Ý:Khi hạng mục "Idle Fuel Cut" trên màn hình Data List ỏ trạng thái ON, chức năng điều khiển cắt nhiên liệu đang được thực hiện.
10.Dừng xe.
11.Vào các menu sau: Powertrain / Engine and ECT / Trouble Codes [D].
12.Đọc các mã lỗi treo.
GỢI Ý:
·Nếu xuất hiện mã lỗi treo, thì hệ thống đang bị lỗi.
·Nếu mã lỗi treo không phát ra, hãy thực hiện theo quy trình sau.
13.Vào các menu sau: Powertrain / Engine and ECT / Utility / All Readiness.
14.Nhập vào mã lỗi: P0500
15.Kiểm tra kết quả đánh giá mã lỗi.
| Màn hình GTS | Mô tả |
|---|---|
| NORMAL |
·Việc đánh giá mã lỗi đã hoàn tất ·Hệ thống bình thường |
| ABNORMAL |
·Việc đánh giá mã lỗi đã hoàn tất ·Hệ thống bất thường |
| INCOMPLETE |
·Việc đánh giá mã lỗi chưa được hoàn tất ·Tiến hành lái xe theo mẫu lái xe kiểm tra sau khi xác nhận điều kiện xuất hiện mã lỗi |
| N/A |
·Không thể tiến hành đánh giá mã lỗi ·Số lượng các mã lỗi không thỏa mãn các điều kiện ban đầu của mã lỗi đã đạt đến giới hạn bộ nhớ của ECU |
GỢI Ý:
·Nếu kết quả đánh giá là "NORMAL", thì hệ thống là bình thường.
·Nếu kết quả đánh giá là "ABNORMAL", thì hệ thống đã bị lỗi.
·Nếu trạng thái là "INCOMPLETE" hoặc "N/A", hãy để động cơ chạy chế độ lái xác nhận và kiểm tra lại kết quả đánh giá mã lỗi.
Xác nhận sơ đồ lái cho xe có hộp số vô cấp

1.Nối máy chẩn đoán GTS với giắc DLC3.
2.Bật khóa điện đến vị trí ON và bật máy chẩn đoán ON.
3.Xoá các mã lỗi (hãy xóa mã lỗi kể cả khi không có mã lỗi được lưu)
4.Tắt khóa điện OFF và đợi ít nhất 30 giây.
5.Bật khóa điện đến vị trí ON và bật máy chẩn đoán ON [A].
6.Khởi động động cơ.
7.Lái xe ở tốc độ 24 km/h trở lên trong 30 giây trở lên [B].
CHÚ Ý:Khi tiến hành lái xe ở chế độ xác nhận, hãy tuân thủ tất cả giới hạn tốc độ và luật giao thông.
8.Dừng xe.
9.Vào các menu sau: Powertrain / Engine and ECT / Trouble Codes [C].
10.Đọc các mã lỗi treo.
GỢI Ý:
·Nếu xuất hiện mã lỗi treo, thì hệ thống đang bị lỗi.
·Nếu mã lỗi treo không phát ra, hãy thực hiện theo quy trình sau.
11.Vào các menu sau: Powertrain / Engine and ECT / Utility / All Readiness.
12.Nhập vào mã lỗi: P0500
13.Kiểm tra kết quả đánh giá mã lỗi.
| Màn hình GTS | Mô tả |
|---|---|
| NORMAL |
·Việc đánh giá mã lỗi đã hoàn tất ·Hệ thống bình thường |
| ABNORMAL |
·Việc đánh giá mã lỗi đã hoàn tất ·Hệ thống bất thường |
| INCOMPLETE |
·Việc đánh giá mã lỗi chưa được hoàn tất ·Tiến hành lái xe theo mẫu lái xe kiểm tra sau khi xác nhận điều kiện xuất hiện mã lỗi |
| N/A |
·Không thể tiến hành đánh giá mã lỗi ·Số lượng các mã lỗi không thỏa mãn các điều kiện ban đầu của mã lỗi đã đạt đến giới hạn bộ nhớ của ECU |
GỢI Ý:
·Nếu kết quả đánh giá là "NORMAL", thì hệ thống là bình thường.
·Nếu kết quả đánh giá là "ABNORMAL", thì hệ thống đã bị lỗi.
·Nếu trạng thái là "INCOMPLETE" hoặc "N/A", hãy để động cơ chạy chế độ lái xác nhận và kiểm tra lại kết quả đánh giá mã lỗi.
Sơ đồ mạch điện xử lý Mã lỗi P0500 code

LƯU Ý / CHÚ Ý / GỢI Ý
GỢI Ý:
Đọc dữ liệu lưu tức thời dùng máy chẩn đoán. ECM lưu những thông tin về xe và điều kiện lái xe tại thời điểm mã lỗi được lưu lại. Khi chẩn đoán, dữ liệu lưu tức thời giúp xác định xe đang chạy hay đỗ, động cơ nóng hay chưa, tỷ lệ không khí - nhiên liệu đậm hay nhạt cũng như những dữ liệu khác ghi lại được tại thời điểm xảy ra hư hỏng.
Quy trình Mã lỗi P0500 code
1.HÃY ĐỌC GIÁ TRỊ TỐC ĐỘ XE BẰNG MÁY CHẨN ĐOÁN GTS
a.Nối máy chẩn đoán GTS với giắc DLC3.
b.Bật khóa điện đến vị trí ON và bật máy chẩn đoán ON.
c.Vào các menu sau: Powertrain / Engine and ECT / Data List / All Data / Vehicle Speed.
Powertrain > Engine and ECT > Data List
| Hiển thị của máy chẩn đoán |
|---|
| Tốc độ xe |
d.Lái xe.
e.Đọc giá trị hiển thị trên máy chẩn đoán GTS.
Kết quả:
| Kết quả | Chuyển đến |
|---|---|
| Tốc độ xe được hiển thị trên máy chẩn đoán và trên đồng hồ tốc độ là không bằng nhau | A |
| Tốc độ xe được hiển thị trên máy chẩn đoán và trên đồng hồ tốc độ là bằng nhau | B |
A 2.KIỂM TRA DÂY ĐIỆN VÀ GIẮC NỐI (CỤM ĐỒNG HỒ TÁP LÔ - ECM)
B KIỂM TRA CÁC LỖI CHẬP CHỜN
2.KIỂM TRA DÂY ĐIỆN VÀ GIẮC NỐI (CỤM ĐỒNG HỒ TÁP LÔ - ECM)
a.Ngắt giắc nối của cụm đồng hồ táp lô.
b.Ngắt giắc nối của ECM.
c.Đo điện trở dựa theo giá trị (các giá trị) trong bảng dưới đây.
Điện trở tiêu chuẩn:
| Nối dụng cụ đo | Điều kiện | Điều kiện tiêu chuẩn |
|---|---|---|
| E43-6 (+S) - A40-44 (SPD) | Luôn luôn | Dưới 1 Ω |
Kết quả:
| Chuyển đến |
|---|
| OK |
| NG |
OK 3.KIỂM TRA ĐỒNG HỒ TÁP LÔ
NG SỬA CHỮA HAY THAY DÂY ĐIỆN HOẶC GIẮC NỐI
3.KIỂM TRA ĐỒNG HỒ TÁP LÔ
a.Kiểm tra những mạch điện gửi các tín hiệu tốc độ xe đến hệ thống này tròn hệ thống đồng hồ táp lô.
Kết quả:
| Chuyển đến |
|---|
| TIẾP |
TIẾP 4.XÁC NHẬN LẠI XEM HƯ HỎNG ĐÃ ĐƯỢC SỬA THÀNH CÔNG HAY CHƯA
4.XÁC NHẬN LẠI XEM HƯ HỎNG ĐÃ ĐƯỢC SỬA THÀNH CÔNG HAY CHƯA
a.Nối máy chẩn đoán GTS với giắc DLC3.
b.Bật khoá điện ON.
c.Bật máy chẩn đoán GTS.
d.Xóa các mã lỗi.
Powertrain > Engine and ECT > Clear DTCs
e.Tắt khóa điện OFF và đợi ít nhất 30 giây.
f.Khởi động động cơ.
g.Bật máy chẩn đoán GTS.
h.Hãy lái xe theo mô tả của sơ đồ lái xe xác nhận trong "Confirmation Driving Pattern".
i.Vào các menu sau: Powertrain / Engine and ECT / Trouble Codes.
j.Kiểm tra các mã lỗi.
Powertrain > Engine and ECT > Trouble Codes
GỢI Ý:Nếu không có mã lỗi (không có mã lỗi bị treo) phát ra tới máy chẩn đoàn GTS, nghĩa là việc sửa chữa đã hoàn tất thành công.
Kết quả:
| Chuyển đến |
|---|
| TIẾP |
TIẾP KẾT THÚC
Tin tức nổi bật
Sửa các lỗi màn hình ô tô
Đèn Báo Lỗi Động Cơ Sáng Trên Ô Tô - Lỗi nhiều chủ xe thường gặp phải
Nguyên nhân & cách xử lý: Ô tô bị ì, vòng tua cao nhưng tốc độ thấp
Sửa Xe Vios Điều Hòa Ô Tô Không Mát & Tiếng Rít Từ Động Cơ
Xử lý chảy dầu và đại tu hệ thống gầm xe ô tô
Nguyên nhân, dấu hiệu & cách khắc phục xe ô tô báo lỗi khí thải
Lỗi chống trơn trượt, cân bằng điện tử ESP
Dấu hiệu hỏng giảm xóc & cách sửa chữa, bảo dưỡng, thay thế
Xe vào số bị giật khi khởi động và sau khi đi ổn định
Tại sao cần vệ sinh họng nạp & van egr ? Hậu quả ? Phương pháp bắn trấu?
BẢNG GIÁ BÌNH ẮC QUY VARTA NĂM 2024
Báo giá sửa chữa xe công trình năm 2024
Sửa chữa điều hòa ô tô