
Mã lỗi P0560 code

P0560 Điện áp của hệ thống
Mô tả Mã lỗi P0560 code
Ắc quy liên tục cấp điện đến ECM kể cả khi khóa điện tắt OFF. Nguồn cấp cho phép ECM lưu các dữ liệu như mã lỗi trong quá khứ, dữ liệu lưu tức thời và các giá trị hiệu chỉnh nhiên liệu. Nếu điện áp ắc quy xuống dưới mức tối thiểu, bộ nhớ sẽ bị xoá và ECM xác định rằng có hư hỏng trong mạch cấp nguồn. Khi động cơ được khởi động lần tiếp theo, ECM sẽ bật sáng đèn MIL và thiết lập mã lỗi.
| Số mã lỗi | Hạng mục phát hiện | Điều kiện phát hiện mã lỗi | Khu vực nghi ngờ | MIL | Bộ nhớ |
|---|---|---|---|---|---|
| P0560 | Điện áp của hệ thống | Mạch nguồn dự phòng trong ECM bị hở mạch (Thuật toán phát hiện 1 hành trình). |
·Hở mạch trong mạch nguồn dự phòng ·Ắc quy ·Các cực của ắc quy ·ECM |
Bật lên | Lưu lại mã lỗi |
GỢI Ý:Nếu mã lỗi P0560 được lưu lại, ECM sẽ không lưu các mã lỗi khác hoặc một phần dữ liệu đã lưu trong ECM sẽ bị xóa.
PHƯƠNG PHÁP GIÁM SÁT
| Cảm biến/Chi tiết bắt buộc | ECM |
| Tần số hoạt động | Liên tục |
CÁC MỨC HƯ HỎNG ĐIỂN HÌNH
| Đều gặp cả hai điều kiện sau đây | - |
| RAM chế độ chờ | Thiết lập ban đầu |
| Điện áp ắc quy | Nhỏ hơn 3.5 V |
XÁC NHẬN SƠ ĐỒ LÁI
1.Nối máy chẩn đoán GTS với giắc DLC3.
2.Bật khóa điện đến vị trí ON và bật máy chẩn đoán ON.
3.Xoá các mã lỗi (hãy xóa mã lỗi kể cả khi không có mã lỗi được lưu)
4.Tắt khóa điện OFF và đợi ít nhất 30 giây.
5.Bật khóa điện đến vị trí ON và bật máy chẩn đoán ON.
6.Hãy đợi trong 5 giây trở lên.
7.Vào các menu sau: Powertrain / Engine and ECT / Trouble Codes.
8.Đọc các mã lỗi treo.
GỢI Ý:
·Nếu xuất hiện mã lỗi treo, thì hệ thống đang bị lỗi.
·Nếu mã lỗi treo không phát ra, hãy thực hiện theo quy trình sau.
9.Vào các menu sau: Powertrain / Engine and ECT / Utility / All Readiness.
10.Hãy nhập mã lỗi: P0560.
11.Kiểm tra kết quả đánh giá mã lỗi.
| Màn hình GTS | Mô tả |
|---|---|
| NORMAL |
·Việc đánh giá mã lỗi đã hoàn tất ·Hệ thống bình thường |
| ABNORMAL |
·Việc đánh giá mã lỗi đã hoàn tất ·Hệ thống bất thường |
| INCOMPLETE |
·Việc đánh giá mã lỗi chưa được hoàn tất ·Tiến hành lái xe theo mẫu lái xe kiểm tra sau khi xác nhận điều kiện xuất hiện mã lỗi |
| N/A |
·Không thể tiến hành đánh giá mã lỗi ·Số lượng các mã lỗi không thỏa mãn các điều kiện ban đầu của mã lỗi đã đạt đến giới hạn bộ nhớ của ECU |
GỢI Ý:
·Nếu kết quả đánh giá là "NORMAL", thì hệ thống là bình thường.
·Nếu kết quả đánh giá là "ABNORMAL", thì hệ thống đã bị lỗi.
·Nếu trạng thái là "INCOMPLETE" hoặc "N/A", hãy để động cơ chạy chế độ lái xác nhận và kiểm tra lại kết quả đánh giá mã lỗi.
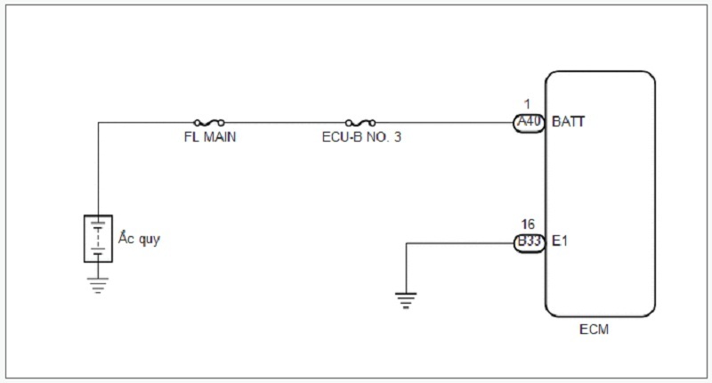
Sơ đồ mạch điện xử lý Mã lỗi P0560 code

LƯU Ý / CHÚ Ý / GỢI Ý
LƯU Ý:
·Kiểm tra cầu chì của các mạch điện liên quan đến hệ thống này trước khi thực hiện quy trình kiểm tra sau đây.
·Sau khi tắt khóa điện OFF, hãy đợi một khoảng thời gian nhất định trước khi ngắt cáp ra khỏi cực âm (-) ắc quy. Do đó, hãy đọc kỹ các chú ý về quy trình ngắt cực âm ắc quy trước khi tiến hành công việc.
GỢI Ý:Đọc dữ liệu lưu tức thời dùng máy chẩn đoán. ECM lưu những thông tin về xe và điều kiện lái xe tại thời điểm mã lỗi được lưu lại. Khi chẩn đoán, dữ liệu lưu tức thời giúp xác định xe đang chạy hay đỗ, động cơ nóng hay chưa, tỷ lệ không khí - nhiên liệu đậm hay nhạt cũng như những dữ liệu khác ghi lại được tại thời điểm xảy ra hư hỏng.
Quy trình xử lý Mã lỗi P0560 code
1.KIỂM TRA ẮC QUY
a.Kiểm tra ắc quy.
Kết quả:
| Chuyển đến |
|---|
| OK |
| NG |
OK 2.KIỂM TRA ĐIỆN CỰC ẮC QUY
NG NẠP LẠI HOẶC THAY THẾ ẮC QUY
2.KIỂM TRA ĐIỆN CỰC ẮC QUY
a.Kiểm tra rằng các cực của ắc quy không bị lỏng hoặc bị ăn mòn.
OK:Các cực ắc quy không bị lỏng hoặc bị ăn mòn.
Kết quả:
| Chuyển đến |
|---|
| OK |
| NG |
OK 3.KIỂM TRA ĐIỆN ÁP CỰC (NGUỒN CẤP CỦA ECM)
NG SỬA CHỮA HAY THAY CỰC ẮC QUY
3.KIỂM TRA ĐIỆN ÁP CỰC (NGUỒN CẤP CỦA ECM)

a.Ngắt giắc nối của ECM.
b.Đo điện áp dựa theo các giá trị trong bảng dưới đây.
Điện áp tiêu chuẩn:
| Nối dụng cụ đo | Điều kiện | Điều kiện tiêu chuẩn |
|---|---|---|
| A40-1 (BATT) - Mát thân xe | Luôn luôn | Từ 11 đến 14 V |
Kết quả:
| Chuyển đến |
|---|
| OK |
| NG |
OK 4.KIỂM TRA XEM MÃ LỖI CÓ XUẤT HIỆN LẠI KHÔNG (MÃ P0560)
NG SỬA CHỮA HAY THAY DÂY ĐIỆN HOẶC GIẮC NỐI (ẮC QUY - ECM)
4.KIỂM TRA XEM MÃ LỖI CÓ XUẤT HIỆN LẠI KHÔNG (MÃ P0560)
a.Nối máy chẩn đoán GTS với giắc DLC3.
b.Bật khoá điện ON.
c.Bật máy chẩn đoán GTS.
d.Xóa các mã lỗi.
Powertrain > Engine and ECT > Clear DTCs
e.Tắt khóa điện OFF và đợi ít nhất 30 giây.
f.Bật khóa điện đến vị trí ON và bật máy chẩn đoán ON.
g.Hãy đợi trong 5 giây trở lên.
h.Vào các menu sau: Powertrain / Engine and ECT / Trouble Codes.
i.Kiểm tra các mã lỗi.
Powertrain > Engine and ECT > Trouble Codes
Kết quả:
| Kết quả | Chuyển đến |
|---|---|
| Mã lỗi P0560 được phát ra | A |
| Các mã lỗi không phát ra | B |
A THAY ECM
B KIỂM TRA CÁC LỖI CHẬP CHỜN
Tin tức nổi bật
Sửa các lỗi màn hình ô tô
Đèn Báo Lỗi Động Cơ Sáng Trên Ô Tô - Lỗi nhiều chủ xe thường gặp phải
Nguyên nhân & cách xử lý: Ô tô bị ì, vòng tua cao nhưng tốc độ thấp
Sửa Xe Vios Điều Hòa Ô Tô Không Mát & Tiếng Rít Từ Động Cơ
Xử lý chảy dầu và đại tu hệ thống gầm xe ô tô
Nguyên nhân, dấu hiệu & cách khắc phục xe ô tô báo lỗi khí thải
Lỗi chống trơn trượt, cân bằng điện tử ESP
Dấu hiệu hỏng giảm xóc & cách sửa chữa, bảo dưỡng, thay thế
Xe vào số bị giật khi khởi động và sau khi đi ổn định
Tại sao cần vệ sinh họng nạp & van egr ? Hậu quả ? Phương pháp bắn trấu?
BẢNG GIÁ BÌNH ẮC QUY VARTA NĂM 2024
Báo giá sửa chữa xe công trình năm 2024
Sửa chữa điều hòa ô tô