
Mã lỗi P0705 code - Mạch cảm biến vị trí dải số bị lỗi (Tín hiệu PRNDL)

P0705 Mạch cảm biến vị trí dải số bị lỗi (Tín hiệu PRNDL)
Mô tả Mã lỗi P0705 code
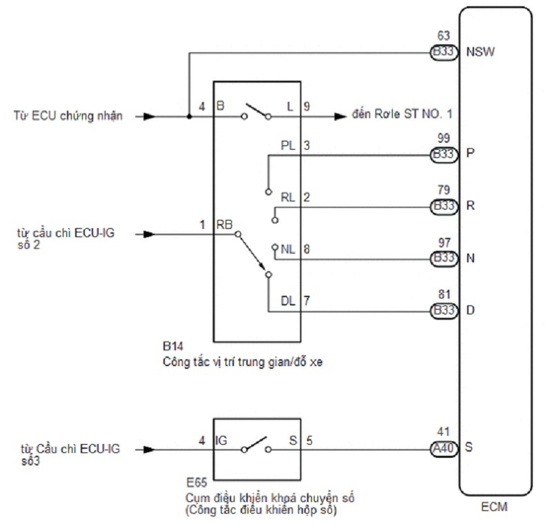
Công tắc vị trí trung gian/đỗ xe và bộ điều khiển khóa chuyển số (công tắc điều khiển hộp số) sẽ phát hiện vị trí số và gửi các tín hiệu đến ECM.
| Số mã lỗi | Hạng mục phát hiện | Điều kiện phát hiện mã lỗi | Khu vực nghi ngờ | MIL | Bộ nhớ |
|---|---|---|---|---|---|
| P0705 | Mạch cảm biến vị trí dải số bị lỗi (Tín hiệu PRNDL) | 1. Điều kiện chẩn đoán 2. Tình trạng lỗi 3. Thời gian lỗi 4. Khác Điều kiện phát hiện mã lỗi 1: 1.Công tắc động cơ bật ON (IG) và điện áp ắc quy là 10.5 V trở lên. 2.Từ 2 tín hiệu hoặc nhiều hơn dưới đây bật ON đồng thời: - Tín hiệu đầu vào (NSW, P, N) - Tín hiệu vào R - Tín hiệu vào D 3. 2 giây 4. Thuật toán phát hiện 2 hành trình Điều kiện phát hiện mã lỗi 2:1.Công tắc động cơ bật ON (IG) và điện áp ắc quy là 10.5 V trở lên. 2.Tất cả các tín hiệu sau tắt đồng thời: - Tín hiệu đầu vào NSW - Tín hiệu vào P - Tín hiệu vào R - Tín hiệu vào N - Tín hiệu vào D 3. 60 giây 4.Thuật toán phát hiện 2 hành trình Điều kiện phát hiện mã lỗi 3:1.Công tắc động cơ bật ON (IG) và điện áp ắc quy là 10.5 V trở lên. 2.Một trong các tín hiệu sau và tín hiệu M ở trạng thái ON đồng thời: - Tín hiệu đầu vào NSW - Tín hiệu vào P - Tín hiệu vào R - Tín hiệu vào N 3. 2 giây 4.Thuật toán phát hiện 2 hành trình |
·Dây điện hay giắc nối ·Công tắc vị trí trung gian/đỗ xe ·Cụm điều khiển khoá chuyển số (công tắc điều khiển hộp số) ·ECM |
Bật lên | Lưu lại mã lỗi |
MÔ TẢ VỀ VIỆC GIÁM SÁT
Mã lỗi này chỉ ra có vấn đề với công tắc vị trí trung gian/đỗ xe hoặc dây điện trong mạch công tắc vị trí trung gian/đỗ xe.
Công tắc vị trí trung gian/đỗ xe sẽ phát hiện vị trí chuyển số và gửi một tín hiệu đến ECM. Để đảm bảo an toàn, công tắc vị trí trung gian/đỗ xe sẽ phát hiện vị trí cần số để động cơ chỉ có thể khởi động khi cần số ở vị trí P hoặc N.
Khi công tắc vị trí trung gian/đỗ xe gửi một tín hiệu đến ECM theo như vị trí cần số (P, R, N, D hoặc M).
ECM sẽ xác định rằng có vấn đề với công tắc hoặc các chi tiêt liên quan nếu nó nhận đồng thời nhiều hơn một tín hiệu vị trí. ECM sẽ bật sáng đèn MIL và lưu mã lỗi này.
Sơ đồ mạch điện xử lý Mã lỗi P0705 code

LƯU Ý:
·Tiến hành hiệu chỉnh ban đầu khi thay thế một trong các chi tiết liên quan tới hộp số vô cấp.
·Xác nhận rằng không có mã lõi nào được lưu sau khi tiến hành cài đặt ban đầu.
·Kiểm tra cầu chì của các mạch điện liên quan đến hệ thống này trước khi thực hiện quy trình kiểm tra sau đây.
Quy trình xử lý Mã lỗi P0705 code - Mạch cảm biến vị trí dải số bị lỗi (Tín hiệu PRNDL)
1.ĐỌC GIÁ TRỊ BẰNG GTS (CÔNG TẮC VỊ TRÍ TRUNG GIAN VÀ TÌNH TRẠNG CỦA CÔNG TẮC CHUYỂN SỐ)
a.Nối máy chẩn đoán GTS với giắc DLC3.
b.Bật khóa điện ON (IG).
c.Bật máy chẩn đoán GTS.
d.Vào các menu sau: Powertrain / Engine and ECT / Data List / Primary.
e.Theo hiển thị trên máy chẩn đoán, đọc Danh mục Dữ liệu.
Powertrain > Engine and ECT > Data List
| Hiển thị của máy chẩn đoán | Hạng Mục Đo | Phạm vi | Điều kiện bình thường | Ghi chú |
|---|---|---|---|---|
| Tín hiệu công tắc vị trí trung gian | Trạng thái công tắc vị trí đỗ xe/trung gian | OFF hoặc ON |
·OFF: Cần số không ở vị trí P hoặc N ·ON: Cần số ở vị trí P hay N |
Khi vị trí cần chuyển số hiển thị trên GTS khác với vị trí thực tế, thì việc điều chỉnh của công tắc vị trí đỗ xe/ trung gian hoặc cáp chuyển số có thể bị mất chính xác. |
| Tình trạng công tắc chuyển số (Dải số P) | Trạng thái công tắc vị trí đỗ xe/trung gian | OFF hoặc ON |
·OFF: Cần số không ở vị trí P ·ON: Cần số ở vị trí P |
Khi vị trí cần chuyển số hiển thị trên GTS khác với vị trí thực tế, thì việc điều chỉnh của công tắc vị trí đỗ xe/ trung gian hoặc cáp chuyển số có thể bị mất chính xác. |
| Tình trạng công tắc chuyển số (dải số R) | Trạng thái công tắc vị trí đỗ xe/trung gian | OFF hoặc ON |
·OFF: Cần số không ở vị trí R ·ON: Cần số ở vị trí R |
Khi vị trí cần chuyển số hiển thị trên GTS khác với vị trí thực tế, thì việc điều chỉnh của công tắc vị trí đỗ xe/ trung gian hoặc cáp chuyển số có thể bị mất chính xác. |
| Tình trạng công tắc chuyển số (Dải số N) | Trạng thái công tắc vị trí đỗ xe/trung gian | OFF hoặc ON |
·OFF: Cần số không ở vị trí N ·ON: Cần số ở vị trí N |
Khi vị trí cần chuyển số hiển thị trên GTS khác với vị trí thực tế, thì việc điều chỉnh của công tắc vị trí đỗ xe/ trung gian hoặc cáp chuyển số có thể bị mất chính xác. |
| Tình trạng công tắc chuyển số (dải số D) | Trạng thái công tắc vị trí đỗ xe/trung gian | OFF hoặc ON |
·OFF: Cần số không ở vị trí D ·ON: Cần số ở vị trí D |
Khi vị trí cần chuyển số hiển thị trên GTS khác với vị trí thực tế, thì việc điều chỉnh của công tắc vị trí đỗ xe/ trung gian hoặc cáp chuyển số có thể bị mất chính xác. |
Powertrain > Engine and ECT > Data List
| Hiển thị của máy chẩn đoán |
|---|
| Tín hiệu công tắc vị trí trung gian |
| Tình trạng công tắc chuyển số (Dải số P) |
| Tình trạng công tắc chuyển số (dải số R) |
| Tình trạng công tắc chuyển số (Dải số N) |
| Tình trạng công tắc chuyển số (dải số D) |
Kết quả:
| Kết quả | Chuyển đến |
|---|---|
| Dữ liệu được hiển thị nằm trong Phạm vi điều kiện bình thường | A |
| Dữ liệu được hiển thị không nằm trong Phạm vi điều kiện bình thường | B |
A 2.ĐỌC GIÁ TRỊ BẰNG GTS (CÔNG TẮC CHỌN CHẾ ĐỘ THỂ THAO)
B 7.KIỂM TRA DÂY DẪN VÀ GIẮC NỐI (ẮC QUY - CỤM CÔNG TẮC VỊ TRÍ ĐỖ XE/TRUNG GIAN)
2.ĐỌC GIÁ TRỊ BẰNG GTS (CÔNG TẮC CHỌN CHẾ ĐỘ THỂ THAO)
a.Vào các menu sau: Powertrain / Engine and ECT / Data List / Primary.
b.Theo hiển thị trên máy chẩn đoán, đọc Danh mục Dữ liệu.
Powertrain > Engine and ECT > Data List
| Hiển thị của máy chẩn đoán | Hạng Mục Đo | Phạm vi | Điều kiện bình thường | Ghi chú |
|---|---|---|---|---|
| Công tắc chọn chế độ thể thao | Tình trạng của công tắc chọn chế độ thể thao | OFF hoặc ON |
·ON: Cần số ở vị trí M, "+" hoặc "-" ·OFF: Cần số không ở vị trí M, "+" hoặc "-" |
- |
Powertrain > Engine and ECT > Data List
| Hiển thị của máy chẩn đoán |
|---|
| Công tắc chọn chế độ thể thao |
Kết quả:
| Kết quả | Chuyển đến |
|---|---|
| Dữ liệu được hiển thị nằm trong Phạm vi điều kiện bình thường | A |
| Dữ liệu được hiển thị không nằm trong Phạm vi điều kiện bình thường | B |
A KIỂM TRA HƯ HỎNG CHẬP CHỜN
B 3.KIỂM TRA CỤM ĐIỀU KHIỂN KHOÁ CHUYỂN SỐ (CÔNG TẮC ĐIỀU KHIỂN HỘP SỐ (NGUỒN CẤP))
3.KIỂM TRA CỤM ĐIỀU KHIỂN KHOÁ CHUYỂN SỐ (CÔNG TẮC ĐIỀU KHIỂN HỘP SỐ (NGUỒN CẤP))
a.

Rút giắc E65 của bộ điều khiển khóa chuyển số (công tắc điều khiển hộp số).
b.Đo điện trở dựa theo giá trị (các giá trị) trong bảng dưới đây.
Điện trở tiêu chuẩn:
| Nối dụng cụ đo | Điều kiện | Điều kiện tiêu chuẩn |
|---|---|---|
| 4 (IG) - 5 (S) | Cần số được để ở vị trí M, "+" hoặc "-" | Dưới 1 Ω |
| 4 (IG) - 5 (S) | Cần số không nằm ở vị trí M, "+" hoặc "-" | 10 kΩ trở lên |
Kết quả:
| Chuyển đến |
|---|
| OK |
| NG |
OK 5.KIỂM TRA DÂY ĐIỆN VÀ GIẮC NỐI (CỤM ĐIỀU KHIỂN KHOÁ CHUYỂN SỐ - ECM)
NG THAY CỤM ĐIỀU KHIỂN KHOÁ CHUYỂN SỐ
5.KIỂM TRA DÂY ĐIỆN VÀ GIẮC NỐI (CỤM ĐIỀU KHIỂN KHOÁ CHUYỂN SỐ - ECM)
a.Ngắt giắc nối A40 của ECM.
b.Đo điện trở dựa theo giá trị (các giá trị) trong bảng dưới đây.
Điện trở tiêu chuẩn:
| Nối dụng cụ đo | Điều kiện | Điều kiện tiêu chuẩn |
|---|---|---|
| E65-5 (S) - A40-41 (S) | Luôn luôn | Dưới 1 Ω |
| E65-5 (S) - Mát thân xe | Luôn luôn | 10 kΩ trở lên |
| A40-41 (S) - Mát thân xe | Luôn luôn | 10 kΩ trở lên |
Kết quả:
| Chuyển đến |
|---|
| OK |
| NG |
OK 6.THAY ECM
NG SỬA CHỮA HOẶC THAY DÂY ĐIỆN HAY GIẮC NỐI (CỤM ĐIỀU KHIỂN KHOÁ CHUYỂN SỐ - ECM)
6.THAY ECM
a. Thay thế ECM.
Kết quả:
| Chuyển đến |
|---|
| TIẾP |
TIẾP TIẾN HÀNH KHỞI TẠO
7.KIỂM TRA DÂY DẪN VÀ GIẮC NỐI (ẮC QUY - CỤM CÔNG TẮC VỊ TRÍ ĐỖ XE/TRUNG GIAN)
a.

Ngắt giắc nối cụm công tắc vị trí đỗ xe/trung gian B14.
b.Đo điện áp dựa theo các giá trị trong bảng dưới đây.
Điện áp tiêu chuẩn:
| Nối dụng cụ đo | Điều kiện | Điều kiện tiêu chuẩn |
|---|---|---|
| B14-1 (RB) - Mát thân xe | Khóa điện bật ON (IG) | Từ 11 đến 14 V |
| B14-1 (RB) - Mát thân xe | Khóa điện tắt OFF | Dưới 1 V |
c.Nối giắc nối cụm công tắc vị trí đỗ xe/trung gian B14.
Kết quả:
| Chuyển đến |
|---|
| OK |
| NG |
OK 8.KIỂM TRA CỤM CÔNG TẮC VỊ TRÍ TRUNG GIAN/ĐỖ XE
NG SỬA CHỮA HAY THAY THẾ DÂY DẪN HOẶC GIẮC NỐI (ẮC QUY - CỤM CÔNG TẮC VỊ TRÍ ĐỖ XE/TRUNG GIAN)
8.KIỂM TRA CỤM CÔNG TẮC VỊ TRÍ TRUNG GIAN/ĐỖ XE
a.

Ngắt giắc nối cụm công tắc vị trí đỗ xe/trung gian B14.
b. Đo điện trở dựa theo giá trị (các giá trị) trong bảng dưới đây.
Điện trở tiêu chuẩn:
| Nối dụng cụ đo | Điều kiện | Điều kiện tiêu chuẩn |
|---|---|---|
| 4 (B) - 9 (L) | Cần số ở vị trí P hay N | Dưới 1 Ω |
| Cần số không ở vị trí P hoặc N | 10 kΩ trở lên | |
| 1 (RB) - 3 (PL) | Cần số ở vị trí P | Dưới 1 Ω |
| Cần số không ở vị trí P | 10 kΩ trở lên | |
| 1 (RB) - 2 (RL) | Cần số ở vị trí R | Dưới 1 Ω |
| Cần số không ở vị trí R | 10 kΩ trở lên | |
| 1 (RB) - 8 (NL) | Cần số ở vị trí N | Dưới 1 Ω |
| Cần số không ở vị trí N | 10 kΩ trở lên | |
| 1 (RB) - 7 (DL) | Cần số ở vị trí D | Dưới 1 Ω |
| Cần số không ở vị trí D | 10 kΩ trở lên |
c. Nối giắc nối cụm công tắc vị trí đỗ xe/trung gian B14.
Kết quả:
| Chuyển đến |
|---|
| OK |
| NG |
OK 9.KIỂM TRA DÂY ĐIỆN VÀ GIẮC NỐI (CỤM CÔNG TẮC VỊ TRÍ TRUNG GIAN/ĐỖ XE - ECM)
NG THAY CỤM CÔNG TẮC VỊ TRÍ TRUNG GIAN/ĐỖ XE
9.KIỂM TRA DÂY ĐIỆN VÀ GIẮC NỐI (CỤM CÔNG TẮC VỊ TRÍ TRUNG GIAN/ĐỖ XE - ECM)
a.Ngắt giắc nối cụm công tắc vị trí đỗ xe/trung gian B14.
b.Rút giắc nối B33 của ECM.
c.Đo điện trở dựa theo giá trị (các giá trị) trong bảng dưới đây.
Điện trở tiêu chuẩn:
| Nối dụng cụ đo | Điều kiện | Điều kiện tiêu chuẩn |
|---|---|---|
| B14-3 (PL) - B33-99 (P) | Luôn luôn | Dưới 1 Ω |
| B14-2 (RL) - B33-79 (R) | Luôn luôn | Dưới 1 Ω |
| B14-8 (NL) - B33-97 (N) | Luôn luôn | Dưới 1 Ω |
| B14-7 (DL) - B33-81 (D) | Luôn luôn | Dưới 1 Ω |
| B14-4 (B) - B33-63 (NSW) | Luôn luôn | Dưới 1 Ω |
| B14-3 (PL) hoặc B33-99 (P) - Mát thân xe và các cực khác | Luôn luôn | 10 kΩ trở lên |
| B14-2 (RL) hoặc B33-79 (R) - Mát thân xe và các cực khác | Luôn luôn | 10 kΩ trở lên |
| B14-8 (NL) hoặc B33-97 (N) - Mát thân xe và các cực khác | Luôn luôn | 10 kΩ trở lên |
| B14-7 (DL) hoặc B33-81 (D) - Mát thân xe và các cực khác | Luôn luôn | 10 kΩ trở lên |
| B14-4 (B) hoặc B33-63 (NSW) - Mát thân xe và các cực khác | Luôn luôn | 10 kΩ trở lên |
d.Lắp giắc nối B33 của ECM.
e.Nối giắc nối cụm công tắc vị trí đỗ xe/trung gian B14.
Kết quả:
| Chuyển đến |
|---|
| OK |
| NG |
OK 10.THAY ECM
NG SỬA CHỮA HAY THAY DÂY ĐIỆN HAY GIẮC NỐI (CỤM CÔNG TẮC VỊ TRÍ TRUNG GIAN/ĐỖ XE - ECM)
10.THAY ECM
a. Thay thế ECM.
Kết quả:
| Chuyển đến |
|---|
| TIẾP |
TIẾP TIẾN HÀNH KHỞI TẠO
Tin tức nổi bật
Chênh lệch giá vàng trong nước và thế giới 14/4/2026
Cách quy đổi giá vàng thế giới
Vàng miếng, vàng thỏi, vàng nguyên liệu là gì?
Giá vàng, bạc áp lực giảm do lo ngại lạm phát (theo kitco.com)
So sánh giá vàng Sjc, Doji, Pnj, Phú Quý hôm nay