
Mã lỗi P0962 code, P0963 code, P0966 code, P0967 code - Mạch điện điều khiển van điện từ
P0962 Mạch điện điều khiển van điện từ điều khiển áp suất "A" thấp (Van điện từ chuyển số DS1)
P0963 Mạch điện điều khiển van điện từ điều khiển áp suất "A" Cao (Van điện từ chuyển số DS1)
P0966 Mạch điện điều khiển van điện từ điều khiển áp suất "B" thấp (Van điện từ chuyển số DS2)
P0967 Mạch điện điều khiển van điện từ điều khiển áp suất "B" cao (Van điện từ chuyển số DS2)

Mô tả Mã lỗi P0962 code, P0963 code, P0966 code, P0967 code - Mạch điện điều khiển van điện từ
Sử dụng van điện từ chuyển số DS1 (cấp cho puly sơ cấp) và van điện từ chuyển số DS2 (cấp cho puly thứ cấp), ECM sẽ điều khiển áp suất và lưu lượng dầu vào và ra của puly sơ cấp theo tốc độ của xe và vị trí của bàn đạp ga. Nếu mạch van điện từ chuyển số DS1 hoặc DS2 bị hở hay ngắn mạch, ECM sẽ ngừng cấp dòng cho van điện từ chuyển số bị lỗi để đảm bảo chức năng an toàn.
| Số mã lỗi | Hạng mục phát hiện | Điều kiện phát hiện mã lỗi | Khu vực nghi ngờ | MIL | Bộ nhớ |
|---|---|---|---|---|---|
| P0962 | Mạch điện điều khiển van điện từ điều khiển áp suất "A" thấp (Van điện từ chuyển số DS1) | 1. Điều kiện chẩn đoán 2. Tình trạng lỗi 3. Thời gian lỗi 4. Khác
1.Xe được lái đi và tỷ số truyền thay đổi. 2.Đã có ngắn mạch trong mạch van điện từ chuyển số DS1. 3.20 lần 4.Thuật toán phát hiện 1 hành trình |
·Dây điện hay giắc nối ·Hộp số vô cấp (Van điện từ chuyển số DS1) ·ECM |
Bật lên | Lưu lại mã lỗi |
| P0963 | Mạch điện điều khiển van điện từ điều khiển áp suất "A" Cao (Van điện từ chuyển số DS1) | 1. Điều kiện chẩn đoán 2. Tình trạng lỗi 3. Thời gian lỗi 4. Khác
1.Xe được lái đi và tỷ số truyền thay đổi. 2.Hở mạch trong mạch van điện từ chuyển số DS1. 3.20 lần 4.Thuật toán phát hiện 1 hành trình |
·Dây điện hay giắc nối ·Hộp số vô cấp (Van điện từ chuyển số DS1) ·ECM |
Bật lên | Lưu lại mã lỗi |
| P0966 | Mạch điện điều khiển van điện từ điều khiển áp suất "B" thấp (Van điện từ chuyển số DS2) | 1. Điều kiện chẩn đoán 2. Tình trạng lỗi 3. Thời gian lỗi 4. Khác
1.Xe được lái đi và tỷ số truyền thay đổi. 2.Ngắn mạch van điện từ chuyển số DS2. 3.20 lần 4.Thuật toán phát hiện 1 hành trình |
·Dây điện hay giắc nối ·Hộp số vô cấp (Van điện từ chuyển số DS2) ·ECM |
Bật lên | Lưu lại mã lỗi |
| P0967 | Mạch điện điều khiển van điện từ điều khiển áp suất "B" cao (Van điện từ chuyển số DS2) | 1. Điều kiện chẩn đoán 2. Tình trạng lỗi 3. Thời gian lỗi 4. Khác
1.Xe được lái đi và tỷ số truyền thay đổi. 2.Mạch van điện từ chuyển số DS2 đã bị hở mạch. 3.20 lần 4.Thuật toán phát hiện 1 hành trình |
·Dây điện hay giắc nối ·Hộp số vô cấp (Van điện từ chuyển số DS2) ·ECM |
Bật lên | Lưu lại mã lỗi |
MÔ TẢ VỀ VIỆC GIÁM SÁT
Các mã lỗi này chỉ ra hở hoặc ngắn mạch trong mạch DS1 hoặc DS2 của van điện từ chuyển số. Nếu có hở hay ngắn mạch, thì ECM phát hiện ra lỗi, sẽ bật sáng đèn MIL và lưu một mã lỗi.
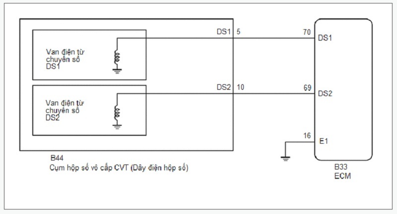
Sơ đồ mạch điện điều khiển van điện từ mã lỗi P0962 code, P0963 code, P0966 code, P0967 code

LƯU Ý:
·Tiến hành hiệu chỉnh ban đầu khi thay thế một trong các chi tiết liên quan tới hộp số vô cấp.
·Xác nhận rằng không có mã lõi nào được lưu sau khi tiến hành cài đặt ban đầu.
Quy trình xử lý Mã lỗi P0962, P0963, P0966, P0967 code - Mạch điện điều khiển van điện từ
1.TIẾN HÀNH THỬ KÍCH HOẠT BẰNG MÁY CHẨN ĐOÁN (ĐiỀU KHIỂN VỊ TRÍ SỐ)
a.Nối máy chẩn đoán GTS với giắc DLC3.
b.Bật khóa điện ON (IG).
c.Bật máy chẩn đoán GTS.
d.Vào các menu sau: Powertrain / Engine and ECT / Data List.
Powertrain > Engine and ECT > Data List
| Hiển thị của máy chẩn đoán | Hạng Mục Đo | Phạm vi | Điều kiện bình thường | Ghi chú |
|---|---|---|---|---|
| Trạng thái chuyển số | Lệnh chuyển số của ECM | Tay số 1, 2, 3, 4 hoặc 5 | Giống như vị trí thực tế của cần số | *1 |
Powertrain > Engine and ECT > Data List
| Hiển thị của máy chẩn đoán |
|---|
| Trạng thái chuyển số |
GỢI Ý:
*1: "Shift Status" là tín hiệu được chia thành 5 vị trí số trong chế độ Active Test.
Nó không thể hiện tỷ số truyền cho chế độ lái xe bình thường và vị trí số cho chế độ chuyển số tuần tự thể thao 7 cấp tốc độ.
e.Vào các menu sau: Powertrain / Engine and ECT / Active Test.
f.Tuân theo những hiển thị trên màn hình máy chẩn đoán, thực hiện thử kích hoạt.
Powertrain > Engine and ECT > Active Test
| Hiển thị của máy chẩn đoán | Hạng Mục Đo | Phạm vi điều khiển | Ghi chú |
|---|---|---|---|
| Không có liên lạc giữa ECM và ECU điều khiển trượt. | Kích hoạt van điện từ chuyển số để chọn các số bằng tay (số thứ 1 - số thứ 2 - số thứ 3 - số thứ 4 - số thứ 5). Tỷ số truyền tham khảo: Số thứ 1 (tỉ số tuyền lớn nhất: 2.4) - Số thứ 2 (1.5) - Số thứ 3 (1.0) - Số thứ 4 (0.7) - Số thứ 5 (tỉ số truyền nhỏ nhất: 0.43) |
·Bấm nút "→": Lên số ·Bấm nút "←": Xuống số |
LƯU Ý:Thực hiện phép thử này tại các tốc độ khác giá trị tiêu chuẩn trong mục "Vehicle Condition" sẽ làm hư hỏng hộp số. GỢI Ý:Tiến hành "Control the Shift Position" trong khi theo dõi trạng thái chuyển số "Shift Status" để xác nhận vị trí chuyển số thực tế. (Tình trạng xe) Lái xe với tốc độ từ 20 km/h đến 45 km/h. |
Powertrain > Engine and ECT > Active Test
| Hiển thị của máy chẩn đoán |
|---|
| Không có liên lạc giữa ECM và ECU điều khiển trượt. |
Kết quả:
| Kết quả | Chuyển đến |
|---|---|
| Vị trí số không thay đổi | A |
| Vị trí số thay đổi | B |
A 2.KIỂM TRA DÂY ĐIỆN HỘP SỐ (VAN ĐIỆN TỪ CHUYỂN SỐ DS1 VÀ DS2)
B 6.THAY ECM
2.KIỂM TRA DÂY ĐIỆN HỘP SỐ (VAN ĐIỆN TỪ CHUYỂN SỐ DS1 VÀ DS2)
a.

Ngắt giắc cắm B44 của dây điện hộp số.
b.Đo điện trở dựa theo giá trị (các giá trị) trong bảng dưới đây.
Điện trở tiêu chuẩn:
| Nối dụng cụ đo | Điều kiện | Điều kiện tiêu chuẩn |
|---|---|---|
| 5 (DS1) - Mát thân xe và các cực khác | 20°C | 11 đến 13 Ω |
| 10 (DS2) - Mát thân xe và các cực khác | 20°C | 11 đến 13 Ω |
c.Cắm giắc B44 của dây điện hộp số.
Kết quả:
| Chuyển đến |
|---|
| OK |
| NG |
OK 3.KIỂM TRA DÂY ĐIỆN VÀ GIẮC NỐI (DÂY ĐIỆN HỘP SỐ - ECM)
NG 5.THAY THẾ CỤM HỘP SỐ VÔ CẤP
3.KIỂM TRA DÂY ĐIỆN VÀ GIẮC NỐI (DÂY ĐIỆN HỘP SỐ - ECM)
a.Rút giắc nối B33 của ECM.
b.Đo điện trở dựa theo giá trị (các giá trị) trong bảng dưới đây.
Điện trở tiêu chuẩn:
| Nối dụng cụ đo | Điều kiện | Điều kiện tiêu chuẩn |
|---|---|---|
| B33-70 (DS1) - B33-16 (E1) | 20°C | 11 đến 13 Ω |
| B33-69 (DS2) - B33-16 (E1) | 20°C | 11 đến 13 Ω |
c.Lắp giắc nối B33 của ECM.
Kết quả:
| Chuyển đến |
|---|
| OK |
| NG |
OK 4.THAY ECM
NG SỬA CHỮA HAY THAY THẾ DÂY DẪN HOẶC GIẮC NỐI (DÂY ĐIỆN HỘP SỐ - ECM)
4.THAY ECM
a.Thay thế ECM.
Kết quả:
| Chuyển đến |
|---|
| TIẾP |
TIẾP TIẾN HÀNH KHỞI TẠO
5.THAY THẾ CỤM HỘP SỐ VÔ CẤP
a.Thay hộp số vô cấp.
Kết quả:
| Chuyển đến |
|---|
| TIẾP |
TIẾP TIẾN HÀNH KHỞI TẠO
6.THAY ECM
a.Thay thế ECM.
Kết quả:
| Chuyển đến |
|---|
| TIẾP |
TIẾP TIẾN HÀNH KHỞI TẠO
Tin tức nổi bật
Sửa các lỗi màn hình ô tô
Đèn Báo Lỗi Động Cơ Sáng Trên Ô Tô - Lỗi nhiều chủ xe thường gặp phải
Nguyên nhân & cách xử lý: Ô tô bị ì, vòng tua cao nhưng tốc độ thấp
Sửa Xe Vios Điều Hòa Ô Tô Không Mát & Tiếng Rít Từ Động Cơ
Xử lý chảy dầu và đại tu hệ thống gầm xe ô tô
Nguyên nhân, dấu hiệu & cách khắc phục xe ô tô báo lỗi khí thải
Lỗi chống trơn trượt, cân bằng điện tử ESP
Dấu hiệu hỏng giảm xóc & cách sửa chữa, bảo dưỡng, thay thế
Xe vào số bị giật khi khởi động và sau khi đi ổn định
Tại sao cần vệ sinh họng nạp & van egr ? Hậu quả ? Phương pháp bắn trấu?
BẢNG GIÁ BÌNH ẮC QUY VARTA NĂM 2024
Báo giá sửa chữa xe công trình năm 2024
Sửa chữa điều hòa ô tô