
Mạch công tắc điều khiển hộp số
Mô tả mạch công tắc điều khiển hộp số
Sau khi chuyển cần số đến vị trí M, có thể dải số giữa M1 và M7 bằng công tác điều khiển hộp số. Việc dịch chuyển cần số đến phía "+" sẽ làm tăng một số trên dải số mỗi lần đẩy, và đẩy cần về phía "-" sẽ giảm một số trên dải chọn số mỗi cho lần đẩy.
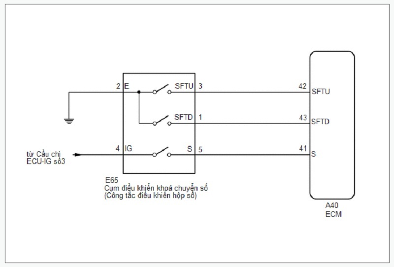
Sơ đồ mạch điện công tắc điều khiển hộp số

LƯU Ý:
·Tiến hành hiệu chỉnh ban đầu khi thay thế một trong các chi tiết liên quan tới hộp số vô cấp.
·Xác nhận rằng không có mã lõi nào được lưu sau khi tiến hành cài đặt ban đầu.
·Kiểm tra cầu chì của các mạch điện liên quan đến hệ thống này trước khi thực hiện quy trình kiểm tra sau đây.
Quy trình kiểm tra Mạch công tắc điều khiển hộp số
1.KIỂM TRA MÃ LỖI PHÁT RA
a.Nối máy chẩn đoán GTS với giắc DLC3.
b.Bật khóa điện ON (IG).
c.Bật máy chẩn đoán GTS.
d.Vào các menu sau: Powertrain / Engine and ECT / Trouble Codes.
Powertrain > Engine and ECT > Trouble Codes
50001 234
e.Đọc mã lỗi bằng máy chẩn đoán.
Kết quả:
| Kết quả | Chuyển đến |
|---|---|
| Các mã lỗi không phát ra | A |
| Các mã lỗi được phát ra | B |
A 2.ĐỌC GIÁ TRỊ BẰNG GTS (CÔNG TẮC CHỌN CHẾ ĐỘ THỂ THAO)
B ĐẾN BẢNG MÃ LỖI
2.ĐỌC GIÁ TRỊ BẰNG GTS (CÔNG TẮC CHỌN CHẾ ĐỘ THỂ THAO)
a.Nối máy chẩn đoán GTS với giắc DLC3.
b.Bật khóa điện ON (IG).
c.Bật máy chẩn đoán GTS.
d.Vào các menu sau: Powertrain / Engine and ECT / Data List / Primary.
e.Theo hiển thị trên máy chẩn đoán, đọc Danh mục Dữ liệu.
Powertrain > Engine and ECT > Data List
| Hiển thị của máy chẩn đoán | Hạng Mục Đo | Phạm vi | Điều kiện bình thường | Ghi chú |
|---|---|---|---|---|
| Công tắc chọn chế độ thể thao | Tình trạng của công tắc chọn chế độ thể thao | OFF hoặc ON |
·ON: Cần số ở vị trí M, "+" hoặc "-" ·OFF: Cần số không ở vị trí M, "+" hoặc "-" |
- |
Powertrain > Engine and ECT > Data List
| Hiển thị của máy chẩn đoán |
|---|
| Công tắc chọn chế độ thể thao |
Kết quả:
| Kết quả | Chuyển đến |
|---|---|
| Dữ liệu được hiển thị nằm trong Phạm vi điều kiện bình thường | A |
| Dữ liệu được hiển thị không nằm trong Phạm vi điều kiện bình thường | B |
A 3.ĐỌC GIÁ TRỊ BẰNG MÁY CHẨN ĐOÁN (TÍN HIỆU LẪY LÊN SỐ "SPORTS SHIFT UP SW" VÀ XUỐNG SỐ "SPORTS SHIFT DOWN SW")
B 7.KIỂM TRA CỤM ĐIỀU KHIỂN KHOÁ CHUYỂN SỐ (CÔNG TẮC ĐIỀU KHIỂN HỘP SỐ)
3.ĐỌC GIÁ TRỊ BẰNG MÁY CHẨN ĐOÁN (TÍN HIỆU LẪY LÊN SỐ "SPORTS SHIFT UP SW" VÀ XUỐNG SỐ "SPORTS SHIFT DOWN SW")
a.Nối máy chẩn đoán GTS với giắc DLC3.
b.Bật khóa điện ON (IG).
c.Bật máy chẩn đoán GTS.
d.Vào các menu sau: Powertrain / Engine and ECT / Data List / Primary.
e.Theo hiển thị trên máy chẩn đoán, đọc Danh mục Dữ liệu.
Powertrain > Engine and ECT > Data List
| Hiển thị của máy chẩn đoán | Hạng Mục Đo | Phạm vi | Điều kiện bình thường | Ghi chú |
|---|---|---|---|---|
| Công tắc lên số ở chế độ thể thao | Trạng thái của công tắc lên số ở chế độ thể thao | OFF hoặc ON |
·ON: Đẩy cần số về phía "+" hoặc kéo lẫy chuyển số "+" ·OFF: Không gạt cần chuyển số về phía "+" hoặc không gạt lẫy chuyển số "+" |
- |
| Công tắc xuống số ở chế độ thể thao | Trạng thái của công tắc xuống số ở chế độ thể thao | OFF hoặc ON |
·ON: Đẩy cần số về phía "-" hoặc kéo lẫy chuyển số "-" ·OFF: Không gạt cần chuyển số về phía "-" hoặc không gạt lẫy chuyển số "-" |
- |
Powertrain > Engine and ECT > Data List
| Hiển thị của máy chẩn đoán |
|---|
| Công tắc lên số ở chế độ thể thao |
| Công tắc xuống số ở chế độ thể thao |
Kết quả:
| Kết quả | Chuyển đến |
|---|---|
| Dữ liệu được hiển thị nằm trong Phạm vi điều kiện bình thường | A |
| Dữ liệu được hiển thị không nằm trong Phạm vi điều kiện bình thường | B |
A KIỂM TRA CÁC LỖI CHẬP CHỜN
B 4.KIỂM TRA CỤM ĐIỀU KHIỂN KHOÁ CHUYỂN SỐ (CÔNG TẮC ĐIỀU KHIỂN HỘP SỐ)
4.KIỂM TRA CỤM ĐIỀU KHIỂN KHOÁ CHUYỂN SỐ (CÔNG TẮC ĐIỀU KHIỂN HỘP SỐ)
a.

Rút giắc E65 của bộ điều khiển khóa chuyển số (công tắc điều khiển hộp số).
b.Đo điện trở dựa theo giá trị (các giá trị) trong bảng dưới đây.
Điện trở tiêu chuẩn:
| Nối dụng cụ đo | Điều kiện | Điều kiện tiêu chuẩn |
|---|---|---|
| 3 (SFTU) - 2 (E) | Đẩy cần số về phía "+" | Dưới 1 Ω |
| 3 (SFTU) - 2 (E) | Cần số được đặt ở vị trí M | 10 kΩ trở lên |
| 1 (SFTD) - 2 (E) | Đẩy cần số về phía "-" | Dưới 1 Ω |
| 1 (SFTD) - 2 (E) | Cần số được đặt ở vị trí M | 10 kΩ trở lên |
c. Cắm giắc E65 của bộ điều khiển khóa chuyển số (công tắc điều khiển hộp số).
Kết quả:
| Chuyển đến |
|---|
| OK |
| NG |
OK 5.KIỂM TRA DÂY ĐIỆN VÀ GIẮC NỐI (CÔNG TẮC ĐIỀU KHIỂN HỘP SỐ - ECM)
NG HÃY THAY THẾ BỘ ĐIỀU KHIỂN KHÓA CHUYỂN SỐ (CÔNG TẮC ĐIỀU KHIỂN HỘP SỐ)
5.KIỂM TRA DÂY ĐIỆN VÀ GIẮC NỐI (CÔNG TẮC ĐIỀU KHIỂN HỘP SỐ - ECM)
a.Ngắt giắc nối A40 của ECM.
b.Đo điện trở dựa theo giá trị (các giá trị) trong bảng dưới đây.
Điện trở tiêu chuẩn:
| Nối dụng cụ đo | Điều kiện | Điều kiện tiêu chuẩn |
|---|---|---|
| A40-43 (SFTD) - Mát thân xe | Đẩy cần số về phía "-" | Dưới 1 Ω |
| A40-43 (SFTD) - Mát thân xe | Cần số được đặt ở vị trí M | 10 kΩ trở lên |
| A40-42 (SFTU) - Mát thân xe | Đẩy cần số về phía "+" | Dưới 1 Ω |
| A40-42 (SFTU) - Mát thân xe | Cần số được đặt ở vị trí M | 10 kΩ trở lên |
c.Nối giắc nối A40 của ECM.
Kết quả:
| Chuyển đến |
|---|
| OK |
| NG |
OK 6.THAY ECM
NG SỬA CHỮA HAY THAY THẾ DÂY DẪN HOẶC GIẮC NỐI (CÔNG TẮC ĐIỀU KHIỂN HỘP SỐ - ECM)
6.THAY ECM
a. Thay thế ECM.
Kết quả:
| Chuyển đến |
|---|
| TIẾP |
TIẾP TIẾN HÀNH KHỞI TẠO
7.KIỂM TRA CỤM ĐIỀU KHIỂN KHOÁ CHUYỂN SỐ (CÔNG TẮC ĐIỀU KHIỂN HỘP SỐ)
a.

Rút giắc E65 của bộ điều khiển khóa chuyển số (công tắc điều khiển hộp số).
b.Đo điện trở dựa theo giá trị (các giá trị) trong bảng dưới đây.
Điện trở tiêu chuẩn:
| Nối dụng cụ đo | Điều kiện | Điều kiện tiêu chuẩn |
|---|---|---|
| 4 (IG) - 5 (S) | Cần số được đặt ở vị trí M | Dưới 1 Ω |
| 4 (IG) - 5 (S) | Cần số không ở vị trí M | 10 kΩ trở lên |
c.Cắm giắc E65 của bộ điều khiển khóa chuyển số (công tắc điều khiển hộp số).
Kết quả:
| Chuyển đến |
|---|
| OK |
| NG |
OK 8.KIỂM TRA DÂY ĐIỆN VÀ GIẮC CẮM (MẠCH NGUỒN CỦA CÔNG TẮC ĐIỀU KHIỂN HỘP SỐ)
NG HÃY THAY THẾ BỘ ĐIỀU KHIỂN KHÓA CHUYỂN SỐ (CÔNG TẮC ĐIỀU KHIỂN HỘP SỐ)
8.KIỂM TRA DÂY ĐIỆN VÀ GIẮC CẮM (MẠCH NGUỒN CỦA CÔNG TẮC ĐIỀU KHIỂN HỘP SỐ)
a.

Rút giắc E65 của bộ điều khiển khóa chuyển số (công tắc điều khiển hộp số).
b.Đo điện áp dựa theo các giá trị trong bảng dưới đây.
Điện áp tiêu chuẩn:
| Nối dụng cụ đo | Điều kiện | Điều kiện tiêu chuẩn |
|---|---|---|
| E65-4 (IG) - Mát thân xe | Khóa điện bật ON (IG) | Từ 11 đến 14 V |
| E65-4 (IG) - Mát thân xe | Khóa điện tắt OFF | Dưới 1 V |
Kết quả:
| Chuyển đến |
|---|
| OK |
| NG |
OK 9.KIỂM TRA DÂY ĐIỆN VÀ GIẮC NỐI (CÔNG TẮC ĐIỀU KHIỂN HỘP SỐ - ECM)
NG KIỂM TRA MẠCH CẤP NGUỒN
9.KIỂM TRA DÂY ĐIỆN VÀ GIẮC NỐI (CÔNG TẮC ĐIỀU KHIỂN HỘP SỐ - ECM)
a.Ngắt giắc nối A40 của ECM.
b.Đo điện trở dựa theo giá trị (các giá trị) trong bảng dưới đây.
Điện trở tiêu chuẩn:
| Nối dụng cụ đo | Điều kiện | Điều kiện tiêu chuẩn |
|---|---|---|
| E65-5 (S) - A40-41 (S) | Luôn luôn | Dưới 1 Ω |
| E65-5 (S) - Mát thân xe và các cực khác | Luôn luôn | 10 kΩ trở lên |
| A40-41 (S) - Mát thân xe và các cực khác | Luôn luôn | 10 kΩ trở lên |
c.Nối giắc nối A40 của ECM.
d.Cắm giắc E65 của bộ điều khiển khóa chuyển số (công tắc điều khiển hộp số).
Kết quả:
| Chuyển đến |
|---|
| OK |
| NG |
OK 10.THAY ECM
NG SỬA CHỮA HAY THAY THẾ DÂY DẪN HOẶC GIẮC NỐI (CÔNG TẮC ĐIỀU KHIỂN HỘP SỐ - ECM)
10.THAY ECM
a.Thay thế ECM.
Kết quả:
| Chuyển đến |
|---|
| TIẾP |
TIẾP TIẾN HÀNH KHỞI TẠO
Tin tức nổi bật
Chênh lệch giá vàng trong nước và thế giới 14/4/2026
Cách quy đổi giá vàng thế giới
Vàng miếng, vàng thỏi, vàng nguyên liệu là gì?
Giá vàng, bạc áp lực giảm do lo ngại lạm phát (theo kitco.com)
So sánh giá vàng Sjc, Doji, Pnj, Phú Quý hôm nay