
QUY TRÌNH LẮP RÁP BỘ ENGINE START-STOP CHO XE Ô TÔ
DỤNG CỤ ĐỂ LẮP RÁP BỘ ENGINE START-STOP CHO XE Ô TÔ
Chuẩn bị tô vít (+) và (-), clê tuýp 10mm hoặc “T” 10mm, kìm cắt dây điện, đồng hồ vạn năng, đèn thử điện, băng dính cách điện, ghen cách điện, dây lạt buộc nhanh, mũi nhọn ĐK 2mm để nhể cốt giắc điện. Để tốt nhất cho việc mở các chi tiết nội thất, chuẩn bị thêm 1 bộ đồ chuyên dụng mở nội thất.
CÁC BƯỚC THỰC HIỆN LẮP RÁP BỘ ENGINE START-STOP CHO XE Ô TÔ
- Tháo cực (-) bình điện.
- Tháo ốp đồng hồ táp-lô.
- Tháo đồng hồ táp lô.
- Tháo ốp cọc lái.
- Tháo ốp che đầu táp lô bên lái.
- Tháo tay mở nắp ca-pô.
- Tháo ốp cạnh chân phanh.
- Tháo ốp dưới cổ lái.
- Tháo ốp bảo vệ đầu gối.
Dùng sơ đồ điện và các thiết bị cần thiết để xác định các dây chức năng như: Đèn báo cửa, đèn báo IMMO, đèn báo sấy, đèn báo nạp, đèn báo số “P”, dây (+) motor khóa cửa, dây ra còi báo động hoặc dây điều khiển rơ-le ngắt đề, dây vào và ra công tắc báo chìa khóa “IN”, dây phanh chân, dây nguồn các loại (IG1, IG2, ACC, B+).
CHUẨN BỊ DÂY ĐIỆN ĐỂ LẮP RÁP BỘ ENGINE START-STOP CHO XE Ô TÔ
+Lựa chọn vị trí lắp hộp điều khiển, hộp bypass.
+Tại giắc 4 chân, cắt bỏ dây xanh lá cây và dây vàng.
+Tại giắc 11 chân, cắt bỏ dây vàng, đỏ.
+ Tại giắc 11 chân, chọn các đây màu cam, xanh nước biển, tím, xanh da trời, xám, dùng băng dính quấn các dây này lại với nhau sao cho vừa đủ lên đến chân các giắc trên đồng hồ táp-lô.

CÁCH ĐẤU DÂY BỘ ENGINE START-STOP CHO XE Ô TÔ
Trong 5 dây kéo lên đồng hồ táp-lô, lần lượt đấu các dây như hình sau:
- Dây màu da cam – tín hiệu “P”, đấu vào dây màu xanh lá cây tại giắc M15-D, chân số 1.
- Dây xanh nước biển – đèn IMMO, đấu vào dây Nâu sọc cam tại giắc M15-B, chân số 2.
- Dây màu tím – đèn báo sấy, đấu vào dây màu xanh nước biển tại giắc M15-C, chân số 12.
- Dây màu xanh da trời – đèn báo nạp, đấu vào dây màu xanh lá cây tại giắc M15-C, chân số 7.
- Dây màu xám – đèn báo mở cửa, đấu vào dây màu xanh lá cây/đen tại giắc M15-D, chân số 12.

Các dây dẫn còn lại đấu như hình sau:
- Dây màu nâu (giắc 11 chân) – phanh chân, đấu vào dây màu xanh lá cây sọc đen tại giắc C254, chân số 2.
- Dây màu Trắng (tại giắc 11 chân) – (+) motor lock, đấu vào dây màu da cam tại giắc I/P-D, chân số 18.

- Dây màu đen (giắc 11 chân) đấu vào dây màu hồng (đã cắt lìa – hướng đi vào bộ dây của xe) tại giắc M07, chân số3 (Báo chìa Key IN).
- Dây màu xanh lá cây (giắc 11 chân) đấu vào dây hồng (đã cắt lìa – hướng đi vào ổ khóa) tại giắc M07, chân số 3 (Báo chìa Key IN).
- Dây màu trắng (giắc 4 chân) đấu vào dây màu xanh nước biển sọc đen tại giắc M13-D , chân số 17, (Tín hiệu còi báo động).

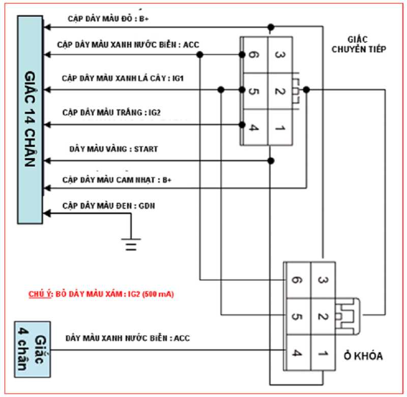
LẮP GiẮC CHÍNH (12 CHÂN)
Giắc 12 chân được nối với cặp đôi giắc 6 chân, giắc 6 chân bao gồm giắc đực nối vào ổ khóa và giắc cái nối vào cụm dây điện ổ khóa nguyên bản của xe. Đối với SF, cắt bỏ dây màu xám tại giắc 12 chân và dây màu xanh nước biển cắt lìa và nối với dây cùng màu đến từ giắc 4 chân như hình bên.

LẮP BỘ BYPASS (Chỉ dùng cho xe có “chìa từ”)
- Bộ BYPASS có 2 giắc điện, giắc 5 chân nối vào hộp ĐK chính, giắc 2 chân nối lên ổ khóa như hình vẽ, chỉ quấn quanh ổ khóa, không đấu vào dây nào.
- Chìa khóa zin của xe được cắt lìa như hình vẽ sao cho phần kim loại đủ dài để sau khi cắm vào ổ khóa phần chìa này, XOAY LÊN NẤC ACC không lồi quá khỏi bề mặt của ổ khóa và không được ngắn quá để nếu cần còn có thể rút ra khỏi ổ.
- Phần chuôi nhựa của ổ khóa lắp vào bên trong hộp BYPASS như hình dưới.

Sau khi hoàn tất việc đấu dây và lắp hết các giắc điện thì mới được lắp cực (-) của bình ac-quy, thử hoạt động của HT rồi lắp lại các chi tiết đã tháo trước đó.
Tin tức nổi bật
Sửa các lỗi màn hình ô tô
Đèn Báo Lỗi Động Cơ Sáng Trên Ô Tô - Lỗi nhiều chủ xe thường gặp phải
Nguyên nhân & cách xử lý: Ô tô bị ì, vòng tua cao nhưng tốc độ thấp
Sửa Xe Vios Điều Hòa Ô Tô Không Mát & Tiếng Rít Từ Động Cơ
Xử lý chảy dầu và đại tu hệ thống gầm xe ô tô
Nguyên nhân, dấu hiệu & cách khắc phục xe ô tô báo lỗi khí thải
Lỗi chống trơn trượt, cân bằng điện tử ESP
Dấu hiệu hỏng giảm xóc & cách sửa chữa, bảo dưỡng, thay thế
Xe vào số bị giật khi khởi động và sau khi đi ổn định
Tại sao cần vệ sinh họng nạp & van egr ? Hậu quả ? Phương pháp bắn trấu?
BẢNG GIÁ BÌNH ẮC QUY VARTA NĂM 2024
Báo giá sửa chữa xe công trình năm 2024
Sửa chữa điều hòa ô tô