
SƠ ĐỒ HỆ THỐNG ĐIỆN ĐIỀU KHIỂN ĐỘNG CƠ Ô TÔ
Danh sách chi tiết trên sơ đồ hệ thống điều khiển động cơ ô tô - mạch 1
ALT; IG2; IG2;IGN; STOP;
Cụm khoá điện;
ST;IGSW;
Cụm vòi phun nhiên liệu số 1;
Cụm công tắc đèn phanh;
Cụm vòi phun nhiên liệu số 2;
Cụm vòi phun nhiên liệu số 3;
Cụm vòi phun nhiên liệu số 4;
ST1;STP;#10;#20;#30; #40;
MREL; +B; +B2 ;
STA ;BATT ;NSW*1 ;
Công tắc đỗ xe/vị trí trung gian*1 hoặc Công tắc ly hợp*2 ;
AM2 ST NO. 1 ;
ECU-B NO. 3 ;
EFI-MAIN ;
EFI SỐ 2 ;
EFI NO. 1 ;
B C A D E F ;
ECM ;
*1: cho model có hộp số vô cấp CVT ;
*2: cho model xe có hộp số thường *1;
Sơ đồ hệ thống điều khiển động cơ ô tô - mạch 1

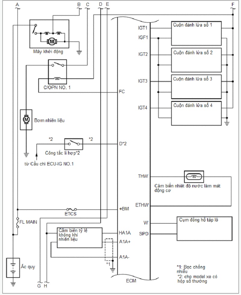
Danh sách chi tiết trên sơ đồ hệ thống điều khiển động cơ ô tô - mạch 2
A B C D E F
Máy khởi động
C/OPN NO. 1
Bơm nhiên liệu
FC D*2 từ Cầu chì ECU-IG NO.1
Công tắc li hợp*2
FL MAIN
ETCS
Cảm biến tỷ lệ không khí nhiên liệu
Ắc quy
Các cực trên ECM
*1 A1A- A1A+ HA1A +BM ETHW W SPD ECM G H
Cụm đồng hồ táp lô THW
Cảm biến nhiệt độ nước làm mát động cơ
IGT1 IGF1 IGT2 IGT3 IGT4
Cuộn đánh lửa số 1
Cuộn đánh lửa số 2
Cuộn đánh lửa số 3
Cuộn đánh lửa số 4 *1:
Bọc chống nhiễu *2: cho model xe có hộp số thường
Sơ đồ hệ thống điều khiển động cơ ô tô - mạch 2

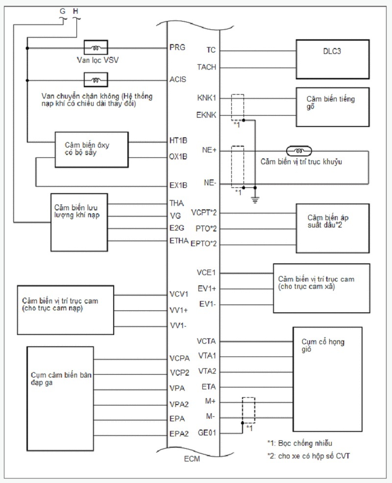
Danh sách chi tiết trên sơ đồ hệ thống điều khiển động cơ ô tô - mạch 3
G H
Van chuyển chân không (Hệ thống nạp khí có chiều dài thay đổi)
Cảm biến ôxy có bộ sấy
Cảm biến lưu lượng khí nạp
Cảm biến vị trí trục cam (cho trục cam nạp)
Cụm cảm biến bàn đạp ga
Các cực trên ECM
PRG ACIS HT1B OX1B EX1B THA VG E2G ETHA VCV1 VV1+ VCPA VV1- VCP2 VPA VPA2 EPA EPA2 ECM TC TACH KNK1 EKNK NE+ NE- VCPT*2 PTO*2 EPTO*2 VCE1 EV1+ EV1- VCTA VTA1 VTA2 ETA M+ M- GE01 DLC3
Cảm biến tiếng gõ
Cảm biến vị trí trục khuỷu
Cảm biến áp suất dầu*2
Cảm biến vị trí trục cam (cho trục cam xả)
Cụm cổ họng gió *1:
Bọc chống nhiễu *1 *1 *1 *2: cho xe có hộp số CVT
Sơ đồ hệ thống điều khiển động cơ ô tô - mạch 3

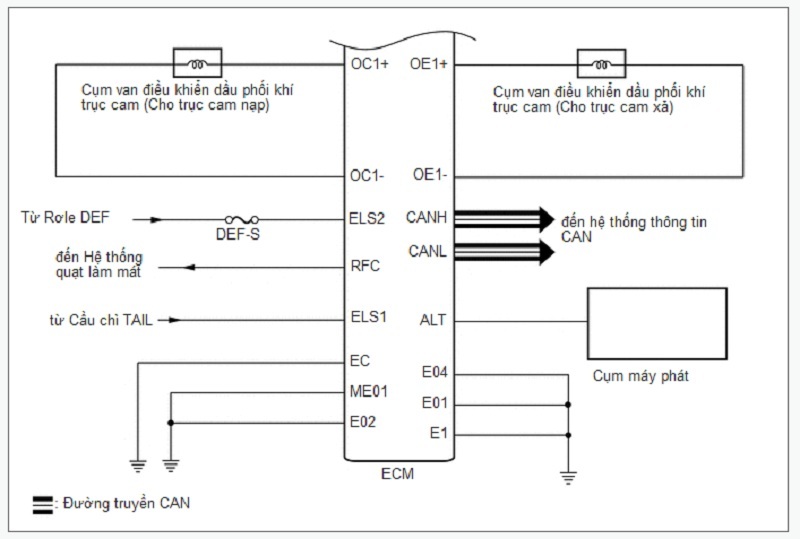
Danh sách chi tiết trên sơ đồ hệ thống điều khiển động cơ ô tô - mạch 4
Cụm van điều khiển dầu phối khí trục cam (Cho trục cam nạp)
Cụm van điều khiển dầu phối khí trục cam (Cho trục cam xả)
Các cực trên ECM
OC1+ OC1- OE1+ OE1- ELS2 RFC ELS1 EC E04 E02 ME01 E01 E1
đến hệ thống thông tin CAN
Cụm máy phát
Từ Rơle DEF
đến Hệ thống quạt làm mát
từ Cầu chì TAIL
Sơ đồ hệ thống điều khiển động cơ ô tô - mạch 4

Tin tức nổi bật
Sửa các lỗi màn hình ô tô
Đèn Báo Lỗi Động Cơ Sáng Trên Ô Tô - Lỗi nhiều chủ xe thường gặp phải
Nguyên nhân & cách xử lý: Ô tô bị ì, vòng tua cao nhưng tốc độ thấp
Sửa Xe Vios Điều Hòa Ô Tô Không Mát & Tiếng Rít Từ Động Cơ
Xử lý chảy dầu và đại tu hệ thống gầm xe ô tô
Nguyên nhân, dấu hiệu & cách khắc phục xe ô tô báo lỗi khí thải
Lỗi chống trơn trượt, cân bằng điện tử ESP
Dấu hiệu hỏng giảm xóc & cách sửa chữa, bảo dưỡng, thay thế
Xe vào số bị giật khi khởi động và sau khi đi ổn định
Tại sao cần vệ sinh họng nạp & van egr ? Hậu quả ? Phương pháp bắn trấu?
BẢNG GIÁ BÌNH ẮC QUY VARTA NĂM 2024
Báo giá sửa chữa xe công trình năm 2024
Sửa chữa điều hòa ô tô