
Sơ đồ mạch điện, hướng dẫn sửa chữa hệ thống gạt mưa, rửa kính trên xe ô tô
Giới thiệu chung hệ thống gạt mưa, rửa kính trên xe ô tô
Ô tô thường dùng các kiểu hệ thống gạt nước và rửa kính sau đây:
Chức năng gạt mưa
Hệ thống gạt mưa thường có những chế độ làm việc như sau:
- Gạt mưa một tốc độ.
- Gạt mưa hai tốc độ.
- Gạt mưa gián đoạn (INT).
- Gạt mưa gián đoạn có hiệu chỉnh thời gian gián đoạn.
- Gạt mưa kết hợp với rửa kính.
Chức năng rửa kính
- Môtơ rửa kính trước và rửa kính sau riêng rẽ.
- Rửa kính trước và rửa kính sau dùng chung một môtơ.
Các bộ phận hệ thống rửa kính
Hệ thống gạt mưa và rửa kính bao gồm các bộ phận sau:
Mô tơ gạt mưa
![]()
Cấu tạo mô tơ gạt mưa
Mô tơ kiểu dùng nam châm vĩnh cửu được dùng cho các môtơ gạt nước. Môtơ gạt nước bao gồm một môtơ và cơ cấu trục vít – bánh vít bánh răng để giảm tốc độ của môtơ. Công tắc dừng tự động được gắn liền với bánh răng để gạt nước dừng tại một vị trí cuối khi tắt công tắc gạt nước ở bất kỳ thời điểm nào nhằm tránh giới hạn tầm nhìn tài xế. Một môtơ gạt nước thường sử dụng ba chổi than: Chổi tốc độ thấp, chổi tốc độ cao và chổi dùng chung (để nối mass ).
Công tắc dừng tự động mô tơ gạt mưa
![]()
Công tắc vị trí dừng tự động ở vị trí dừng
Công tắc dừng tự động bao gồm một đĩa đồng có khoét rãnh và ba tiếp điểm. Ở vị trí OFF của công tắc gạt nước tiếp điểm giữa được nối với chổi than tốc độ thấp của môtơ gạt qua công tắc. Nhờ vậy, mặc dù ngắt công tắc, môtơ sẽ tiếp tục quay đến điểm dừng nhờ đường dẫn tiếp điểm qua lá đồng.
Tại thời điểm này mạch được đóng bởi tiếp điểm khác và mô tơ. Mạch kín này sinh ra hiện tượng phanh điện, ngăn không cho môtơ tiếp tục quay do quán tính.
Đặt tốc độ mô tơ gạt mưa
Một sức điện động đảo chiều được sinh ra trong các cuộn ứng khi môtơ quay có tác dụng giới hạn tốc độ quay của môtơ.
• Ở tốc độ thấp :
Khi dòng điện từ chổi tốc độ thấp qua cuộn ứng một sức điện động đảo chiều lớn được sinh ra, làm cho môtơ quay chậm.
• Ở tốc độ cao:
Khi dòng điện từ chổi tốc độ cao chạy qua các cuộn ứng, một sức điện động đảo chiều nhỏ được sinh ra làm môtơ quay ở tốc độ cao.
Rơ le gạt mưa gián đoạn
Rơle này có tác dụng làm gạt nước hoạt động gián đoạn. Ngày nay kiểu rơle gắn trong công tắc gạt nước được sử dụng rộng rãi.
Một rơle nhỏ và một mạch transitor bao gồm các tụ điện và điện trở được kết hợp trong rơle gạt nước gián đoạn này.
Dòng điện chạy qua môtơ gạt nước được điều khiển bởi rơle bên trong này tương ứng với tín hiệu từ công tắc gạt nước làm môtơ gạt nước quay gián đoạn.
Ở một vài kiểu xe, thời gian gián đoạn có thể điều chỉnh được.
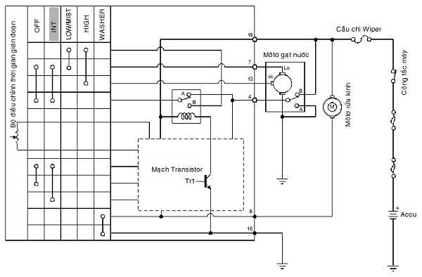
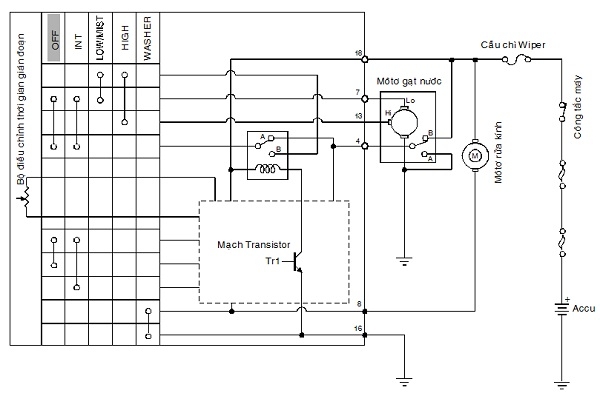
Hoạt động công tắc gạt mưa ở vị trí LOW/MIST
Công tắc gạt mưa ở vị trí LOW/MIST :
![]()
Sơ đồ mạch điện khi công tắc gạt nước ở vị trí LOW/MIST
Khi công tắc ở vị trí LOW hay MIST, dòng điện chạy đến chổi tốc độ thấp của mô tơ gạt nước như sơ đồ dưới và gạt nướt hoạt động ở tốc độ thấp.
Accu + chân18 tiếp điểm LOW/MIST công tắc gạt nước chân 7 môtơ gạt nước (Lo) mass.
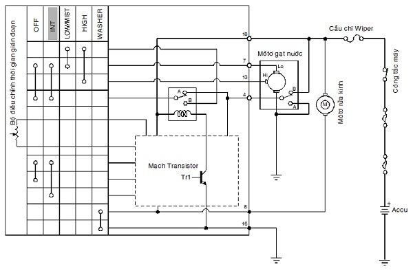
Công tắc gạt nước ở vị trí HIGH
Khi công tắc gạt nước ở vị trí HIGH dòng điện tới chổi tốc độ cao tốc của môtơ (HI) như sơ đồ dưới và môtơ quay ở tốc độ cao.
Accu + chân 18 tiếp điểm HIGH của công tắc gạt nước chân 13 môtơ gạt nước (HIGH) mass.
![]()
Sơ đồ mạch điện khi công tắc gạt nước ở vị trí HIGH
Công tắc gạt nước ở vị trí OFF
Nếu tắt công tắc gạt nước trong khi môtơ gạt nước đang quay, dòng điện sẽ chạy đến chổi tốc độ thấp của môtơ gạt nước như hình vẽ dưới và gạt nước hoạt động ở tốc độ thấp.
Accu + tiếp điểm B công tắc cam cực 4 tiếp điểm rơle các tiếp điểm OFF công tắc gạt nước cực 7 môtơ gạt nước (LOW) mass.
Khi gạt nước đến vị trí dừng, tiếp điểm công tắc cam quay từ phía B sang phía A và môtơ dừng lại.
![]()
Sơ đồ mạch điện khi công tắc gạt nước ở vị trí OFF
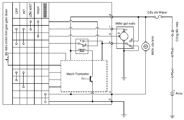
Công tắc gạt nước tại vị trí INT: (Vị trí gián đoạn)
a. Khi công tắc gạt nước dịch đến vị trí INT, Tr1 bật trong một thời gian ngắn làm tiếp điểm rơle chuyển từ A sang B.
Accu + chân18 cuộn rơle Tr1chân 16 mass.
Khi các tiếp điểm rơle đóng tại B, dòng điện chạy đến môtơ (LO) và môtơ bắt đầu quay ở tốc độ thấp.
Accu + chân18 tiếp điểm B rơle các tiếp điểm INT của công tắc gạt nước chân 7 môtơ gạt nước LO mass.
![]()
Sơ đồ mạch điện khi công tắc gạt nước ở vị trí INT
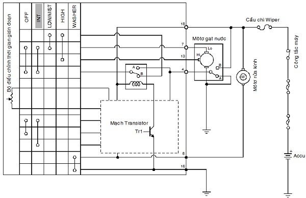
b. Tr1 nhanh chóng tắt, làm tiếp điểm của rơle lại quay ngược từ B về A. Tuy nhiên, một khi môtơ bắt đầu quay tiếp điểm của công tắc cam bật từ vị trí A sang vị trí B nên dòng điện tiếp tục chạy qua chổi tốc độ thấp của môtơ và gạt nước hoạt động ở tốc độ thấp.
Accu + tiếp điểm B công tắc cam chân số 4 tiếp điểm A rơle chân 7 môtơ gạt nước LO mass.
Khi gạt nước đến vị trí dừng tiếp điểm của công tắc cam lại gạt từ B về A làm dừng môtơ. Một thời gian xác định sau khi gạt nước dừng Tr1 lại bật trong thời gian ngắn, làm gạt nước lập lại hoạt động gián đoạn của nó.
![]()
Sơ đồ mạch điện khi công tắc gạt nước ở vị trí INT.
Công tắt rửa kính bật ON:
![]()
Sơ đồ mạch điện khi công tắc gạt nước ở vị trí ON.
Khi công tắt rửa kính bật ON, dòng điện chạy đến môtơ rửa kính.
Accu + môtơ rửa kính chân số 8 tiếp điểm công tắc rửa kính chân 16 mass.
Trong trường hợp gạt nước nối với rửa kính, Tr1 bật trong thời gian xác định khi môtơ rửa kính hoạt động làm gạt nước hoạt động, ở tốc độ thấp một hoặc hai lần. Thời gian Tr1 bật là thời gian nạp điện cho tụ trong mạch transitor. Thời gian nạp lại điện cho tụ phụ thuộc vào thời gian bật công tắc rửa kính.
Tin tức nổi bật
Sửa các lỗi màn hình ô tô
Đèn Báo Lỗi Động Cơ Sáng Trên Ô Tô - Lỗi nhiều chủ xe thường gặp phải
Nguyên nhân & cách xử lý: Ô tô bị ì, vòng tua cao nhưng tốc độ thấp
Sửa Xe Vios Điều Hòa Ô Tô Không Mát & Tiếng Rít Từ Động Cơ
Xử lý chảy dầu và đại tu hệ thống gầm xe ô tô
Nguyên nhân, dấu hiệu & cách khắc phục xe ô tô báo lỗi khí thải
Lỗi chống trơn trượt, cân bằng điện tử ESP
Dấu hiệu hỏng giảm xóc & cách sửa chữa, bảo dưỡng, thay thế
Xe vào số bị giật khi khởi động và sau khi đi ổn định
Tại sao cần vệ sinh họng nạp & van egr ? Hậu quả ? Phương pháp bắn trấu?
BẢNG GIÁ BÌNH ẮC QUY VARTA NĂM 2024
Báo giá sửa chữa xe công trình năm 2024
Sửa chữa điều hòa ô tô