
Mã lỗi P2118 code - Mô tơ điều khiển bộ chấp hành bướm ga
P2118 Phạm vi / Tính năng của Dòng điện môtơ điều khiển bộ chấp hành bướm ga -
Mô tả Mã lỗi P2118 code
Hệ thống điều khiển bướm ga điện tử (ETCS) có một mạch cấp nguồn riêng. Điện áp (+BM) được theo dõi và khi điện áp thấp (nhỏ hơn 4 V), ECM kết luận rằng ETCS có hư hỏng và dòng điện đến môtơ điều khiển bướm ga bị cắt.
Khi điện áp không ổn định, hệ thống điều khiển bướm ga điện tử sẽ tự nó trở nên không ổn định. Vì vậy khi điện áp thấp, dòng điện đến bộ chấp hành bướm ga sẽ bị cắt. Nếu bạn đã tiến hành sửa chữa và hệ thống đã trở về trạng thái bình thường, hãy tắt khóa điện OFF. Sau đó, ECM cho phép dòng điện chạy đến bộ chấp hành bướm ga để sao cho nó có thể khởi động lại.
GỢI Ý:
Hệ thống điều khiển bướm ga điện tử (ETCS) không sử dụng dây cáp bướm ga.

| Số mã lỗi | Hạng mục phát hiện | Điều kiện phát hiện mã lỗi | Khu vực nghi ngờ | MIL | Bộ nhớ |
|---|---|---|---|---|---|
| P2118 | Phạm vi / Tính năng của Dòng điện môtơ điều khiển bộ chấp hành bướm ga - | Mạch nguồn (+BM) của hệ thống điều khiển bướm ga điện tử bị hở mạch (thuật toán phát hiện 1 hành trình). |
·Hở mạch trong mạch nguồn của hệ thống điều khiển bướm ga điện tử ·Ắc quy ·Các cực của ắc quy ·Cầu chì ETCS ·ECM |
Bật lên | Lưu lại mã lỗi |
MÔ TẢ VỀ VIỆC GIÁM SÁT
ECM sẽ theo dõi điện áp nguồn ắc quy cấp đến bộ chấp hành bướm ga.
Khi điện áp cấp nguồn (+BM) thấp hơn 4V trong 0.8 giây trở lên, ECM coi đó là hở mạch trong mạch cấp nguồn (+BM). Sau đó ECM sẽ bật sáng đèn MIL và thiết lập mã lỗi.
PHƯƠNG PHÁP GIÁM SÁT
| Cảm biến/Chi tiết bắt buộc | Bộ chấp hành bướm ga Bướm ga (Cụm cổ họng gió) Cầu chì ETCS |
| Tần số hoạt động | Liên tục |
XÁC NHẬN SƠ ĐỒ LÁI Mã lỗi P2118 code

1.Nối máy chẩn đoán GTS với giắc DLC3.
2.Bật khóa điện đến vị trí ON và bật máy chẩn đoán ON.
3.Xoá các mã lỗi (hãy xóa mã lỗi kể cả khi không có mã lỗi được lưu)
4.Tắt khóa điện OFF và đợi ít nhất 30 giây.
5.Bật khóa điện đến vị trí ON và bật máy chẩn đoán ON [A].
6.Khởi động động cơ.
7.Đạp chậm bàn đạp ga để tăng tốc độ động cơ đến 3000 v/p trong khoảng 5 giây, sau đó để động cơ chạy không tải [B].
8.Kiểm tra rằng đã 16 giây trở lên tính từ khi bắt đầu khởi động động cơ.
9.Vào các menu sau: Powertrain / Engine and ECT / Trouble Codes [C].
10.Đọc các mã lỗi treo.
GỢI Ý:
·Nếu xuất hiện mã lỗi treo, thì hệ thống đang bị lỗi.
·Nếu mã lỗi treo không phát ra, hãy thực hiện theo quy trình sau.
11.Vào các menu sau: Powertrain / Engine and ECT / Utility / All Readiness.
12.Hãy nhập vào mã lỗi: P2118.
13.Kiểm tra kết quả đánh giá mã lỗi.
| Màn hình GTS | Mô tả |
|---|---|
| NORMAL |
·Việc đánh giá mã lỗi đã hoàn tất ·Hệ thống bình thường |
| ABNORMAL |
·Việc đánh giá mã lỗi đã hoàn tất ·Hệ thống bất thường |
| INCOMPLETE |
·Việc đánh giá mã lỗi chưa được hoàn tất ·Tiến hành lái xe theo mẫu lái xe kiểm tra sau khi xác nhận điều kiện xuất hiện mã lỗi |
| N/A |
·Không thể tiến hành đánh giá mã lỗi ·Số lượng các mã lỗi không thỏa mãn các điều kiện ban đầu của mã lỗi đã đạt đến giới hạn bộ nhớ của ECU |
GỢI Ý:
·Nếu kết quả đánh giá là "NORMAL", thì hệ thống là bình thường.
·Nếu kết quả đánh giá là "ABNORMAL", thì hệ thống đã bị lỗi.
·Nếu kết quả đánh giá là "INCOMPLETE" hoặc "N/A", hãy thực hiện lại các bước [B] và [C], và nếu cần thiết, hãy lái xe thêm một lúc nữa.
CHỨC NĂNG DỰ PHÒNG
Nếu bất kỳ các mã lỗi này hay các mã lỗi khác có liên quan đến sự cố của hệ thống điều khiển bướm ga điện tử (ETCS) được lưu lại, ECM sẽ chuyển sang chế độ dự phòng. Khi ở chế độ dự phòng, ECM sẽ cắt dòng điện đến bộ chấp hành bướm ga. Bướm ga sẽ hồi về một vị trí mở 5.5° bằng lực của lò xo hồi. Sau đó, ECM điều chỉnh công suất ra của động cơ bằng cách điều khiển phun nhiên liệu (phun cắt quãng) và thời điểm đánh lửa, theo vị trí của bàn đạp ga, để cho phép xe có thể tiếp tục chạy được ở tốc độ tối thiểu. Nếu đạp chậm và chắc bàn đạp ga, có thể lái chậm xe.
Chế độ dự phòng tiếp tục cho đến khi điều kiện đạt "pass" được phát hiện, và khóa điện được tắt OFF.
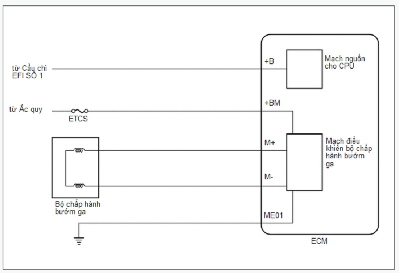
Sơ đồ mạch điện để xử lý Mã lỗi P2118 code
Hãy tham khảo bài viết về xử lý mã lỗi P2102.
Xem thêm >>> MÃ LỖI P2102 CODE
LƯU Ý:Kiểm tra cầu chì của các mạch điện liên quan đến hệ thống này trước khi thực hiện quy trình kiểm tra sau đây.
GỢI Ý:Đọc dữ liệu lưu tức thời dùng máy chẩn đoán. ECM lưu những thông tin về xe và điều kiện lái xe tại thời điểm mã lỗi được lưu lại. Khi chẩn đoán, dữ liệu lưu tức thời giúp xác định xe đang chạy hay đỗ, động cơ nóng hay chưa, tỷ lệ không khí - nhiên liệu đậm hay nhạt cũng như những dữ liệu khác ghi lại được tại thời điểm xảy ra hư hỏng.
Quy trình xử lý Mã lỗi P2118 code
1.ĐỌC GIÁ TRỊ BẰNG MÁY CHẨN ĐOÁN (ĐIỆN ÁP +BM)
a.Nối máy chẩn đoán GTS với giắc DLC3.
b.Bật khoá điện ON.
c.Bật máy chẩn đoán GTS.
d.Vào các menu sau: Powertrain / Engine and ECT / Data List / All Data / +BM Voltage.
Powertrain > Engine and ECT > Data List
| Hiển thị của máy chẩn đoán |
|---|
| Điện áp +BM |
e.Đọc giá trị hiển thị trên máy chẩn đoán GTS.
Kết quả:
| Kết quả | Chuyển đến |
|---|---|
| Nhỏ hơn 4 V | A |
| Từ 11 đến 14 V | B |
A 2.KIỂM TRA DÂY ĐIỆN VÀ GIẮC NỐI (ECM - ẮC QUY, MÁT THÂN XE)
B KIỂM TRA CÁC LỖI CHẬP CHỜN
2.KIỂM TRA DÂY ĐIỆN VÀ GIẮC NỐI (ECM - ẮC QUY, MÁT THÂN XE)

a.Ngắt giắc nối của ECM.
b.Đo điện áp dựa theo các giá trị trong bảng dưới đây.
Điện áp tiêu chuẩn:
| Nối dụng cụ đo | Điều kiện | Điều kiện tiêu chuẩn |
|---|---|---|
| B33-29 (+BM) - Mát thân xe | Luôn luôn | Từ 11 đến 14 V |
c. Đo điện trở dựa theo giá trị (các giá trị) trong bảng dưới đây.
Điện trở tiêu chuẩn:
| Nối dụng cụ đo | Điều kiện | Điều kiện tiêu chuẩn |
|---|---|---|
| B33-59 (ME01) - Mát thân xe | Luôn luôn | Dưới 1 Ω |
| B33-16 (E1) - Mát thân xe | Luôn luôn | Dưới 1 Ω |
Kết quả:
| Chuyển đến |
|---|
| OK |
| NG |
OK THAY ECM
NG SỬA CHỮA HAY THAY DÂY ĐIỆN HOẶC GIẮC NỐI
Tin tức nổi bật
Sửa các lỗi màn hình ô tô
Đèn Báo Lỗi Động Cơ Sáng Trên Ô Tô - Lỗi nhiều chủ xe thường gặp phải
Nguyên nhân & cách xử lý: Ô tô bị ì, vòng tua cao nhưng tốc độ thấp
Sửa Xe Vios Điều Hòa Ô Tô Không Mát & Tiếng Rít Từ Động Cơ
Xử lý chảy dầu và đại tu hệ thống gầm xe ô tô
Nguyên nhân, dấu hiệu & cách khắc phục xe ô tô báo lỗi khí thải
Lỗi chống trơn trượt, cân bằng điện tử ESP
Dấu hiệu hỏng giảm xóc & cách sửa chữa, bảo dưỡng, thay thế
Xe vào số bị giật khi khởi động và sau khi đi ổn định
Tại sao cần vệ sinh họng nạp & van egr ? Hậu quả ? Phương pháp bắn trấu?
BẢNG GIÁ BÌNH ẮC QUY VARTA NĂM 2024
Báo giá sửa chữa xe công trình năm 2024
Sửa chữa điều hòa ô tô