[Những điều cần biết] Sửa chữa ô tô lưu động tránh tiền mất tất mạng
Giới thiệu về sửa chữa ô tô lưu động Sửa chữa ô tô lưu động là một dịch vụ được cung cấp cho các xe ô tô có sự cố hỏng hóc, nhưng không thể di chu...
Giới thiệu về sửa chữa ô tô lưu động Sửa chữa ô tô lưu động là một dịch vụ được cung cấp cho các xe ô tô có sự cố hỏng hóc, nhưng không thể di chu...
MỤC LỤC Lắp đặt trục cam Lắp xích cam Lắp đặt trục khuỷu và bạc đạn Lắp đặt cân bằng trục khuỷu Lắp đặt con dấu dầu phía trước trục khuỷu Lắp đặt c...
Các cầu chì và rơ le trên hộp cầu chì xe Spark và Matiz Rơ-le điều hoà Cầu chì tấm sưởi Cầu chì Đèn sương mù trước Cầu chì Tấm sưởi Rơ-l...
I. Roda là gì? Chạy roda là gì? - Roda hoặc còn được gọi là chạy rà xe, chạy roda là một quy trình quan trọng trong việc làm việc với các...
Động cơ ô tô là một trong những bộ phận quan trọng nhất của xe hơi, nó giúp đưa xe chạy trên đường. Tuy nhiên, khi động cơ hoạt động trong một thời...
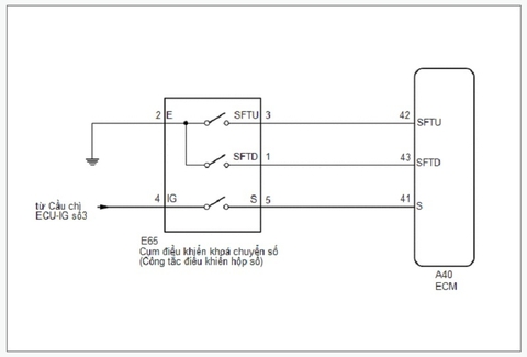
Dấu hiệu xe bị hư hỏng hộp số? Dấu hiệu xe bị hỏng hộp số có thể khác nhau tùy thuộc vào loại hộp số và mức độ hỏng hóc. Dưới đây là một số dấu hiệ...
Vệ sinh điều hòa ô tô là gì? Vệ sinh điều hòa ô tô là một công việc cần thiết để bảo vệ sức khỏe và tăng tuổi thọ cho hệ thống điều hòa ô tô, giúp ...
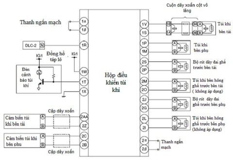
Chẩn đoán và kiểm tra khi xe ô tô báo lỗi túi khí Khi xe ô tô báo lỗi túi khí cần kiểm tra và chuẩn đoán nguyên nhân hư hỏng. Kiểm tra sơ bộ&n...
Đai an toàn là biện pháp chính để bảo vệ hành khách. Việc đeo đai an toàn tránh cho hành khách khỏi văng ra khỏi xe khi có tai nạn, đồng thời giảm ...
THÔNG SỐ SỬA CHỮA ĐAI AN TOÀN XE Ô TÔ THÔNG SỐ SỬA CHỮA CỤM ĐAI TRONG GHẾ TRƯỚC Hạng mục Vị trí Nối Dụng Cụ Đo Trạng Th...
Động cơ hybrid là gì? Động cơ hybrid là một loại động cơ được tích hợp giữa động cơ đốt trong và động cơ điện, giúp giảm thiểu sự tiêu thụ nhiên li...
Hiện tượng điều hòa ô tô lúc mát lúc không xuất hiện khi sử dụng ô tô trong 1 khoảng thời gian dài. Chính xác về hiện tượng này đó là điều hòa sẽ m...
Mục lục bài viết 1. Nguyên nhân điều hòa xe ô tô mát không sâu 2. Cách xử lý điều hòa xe ô tô mát không sâu 3. Câu hỏi thường gặp khi điều hòa xe ô...
Nguyên nhân điều hòa ô tô đóng ngắt liên tục Rất nhiều nguyên nhân gây ra hiện tượng điều hòa ô tô bị đóng ngắt liên tục tức là cứ 1 lúc thì mát và...
Nguyên nhân điều hòa ô tô có mùi hôi, mùi khó chịu Do lọc gió: khi hơi lạnh đến được các cửa gió và làm mát cho xe phải qua lọc gió + Lọc gió bẩn:...
Những hư hỏng thường gặp ở xe Volkswagen Lỗi cảm biến trên xe: Các cảm biến trên xe Volkswagen hay bị hư hỏng nhất Lỗi hộp đen ECU, thường hay hư ...
Điều hòa ô tô là hệ thống quan trọng trên ô tô, nó giúp xe duy trì nhiệt độ và không khí trong lành trong khoang nội thất. Để duy trì hiệu quả làm ...
Hệ thống điều hòa ô tô là một hệ thống quan trọng trên xe, điều hòa mang lại sự thỏa mái cho người điều khiển và những người ngồi trong xe. Điều hò...
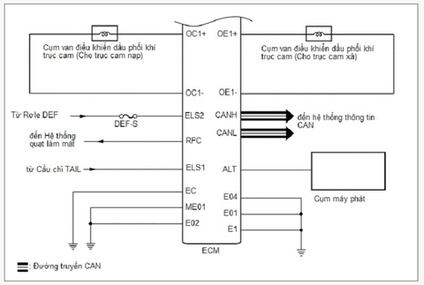
Cảm biến vị trí bướm ga là gì? Cảm biến ví trí bướm ga là một linh kiện quan trọng của động cơ đốt trong, được sử dụng để điều chỉnh lượng khí...
Đảo lốp định kỳ Lốp mòn bất thường là rất nguy hiểm. Để vệt lốp mòn đều giúp cho việc lái và phanh đạt hiệu quả, hãy thực hiện đảo lốp mỗi 10,000 k...
Đèn báo lỗi bánh răng là gì? - Đèn báo lỗi hộp số hay còn gọi báo lỗi bánh răng thông thường sẽ biểu thị lên màn hình biểu tượng hình của bánh...
Hiện tượng xe bị hỏng turbo là gì? Xe hỏng turbo xảy ra khá thường xuyên thường xảy ra khi đạp gas tăng tốc lúc chạy. Lỗi này thường có thể nhận b...
Thay dầu nhớt cho xe Toyota Vios Ở tất cả các loại máy móc, thiết bị máy đều cần đến một dung dịch dầu máy hay còn gọi là dầu nhớt. Loại dầu n...
Mục lục bài viết: 1. Hiện tượng điều hòa xe ô tô không mát 2. Nguyên nhân khiến điều hòa xe ô tô không mát 3. Liên hệ gara sửa lỗi điều hòa xe ô tô...
Nhu cầu phục chế gương đèn xe ô tô Nhu cầu phục chế gương đèn xe ô tô hiện nay là rất lớn, 1 phần là do lượng xe ô tô tại Việt Nam tăng trưởng khá ...
Đại tu thước lái là gì ? Đại tu thước lái là việc sửa chữa lại thước lái đưa thước lái về trạng thái hoạt động ban đầu của nó. Đại tu thước lái thự...
Các tiêu chí để đánh giá 1 garage ô tô uy tín, chất lượng Dưới đây là một số tiêu chí để đánh giá một garage ô tô uy tín và chất lượng: Kinh nghiệ...
Trong khi tham gia giao thông bằng xe ô tô, không ít người gặp phải trường hợp lốp xe bị hỏng không đi được. Vậy, phải làm gì để xử lý tình huống l...
Miếng kẹp chì lốp xe ô tô là gì? Miếng kẹp chì lốp xe ô tô là chi tiết giúp lốp xe ô tô tránh lực ly tâm do phân bố trọng lượng của lốp xe ô tô khô...
Dùng bảng bên dưới để tìm nguyên nhân triệu chứng gây ra tiếng ồn do bánh và lốp xe ô tô. Nếu cần, sửa hoặc thay thế các bộ phận sau. ...
Hình vẽ Công tắc gạt nước ô tô và hệ thống phun nước rửa kính trên xe ô tô A: Bên phải khoang động cơ Số Bộ phận...
HÌNH VẼ CHI TIẾT ĐƯỜNG ỐNG VÀ VÒI NƯỚC RỬA KÍNH XE Ô TÔ Sơ đồ Hệ thống Thủy lực ĐƯỜNG ỐNG VÀ VÒI NƯỚC RỬA KÍNH XE Ô TÔ Tháo và Lắp&nb...