HƯỚNG DẪN THÁO LẮP THAY THẾ BƠM NƯỚC RỬA KÍNH TRÊN XE Ô TÔ
Hình vẽ Chi tiết Bơm nước rửa kính trên xe ô tô Tháo lắp và thay thế Bơm nước rửa kính trên xe ô tô THÁO BƠM NƯỚC RỬA KÍNH TRÊN XE ...
Hình vẽ Chi tiết Bơm nước rửa kính trên xe ô tô Tháo lắp và thay thế Bơm nước rửa kính trên xe ô tô THÁO BƠM NƯỚC RỬA KÍNH TRÊN XE ...
Hình vẽ Chi tiết bình nước rửa kính xe ô tô THÁO BÌNH NƯỚC RỬA KÍNH TRÊN XE Ô TÔ 1. Tháo kẹp (A) và kéo ống dẫn vào BÌNH NƯỚC RỬ...
THÁO VÀ LẮP CẦN GẠT MƯA TRƯỚC Hình vẽ Chi tiết cần gạt mưa trước THÁO TAY CẦN GẠT MƯA 1. Vận hành CẦN GẠT MƯA TR...
CHẨN ĐOÁN TRIỆU CHỨNG HƯ HỎNG CẦN GẠT NƯỚC VÀ PHUN NƯỚC RỬA KÍNH Bảng Triệu chứng hư hỏng gạt mưa và phun nước rửa kính CHÚ Ý: Tiến hành ...
CHẨN ĐOÁN MẠCH LO MÔ TƠ GẠT NƯỚC TRƯỚC Kiểm tra Chức năng Bộ phận MẠCH LO MÔ TƠ GẠT NƯỚC TRƯỚC 1.KIỂM TRA VẬN HÀNH LO CẦN GẠT N...
Hệ thống gạt mưa xe ô tô Mô tả Hệ thống gạt mưa xe ô tô A: Bên phải khoang động cơ Số Bộ phận Chức năng (1) ...
Hướng dẫn tháo, lắp thước lái dầu Sơ đồ tháo thước lái dầu Sơ đồ tháo rã (tháo rời) các chi tiết của thước lái dầu Hướng dẫn tháo thước lái dầu ...
HÌNH VẼ CHI TIẾT CỌC LÁI - TRỤ LÁI XE Ô TÔ Trụ lái - cọc lái loại có cần chỉnh Trụ lái - cọc lái loại không có cần chỉnh Hướng dẫn Tháo và Lắp&nb...
KIỂM TRA CƠ BẢN VÔ LĂNG - TAY LÁI XE Ô TÔ VÔ LĂNG Ở VỊ TRÍ TRUNG GIAN 1. Kiểm tra xem cụm bánh răng hệ thống lái, cụm trụ l...
Cân bằng động là gì ? Cân bằng động là thực hiện việc cân bằng lốp xe ô tô khi lốp xe ô tô bị mất cân bằng động. Khi lốp xe ô tô bị mất cân b...
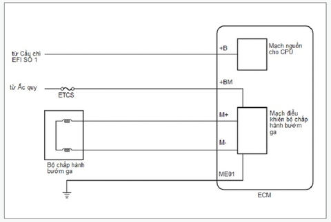
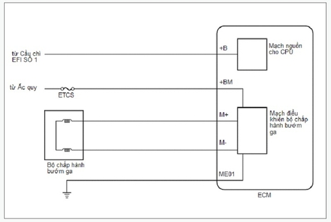
LƯU Ý TRƯỚC KHI SỬA CHỮA HỆ THỐNG ĐIỀU KHIỂN TĂNG TỐC CHÂN GA ACC Lưu ý khi Tháo Chân cực Ắc quy Khi ngắt chân cực ắc quy, cần chú ý các điểm s...
Con đội thủy lực và điều chỉnh khe hở xupap Mục đích của con đội và cò mổ dùng để biến chuyển động quay của trục cam thành chuyển động tịnh tiến &n...
Hộp điều khiển túi khí Thanh ngắn mạch Đồng hồ táp lô Đèn cảnh báo túi khí Cặp dây xoắn Cảm biến túi khí bên tài Cảm biến túi khí bên phụ Cuộn dâ...
(1) Độ cao của xe (2) Xe một cầu chủ động 4x2 &n...
Cấu tạo hệ thống treo trước trên xe ô tô Cơ cấu treo cầu trước “Double wishbone“ có những đòn dưới dạng “chữ I” và những thanh rằng, c...
Cấu tạo Hệ thống điều khiển lực phanh trên xe ô tô 1 Gía đỡ 8 Van dạng v...
Cơ cấu lái là gì ? Cơ cấu lái là tập hợp các phụ tùng, chi tiết thuộc hệ thống lái làm nhiệm vụ chính là chuyển từ chuyển động quay của vô lăng ( t...
Cấu tạo chung của cơ cấu khóa moay ơ 1. Bộ điều khiển khóa moay ơ (RFW) nhận tín hiệu từ một công tắc của hộp phân phối và một vài công tắc khác. ...
Vi sai là gì ? Vi sai là cụm các chi tiết bánh răng hành tinh và bánh răng mặt trời có tác dụng giúp cho 2 bánh xe 2 bên của xe ô tô quay với tốc đ...
Hạng mục Thông số kỹ thuật Cầu trước Kiểu bi moay ơ Bi đũa Cầu sau Kiểu bi moay ơ Bi đũa Chịu tả...
Hệ thống quản lý nguồn điện ắc-quy được tích hợp bên trong BCM (GEM) và cung cấp ở nhiều chế độ khác nhau được sử dụng ở nhiều tình huống để đảm ...
Thông tin này chỉ có giá trị tại thời điểm phát hành tài liệu. Để có thông tin cập nhật mới nhất vui long tham khảo Hướng dẫn sử dụng xe hiện tại v...
Liên hệ với chúng tôi qua số Hotline: 09 62 68 87 68 để được tư vấn và báo giá Hãy thực hiện các quy trình này sau khi động cơ đã nguội. Chi ...
Các hướng dẫn an toàn khi nâng xe ô tô trên cầu nâng 2 trụ Xác định được các điểm để kích (đội) và nâng xe trên cầu. Khi nâng xe ô tô trên cầu ...
Công suất được truyền từ biến mô tới các bánh răng hành tinh thông qua trục sơ cấp. Các ly hợp được sử dụng để giữ và dẫn động các bộ bánh răng đ...
Danh mục Động cơ L8 LF L3 ( Có trang bị cơ cấu thay đổi góc phối khí bằng cơ ) Nắp máy ...
Chức năng quản lý nguồn nằm trong hộp GEM – hộp BODY, có 4 chế độ a. Factory mode - khi xe còn ở trên dây c...
Khởi động với hộp số DPS6, tình trạng chuyển số, và/hoặc xuất hiện đèn báo lỗi liên quan đến các lỗi của hệ thống truyền động Mô tả lỗi hộp số x...
Cách reset bảo dưỡng cho xe Toyota Venza - Vào Setup => Vehicle => Maintenance => Engine oil - Date: M...
Dưới đây là một số hiện tượng hư hỏng chìa khóa - remote xe ô tô và hướng dẫn các bạn các sửa chữa lập trình cài chía khóa - remote của hệ thống đi...
Ô tô con là một phương tiện giao thông đường bộ có khả năng vận chuyển một số lượng người và hàng hoá hạn chế. Ngày nay ôtô con được dùng ngày càn...
1. Chọn câu trả lời đúng sau đây ? a. Xe Land Cruiser được trang bị ABS, EBD, BA, VSC b. Xe ...