
Hệ thống điều hòa ô tô: Nguyên lý, cấu tạo, mạch điện
Hệ thống điều hòa không khí trên ô tô và hoạt động
Các loại điều hòa không khí và hoạt động:
Điều hòa không khí ô tô được phân loại theo vị trí lắp đặt và chức năng của hệ thống.

Phân loại theo vị trí lắp đặt điều hòa:
Kiểu Táplô:
Ở kiểu này, điều hòa không khí thường được gắn ở bảng táplô.
Đặc điểm của loại này là không khí lạnh từ cụm điều hòa được thổi thẳng đến mặt trước người lái nên hiệu quả làm lạnh có cảm giác hơn so với công suất của cụm điều hòa, cửa ra không khí lạnh được điều chỉnh bởi bản thân người lái nên người lái có thể cảm nhận được hiệu quả làm lạnh.

Hình 2.1. Điều hòa không khí kiểu Táplô
Kiểu khoang hành lý:
Ở kiểu này cụm điều hòa không khí đặt ở cốp sau xe. Cửa ra và cửa vào của khí lạnh được đặt ở lưng ghế sau.
Do cụm điều hòa gắn ở cốp sau nơi có khoảng trống lớn nên điều hòa kiểu này có ưu điểm của một bộ điều hòa với công suất giàn lạnh lớn và có công suất làm lạnh dự trữ.

Hình 2.2. Điều hòa không khí kiểu khoang hành lý.
Kiểu kép:
Khí lạnh được thổi ra từ phía sau và phía trước bên trong xe.Đặc tính làm lạnh bên trong xe rất tốt, phân bố nhiệt độ bên trong xe đồng đều hơn, tạo môi trường vi khí hậu dễ chịu trong xe.

Hình 2.3. Điều hòa không khí kiểu kép.
Phân loại theo chức năng:
Do chức năng và tính năng cần có của hệ thống điều hòa khác nhau, tùy theo môi trường tự nhiên và quốc gia sử dụng. Điều hòa có thể chia thành 2 loại tùy theo tính năng của nó.
Loại đơn.
Loại này bao gồm một bộ thông gió được nối hoặc với bộ sưởi hoặc với hệ thống lạnh chỉ dùng để sưởi hoặc để làm lạnh.

Hình 2.4. Hệ thống điều hòa không khí loại đơn.
Loại dùng cho tất cả các mùa trong năm:
Loại này kết hợp một bộ thông gió với bộ sưởi và hệ thống làm lạnh chỉ dùng để sưởi hoặc để làm lạnh.
Hệ thống điều hòa này có thể sử dụng trong những ngày thời tiết lạnh, độ ẩm cao để làm khô không khí. Tuy nhiên, nếu chỉ sử dụng hệ thống lạnh thì người trên xe sẽ cảm thấy lạnh, vì vậy khí lạnh cũng đi qua két sưởi để sấy nóng. Điều này đảm bảo không khí trong xe luôn có nhiệt độ và độ ẩm thích hợp. Đây là ưu điểm chính của loại điều hòa không khí 4 mùa.
Ngoài ra, loại này cũng có thể chia làm hai loại: Loại điều khiển bởi người lái và loại điều khiển tự động (Nhiệt độ bên ngoài và bên trong xe luôn được nhận biết bằng máy tính, bộ sưởi hoặc bộ điều hòa không khí tự động hoạt động theo nhiệt độ do người lái định trước, duy trì nhiệt độ không đổi trong xe.

Hình 2.5. Hệ thống điều hòa 4 mùa.
Hoạt động của hệ thống:
Giàn lạnh đặt giữa quạt gió và két sưởi gọi là hệ thống kiểu trộn khí.
Nguyên lý hoạt động:
Việc điều chỉnh nhiệt độ và thay đổi khí vào và ra..., được thực hiện bằng cách dùng cần gạt trên bảng điều khiển.
a. Van khí vào được điều khiển bằng cần điều khiển khí vào và nó quyết định dùng không khí sạch bên ngoài hay dùng khí tuần hoàn trong xe.
b. Quạt gió được điều khiển bằng cần điều khiển tốc độ quạt để điều khiển lượng gió thổi vào trong xe.
c. Van điều khiển trộn khí bằng cần điều khiển nhiệt độ. Van hướng luồng không khí lạnh thổi qua hay không qua két sưởi vì vậy điều khiển nhiệt độ bằng tỷ lệ của khí qua két sưởi.
d. Van điều khiển luồng khí được điều khiển bởi cần điều khiển luồng khí và nó được đặt ở cửa khí ra để thổi mặt, thổi mặt và chân, thổi chân, thổi chân và sấy kính hay sấy kính.

Hình 2.6. Bảng điều khiển dòng khí và sơ đồ lưu thông dòng khí trong hệ thống điều hòa.

Hình 2.7. Hoạt động của các van điều khiển luồng khí.
Điều khiển van:
Có hai kiểu điều khiển van: Kiểu cần gạt và kiểu nút ấn.
a. Kiểu cần gạt:
Một cần gạt trên bảng điều khiển nối với van qua dây cáp. Khi cần di chuyển, cánh van cũng dịch chuyển theo.

Hình 2.8. Điều khiển van kiểu cần gạt.
b. Kiểu nút ấn:
Khi ấn nút trên bảng điều khiển, môtơ servo sẽ hoạt động làm dịch chuyển các cánh van.

Hình 2.9. Điều khiển van kiểu nút ấn.
Hoạt động của quạt gió điều hòa ô tô
Khí trong lành hoặc khí tuần hoàn được hút vào bộ làm lạnh nhờ quạt hút.

Hình 2.10. Ví dụ về mạch điều khiển quạt.
Cần điều khiển tốc độ quạt trên bảng điều khiển có thể thay đổi tốc độ quạt theo 4 nấc từ LO đến HI. Tốc độ quạt được điều khiển bởi dòng điện đi qua các điện trở có giá trị khác nhau để thay đổi điện áp đến môtơ quạt do đó thay đổi tốc độ quạt.
Điều khiển ly hợp từ
Khi khóa điện bật (ON) và công tắt quạt gió bật (trừ vị trí OFF), rơle sưởi bật. Nếu công tắt điều hòa bật (A/C ON), rơle ly hợp từ sẽ đóng nhờ bộ khuếch đại A/C, làm cho ly hợp từ đóng.
Tuy nhiên, ly hợp từ sẽ ngắt truyền động và lốc điều hòa dừng hoạt động khi một trong các điều kiện sau xảy ra:
1) Công tắt quạt gió tắt ngắt rơle sưởi,dòng điện không được cấp cho hệ thống điều
hòa.
2) Công tắt A/C tắt: Cắt nguồn cung cấp cho bộ khuếch đại A/C.
3) Nhiệt độ giàn lạnh quá thấp: Nếu nhiệt độ bề mặt giàn lạnh giảm xuống bằng hoặc dưới 30C, khuếch đại A/C sẽ tắt rơle ly hợp từ.
4) Công tắt áp suất kép tắt: nếu áp suất phía cao áp của mạch làm lạnh đặt biệt cao hoặc đặt biệt thấp, công tắt này sẽ ngắt. Khuếch đại A/C phát hiện điều này và điều khiển ngắt rơle ly hợp từ.
5) Kẹt lốc điều hòa: Nếu chênh lệch giữa tốc độ lốc điều hòa và tốc độ động cơ lớn hơn một giá trị xác định, khuếch đại A/C nhận biết lốc điều hòa bị kẹt và phát tín hiệu điều khiển ngắt rơle ly hợp từ.
6) Nhiệt độ ga quá cao (Ở một vài kiểu xe): Nếu nhiệt độ ga trong lốc điều hòa tăng cao hơn một giá trị nhất định, công tắt nhiệt độ sẽ tắt.
Hệ thống điều hòa không khí tự động trên xe du lịch
Khái quát hệ thống điều hòa không khí tự động:
Điều hòa không khí thông thường luôn hoạt động tại một nhiệt độ khí thổi vào và tốc độ thổi khí do lái xe định trước. Tuy nhiên, những yếu tố như sự tỏa nhiệt của mặt trời, nhiệt độ động cơ, nhiệt từ ống xả, nhiệt do hành khách thải ra.. .sẽ ảnh hưởng đến nhiệt độ trong xe theo thời gian.
Vì vậy, với hệ thống điều hòa loại này cần phải điều chỉnh lại nhiệt độ, tốc độ thổi khí, hay cả hai khi cần thiết. Hệ thống điều hòa không khí tự động đã được phát triển để loại bỏ các thao tác điều chỉnh không thuận tiện này.
Hệ thống điều hòa không khí tự động phát hiện nhiệt độ bên trong xe và nhiệt độ môi trường, bức xạ mặt trời.từ đó điều chỉnh nhiệt độ khí thổi cũng như tốc độ quạt một cách tự động theo nhiệt độ đặt trước một cách tự động theo nhiệt độ đặt trước bởi người lái, do vậy duy trì nhiệt độ trong xe tại nhiệt độ đặt trước.
Ngày nay, một số kiểu xe cũng bao gồm cả các chức năng điều khiển khác: điều khiển khí vào, chế độ thổi khí, điều khiển lốc điều hòa bên cạnh điều khiển nhiệt độ và tốc độ thổi khí.

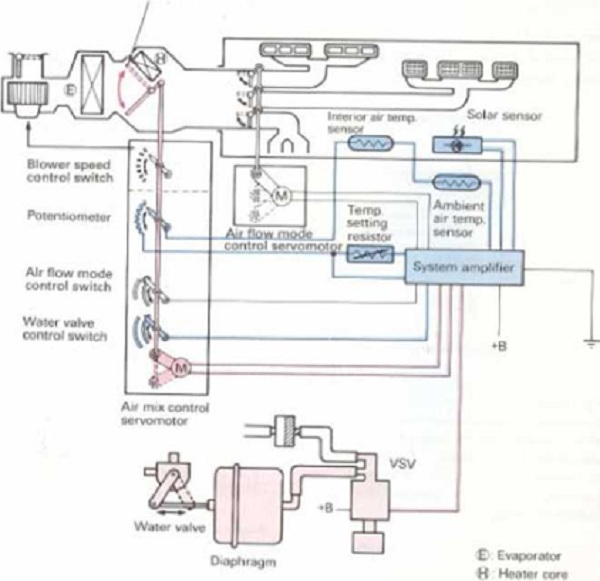
Hình 3.1. Sơ đồ hệ thống điều hòa không khí tự động.
Các bộ phận chức năng chính hệ thống điều hòa không khí tự động trên ô tô
Hệ thống điều hòa không khí tự động là hệ thống điều hòa thường nhưng có lắp thêm các bộ phận chức năng như:
- Các cảm biến để phát hiện sự thay đổi nhiệt độ và bức xạ mặt trời.
- Các bộ điều khiển để xác định các chế độ làm việc dực trên các tín hiệu từ các cảm biến.
- Các bộ chấp hành được dẫn động bởi bộ điều khiển làm dịch chuyển các cánh gió và các bộ phận khác.
Các cảm biến của hệ thống điều hòa không khí trên ô tô
Các cảm biến chính dùng trong điều hòa không khí tự động ô tô có cấu tạo từ chất bán dẫn.
- Các cảm biến dùng nhiệt điện trở và đưa về bộ điều khiển những thay đổi về giá giá trị nhiệt độ dưới dạng những thay đổi về điện trở .

Hình 3.2. Đồ thị quan hệ giữa điện trở và nhiệt độ của cảm biến nhiệt điện trở.
- Loại này bao gồm:
+ Cảm biến nhiệt độ không khí trong xe: là loại cảm biến hút không khí bên trong xe để xác định nhiệt độ không khí trong khoang hành khách.
Có hai kiểu hút không khí: kiểu dùng môtơ và loại dùng ống hút (sử dụng luồng
không khí qua bộ sưởi.


Hình 3.3. Các loại cảm biến nhiệt độ không khí trong xe.
+ Cảm biến nhiệt độ không khí môi trường:
Cảm biến này được đặt kín trong vỏ nhựa nhằm tránh phản ứng đột ngột về nhiệt độ, nó cho phép nhận biết chính xác nhiệt độ môi trường.

Hình 3.4. Cảm biến nhiệt độ môi trường.
+ Cảm biến giàn lạnh phát hiện nhiệt độ của khí đi qua giàn lạnh. Loại này chỉ dùng cho điều hòa không khí tự động điều khiển bằng bộ vi xử lý.

Hình 3.5. Cảm biến nhiệt độ giàn lạnh.
+ Cảm biến/công tắt nhiệt độ nước: phát hiện nhiệt độ nước làm mát.

Hình 3.6. Vị trí của cảm biến nhiệt độ nước làm mát.
- Một cảm biến bức xa mặt trời dùng đi-ốt quang học để gửi về bộ điều khiển những
thay đổi về sự tỏa nhiệt của mặt trời dưới dạng nhửng thay đổi về điện dòng điện.

Hình 3.7. Đồ thị quan hệ giữa dòng điện và lượng bức xạ mặt trời.

Hình 3.8. Cảm biến bức xạ mặt trời.
Các bộ điều khiển hệ thống điều hòa không khí trên xe ô tô
Bộ điều khiển có thể chia thành hai loại: loại dùng IC và loại dùng bộ vi xử lý. Chúng được gọi là “bộ khuếch đại hệ thống”, “bộ khuếch đại điều hòa tự động” hay “ECU điều hòa không khí”.
Điều hòa không khí tự động được điều khiển bằng bộ khuếch đại dùng IC được gọi là “điều hòa không khí tự động điều khiển bằng bộ khuếch đại” còn loại điều khiển bằng ECU hay bộ khuếch đại dùng bộ vi xử lý được gọi là “điều hòa không khí tự động điều khiển bằng bộ vi xử lý”.

Hình 3.9. Bộ khuếch đại và bộ vi xử lý điều hòa tự động
Bộ chấp hành:
Bộ chấp hành bao gồm môtơ bộ thổi khí, lốc điều hòa và các mô tơ servo.

Hình 3.10. Môtơ servo
Ở một số xe, người ta dùng môtơ bước thay môtơ servo, được điều khiển bằng ECU.
Hệ thống điều hòa tự động điều khiển bằng bộ khuếch đại
Khái quát về hệ thống điều khiển tự động
Trong điều hòa không khí tự động điều khiển bằng bộ khuếch đại, cảm biến nhiệt độ khí trong xe và cảm biến nhiệt độ môi trường được mắc nối tiếp vào bộ khuếch đại. Từ đây các tín hiệu được gửi đến bộ chấp hành để điều khiển nhiệt độ khí thổi, tốc độ khí thổi...

Hình 4.1. Sơ đồ hệ thống điều hòa tự động điều khiển bằng bộ khuếch đại.
Trong sơ đồ trên, công tắt điều khiển tốc độ thổi khí, công tắt điều khiển chế độ thổi khi và công tắt điều khiển van nước hoạt động cùng với cánh điều khiển hòa trộn khí bằng môtơ servo điều khiển hòa trộn khí, do vậy cho phép điều khiển được nhiệt độ, tốc độ quạt thổi khí và chế độ thổi khí.
Phần tiếp theo mô tả kết cấu và hoạt động của hệ thống điều hòa không khí tự động điều khiển bằng bộ khuếch đại của loại xe Toyota Supra MA70.
Điều hòa không khí tự động lắp trên loại xe này bao gồm các chức năng điều khiển sau:
- Điều khiển nhiệt độ.
- Điều khiển tốc độ quạt thổi.
- Điều khiển chế độ khí thổi ra.
Các hệ thống điều khiển này hoạt động bằng cách gạt các cần điều khiển và bật các công tắt trên bảng điều khiển điều hòa nhiệt độ.
a) Cần điều khiển nhiệt độ.
Cần này được gạt bằng tay để đặt nhiệt độ trong xe theo ý muốn.
b) Cần điều khiển tốc độ quạt thổi khí.
Khi đặt ở vị trí AUTO, cần này cho phép quạt thổi khí tự động chuyển đến tốc độ phù
hợp với nhiệt độ không khí trong xe.
c) Công tắt tự động đặt chế độ thổi khí:
Công tắt này cho phép chế độ thổi khí thay đổi tự động giữa FACE và BI-LEVEL, BI LEVEL và FOOT tương ứng với nhiệt độ khí thổi.

Hình 4.2. Bảng điều khiển điều hòa không khí tự động bằng bộ khuếch đại.
l.4. Điều khiển nhiệt độ:
l.4.3. Cấu tạo:
Hệ thống điều khiển nhiệt độ bao gồm cảm biến nhiệt độ khí trong xe, cảm biến nhiệt độ không khí môi trường, cảm biến bức xạ mặt trời, điện trở đặt nhiệt độ, bộ khuếch đại hệ thống và môtơ servo điều khiển hòa trộn khí.

Hình 4.3. Sơ đồ điều khiển nhiệt độ.
l.4.3.1. Điện trở đặt nhiệt độ:
Đặt bên trong bảng điều khiển và được nối với cần điều khiển nhiệt độ, nhiệt độ đặt trước được đưa vào bộ khuếch đại hệ thống dưới dạng những giá trị điện trở thay đổi (giá trị điện trở lớn khi cần được đặt ở vị trí nhiệt độ thấp).

Hình 4.4. Điện trở đặt nhiệt độ.
l.4.3.2. Môtơ servo điều khiển hòa trộn khí:
Môtơ servo đìều khiển hòa trộn khí được lắp dưới bộ sưởi. Nó dẫn động cánh đìều khiển
hòa trộn khí và công tắt điều khiển tốc độ quạt thổi qua thanh nối. Nó có một bộ giới hạn,
biến trở, công tắt điều khiển van nước và công tắc điều khiển chế độ thổi khí.

Hình 4.5. Môtơ servo điều khiển hòa trộn khí.
a. Công tắt giới hạn:cắt nguồn đến môtơ khi môtơ servo dịch chuyển đến vị trí lạnh tối đa hay nóng tối đa.
b. Chiết áp: Là một biến trở dẫn động bởi môtơ. Nó dùng một tiếp điểm trượt để báo chuyển động của môtơ servo đến bộ khuếch đại hệ thống dưới dạng thay đổi giá trị điện trở.
c. Công tắc điều khiển van nước: dùng để bật và tắt van VSV. Nó tắt van VSV làm cho môtơ servo dịch chuyển tiếp điểm động và đóng van nước khi cần điều khiển nhiệt độ đặt ở vị trí lạnh tối đa. Trong các trường hợp khác nó bật van VSV để mở van nước.

Hình 4.6. Van nước
d. Công tắc điều khiển chế độ dòng khí.
Đây là công tắc điều khiển môtơ servo điều khiển chế độ thổi khí khi môtơ servo điều khiển hòa trộn không khí hoạt động để dịch chuyển tiếp điểm động và bật công tắt chế độ dòng khí tự động.
e. Công tắc điều khiển tốc độ quạt thổi:
Đây là công tắt kiểu trượt dẫn động bởi môtơ servo điều khiển hòa trộn không khí. Nó dùng để tự động thay đổi tốc độ quạt khi công tắt quạt thổi tự động bật, hoạt động theo chuyển động của thanh nối với cánh điều khiển gió.
l.4.4. Hoạt động:

Hình 4.7. Sơ đồ mạch điều khiển nhiệt độ.
Ngoại trừ cảm biến bức xạ mặt trời, các cảm biến nhiệt độ khác được mắc nối tiếp vào bộ khuếch đại của hệ thống.
R2: biến trở thay đổi theo nhiệt độ đặt trước
Rp0: điện trở chiết áp.
Rr: điện trở của cảm biến nhiệt độ không khí bên trong xe.
Ram: điện trở của cảm biến nhiệt độ không khí môi trường.
R1 = Rp0 + Rr + Ram
Sự thay đổi của những điện trở này được đưa vào bộ khuếch đại hệ thống dưới dạng những thay đổi về điện áp (Vi).
Vi là sự sụt áp xảy ra trên R1 tạo bởi V0, V0 do bộ khuếch đại tạo ra, và sụt áp trên R1 và R2. vì vậy Vi thay đổi khi R1 hoặc R2 thay đổi. Từ mối liên hệ giữa Vi và V0 cho phép bộ khuếch đại dẫn động môtơ servo điều khiển hòa trộn khí.
l.4.4.1. Nguyên tắc hoạt động để thay đổi nhiệt độ bên trong xe.
a. Trường hợp 1: Khi nhiệt độ đặt trước và nhiệt độ bên trong xe gần bằng nhau
R1 và R2 gần bằng nhau. Vi « 1/2V0. Lúc này, bộ khuếch đại vi sai sẽ gửi điện áp bằng nhau đến bộ khuếch đại 1 và 2, do đó môtơ servo vẫn giữ ở tình trạng hiện thời.
b. Trường hợp 2: nhiệt độ trong xe thấp hơn nhiệt độ đặt trước.
Điều này xảy ra khi đặt nhiệt độ cao hơn, kết quả làm giảm R2 hay khi nhiệt độ bên trong xe giảm xuống thấp hơn nhiệt độ đặt trước, kết quả tăng làm Rr.
Cả hai trường hợp trên R2 nhỏ hơn R1, nên Vi > 1/2 V0, bộ khuếch đại vi sai phát hiện sự sai lệch này, lúc này bộ khuếch đại vi sai cấp điện áp “H” (cao) đến bộ khuếch đại chuyển đổi 2 và cấp điện áp “L” (thấp) đến bộ khuếch đại chuyển đổi 1, điều này dẫn động môtơ servo hòa trộn khí, môtơ sẽ quay cánh điều khiển hòa trộn khí đến “L” (thấp) để tăng tỉ lệ luồng khí lạnh qua bộ sưởi nhằm tăng nhiệt độ khí thổi ra. Điều này làm giảm điện trở của chiết áp gắn với cánh điều khiển hòa trộn khí, làm giảm dần Vi cho đến khi môtơ servo điều khiển hòa trộn khí ngừng hoạt động.
c. Trường hợp 3: khi nhiện độ bên trong xe cao hơn nhiệt độ đặt trước.
Trạng thái này xảy ra khi đặt nhiệt độ giảm xuống hoặc nhiệt độ trong xe tăng lên cao hơn nhiệt độ đặt trước, kết quả làm giảm Rr.
Trong trường hợp này, R2 trở nên lớn hơn R1 kết quả làm Vi < 1/2V0, bộ khuếch đại vi sai phát hiện sự thay đổi này. Bộ khuếch đại vi sai cấp điện áp “H” (cao) cho khuếch đại chuyển đổi 1 và “L” cho khuếch đại chuyển đổi 2. Điều này dẫn động môtơ servo hòa trộn khí, môtơ sẽ quay cánh điều khiển hòa trộn khí đến “H” (cao) để giảm tỉ lệ luồng khí lạnh qua bộ sưởi nhằm giảm nhiệt độ khí thổi ra. Điều này làm tăng điện trở của chiết áp gắn với cánh điều khiển hòa trộn khí, làm tăng dần Vi cho đến khi môtơ servo điều khiển hòa trộn khí ngừng hoạt động.
l.4.4.2. Hiệu chỉnh nhiệt độ:

Hình 4.8 . Sơ đồ hiệu chỉnh nhiệt độ.
a. Hiệu chỉnh theo nhiệt độ môi trường.
Trong trường hợp nhiệt độ môi trường thay đổi, nhiệt độ khí thổi vào để làm mát hoặc để sưởi ấm bên trong xe sẽ thay đổi theo.
Vì lý do này. Một cảm biến nhiệt độ môi trường (Ram) được mắc nối tiếp với cảm biến nhiệt độ trong xe (Rr) và chiết áp (Rp0), cho phép Vi thay đổi để bù lại sự thay đổi nhiệt độ môi trường.
b. Hiệu chỉnh theo bức xạ mặt trời:
Các tia bức xạ mặt trời sẽ làm cho con người cảm thấy nóng rất nhanh, tuy nhiên cần có thời gian để những tian bức xạ này sưởi ấm không khí xung quanh. Vì vậy, nhiệt độ không khí do quạt thổi ra không thể đáp ứng nhanh với sự thay đổi của bức xạ mặt trời. Do đó một cảm biến tỏa nhiệt mặt trời được sử dụng để nhận biến sự thay đổi của các tia bức xạ mặt trời, cho phép bộ khuếch đại có những hiệu chỉnh cần thiết kịp thời.
l.5. Điều khiển tốc độ quạt thổi:
l.5.3. Cấu tạo.
Chức năng điều khiển tốc độ quạt thổi của hệ thồng điều hòa không khí tự động cũng ứng dụng mạch điều khiển như hệ thồng điều hòa không khí thông thường nhưng bổ sung thêm các chi tiết chức năng sau:
Công tắc điều khiển tốc độ quạt thổi khí.
Công tắc nhiệt độ nước.
Công tắc chế độ FOOT.
l.5.3.1. Công tắc nhiệt độ nước: Water temperature switch
Công tắc được lắp bên dưới két sưởi ấm. Nó bao gồm một công tắc bật tại 200C và một công tắc bật tại 400C.

Hình 4.9. Công tắc nhiệt độ nước.
l.5.3.2. Công tắc chế độ FOOT:
Công tắc chế độ FOOT được lắp trong môtơ servo điều khiển chế độ dòng khí. Nó tắt khi chế độ dòng khí được đặt tại FOOT (công tắc chế độ dòng khí được đặt tại vị trí FOOT, hay chế độ FOOT trong vị trí AUTO).

Hình 4.10. Công tắc chế độ FOOT.
l.5.4. Hoạt động:
l.5.4.1. Điều khiển tự động:
Điều khiển tự động làm thay đổi tốc độ quạt thổi một cách tự động tùy thuộc vào sự chênh lệch giữa nhiệt độ bên trong và bên ngoài xe. Nó tăng tốc độ quạt thổi khi chênh lệch này lớn, và ngược lại.

Hình 4.11. Đồ thị quan hệ điều chỉnh tốc độ quạt thổi với chênh lệch nhiệt độ.
Tốc độ quạt thổi thay đổi phụ thuộc vào vị trí các tiếp điểm của công tắc điều khiển tốc độ quạt thổi, công tắc này dịch chuyển cùng với cánh điều khiển hòa trộn khí.
Chức năng điều khiển này chỉ hoạt động khi cần điều khiển tốc độ quạt thổi trên bảng điều khiển được đặt tại vị trí AUTO. Khi cần điều khiển đặt tại vị trí khác, chức năng điều khiển này sẽ dẫn động quạt thổi ở tốc độ đặt trước.
l.5.4.2. Điều khiển hâm nóng:
Khi nhiệt độ nước làm mát động cơ tương đối thấp, dòng khí thổi ở chế độ sưởi sẽ làm cho hành khách cảm thấy lạnh. Để tránh hiện tượng này, chức năng điều khiển hâm nóng sẽ điều khiển tốc độ quạt thổi khi chế độ dòng khí đặt tại FOOT và cần điều khiển tốc độ quạt thổi đặt tại vị trí AUTO như sau:
a. Trường hợp 1: Khi nhiệt độ nước làm mát thấp hơn 200C.
Blower speed control switch (air mix control servo motor)
Blower speed control lever (heater conlrol )

Hình 4.12. Sơ đồ điều khiển tốc độ quạt trong trường hợp 1.
Rơle bộ sưởi không bật, môtơ quạt thổi không hoạt động.
b. Trường hợp 2: Khi nhiệt độ nước làm mát cao hơn 200C và thấp hơn 400C.

Hình 4.13. Sơ đồ điều khiển tốc độ quạt trong trường hợp 2.
Công tắc nhiệt độ nước a và rơle bộ sưởi ấm bật, nhưng công tắc nhiệt độ nước b vẫn tắt, do đó rơle tự động tắt. Điều này làm cho dòng điện đến môtơ quạt thổi chạy qua toàn bộ điện trở của điện trở quạt thổi, bỏ qua vị trí của tiếp điểm trên công tắt điều khiển tốc độ quạt thổi, do đó điều chỉnh tốc độ quạt thổi ở chế độ L0.
c. Trường hợp 3: Khi nhiệt độ nước làm mát cao hơn 400C.
Nhiệt độ nước làm mát cao sẽ bật công tắt a và b, đồng thời bật rơle sưởi ấm và rơle tự động. Nó làm cho môtơ hoạt động tại một trong các tốc độ đã được mô tả, tùy theo vị trí tiếp điểm của công tắt điều khiển tốc độ quạt thổi.
l.6. Điều khiển chế độ dòng khí (điều khiển khí ra):
l.6.3. Cấu tạo:
Hệ thống điều khiển chế độ dòng khí bao gồm công tắc điều khiển chế độ dòng khí, khuếch đại hệ thống và môtơ servo điều khiển chế độ dòng khí.Air mix control servo motor

Hình 4.14. Sơ đồ hệ thống điều khiển chế độ dòng khí.
4.4.1.1. Môtơ servo điều khiển chế độ dòng khí:
Môtơ servo điều khiển chế độ dòng khí được gắn phía bên của bộ sưởi. Cần điều khiển chế độ thổi khí được gắn trên bảng điều khiển, nó gửi tín hiệu đến bộ khuếch đại hệ thống, sau đó bộ khuếch đại gửi tín hiệu đến môtơ, môtơ quay cánh điều khiển chế độ dòng khí

Hình 4.15. Môtơ servo điều khiển chế độ dòng khí.
l.6.4. Hoạt động:
Điều khiển chế độ dòng khí tự động chuyển chế độ dòng khí từ FACE đến BI-LEVEL đến FOOT hay ngược lại, tùy theo chuyển động của môtơ servo điều khiển hòa trộn khí và trạng thái hoạt động của lốc điều hòa.
Chế độ dòng khí được điều chỉnh theo cách sau: chuyển động của tiếp điểm động trong công tắc điều khiển chế độ dòng khí (tiếp điểm động nối với cánh điều khiển hòa trộn không khí) sẽ gửi tín hiệu đến bộ khuếch đại của hệ thống, sau đó bộ khuếch đại sẽ điều khiển chuyển động của môtơ servo điều khiển chế độ dòng khí.
Chức năng điều khiển này hoạt động khi cần điều khiển tốc độ quạt thổi ở vị trí AUTO và công tắc điều khiển chế độ dòng khí tự động đặt ở AUTO.
l.6.4.1. Trường hợp cần điều khiển nhiệt độ di chuyển từ trạng thái lạnh sang nóng.
Lúc này tiếp điểm động trong môtơ servo điều khiển chế độ dòng khí được đặt từ vị trí FACE sang vị trí FOOT.
a. Trường hợp 1: Khi lốc điều hòa hoạt động.

Hình 4.16. hệ thống điều khiển chế độ dòng khí trường hợp cần điều khiển nhiệt độ di chuyển từ trạng thái lạnh sang nóng.
Do công tắc chế độ AUTO trên bảng điều khiển bật, dòng điện từ cực 6 của bộ khuếch đại hệ thống đến công tắt FOOT của môtơ servo điều khiển chế độ dòng khí sau đó đến cực 3 của công tắc điều khiển chế độ thổi khí, đến cực 9 và sau đó đến cực 13 của bảng điều khiển tạo thành mạch nối đất. Trong trường hợp này, bộ khuếch đại hệ thống gửi tín hiệu 0 đến cực 6 và 1 đến cực 14 (do mạch hở).
Do đó, cực 5 và cực 4 của bộ khuếch đại hệ thống phát tín hiệu 1 và 0, cho phép dòng điện chạy qua chạy qua cực 5 của bộ khuếch đại hệ thống đến cực 4 của môtơ servo điều khiển chế độ dòng khí sau đó đến cực 1 của môtơ này, sau đó đến cực 4 của bộ khuếch đại hệ thống, do vậy làm cho hoạt động dịch chuyển tiếp điểm động đến vị trí FOOT và sau đó dừng lại, đặt hệ thống ở chế độ FOOT.
b. Trường hợp 2: Khi lốc điều hòa không hoạt động.
Do công tắt điều hòa không khí tắt, đầu vào của cổng NAND 1 là 1 và 1, cổng này phát ra 0. Do đó, dòng điện chạy từ cực 6 của bộ khuếch đại hệ thống đến tiếp điểm FOOT và sau đó đến cực 1 của bộ khuếch đại hệ thống tạo thành mạch nối mát. Sau đó hoạt động giống như khi lốc điều hòa đang hoạt động.
l.6.4.2. Trường hợp cần điều khiển nhiệt độ di chuyển từ vị trí nóng sang vị trí giữa.
Lúc này tiếp điểm động lắp trong môtơ servo điều khiển chế độ dòng khí được đặt từ vị trí FOOT đến vị trí BI-LEVEL.
a. Trường hợp 1: Khi lốc điều hòa đang hoạt động:

Hình 4.17. Hệ thống điều khiển chế độ dòng khí trường hợp cần điều khiển nhiệt độ chuyển từ vị trí nóng sang vị trí giữa.
Do công tắc chế độ AUTO trên bảng điều khiển bật, tạo nên mạch nối đất qua cực 8 của bộ khuếch đại, và đầu vào cực 10 của bộ khuếch đại là “1”(do công tắt điều hòa bật), đầu vào của cực 3 của bộ khuếch đại là “1” (do mạch hở) do vậy làm cổng NAND1 và NAND2 phát ra tín hiệu “1”.
Đầu vào cực 7 của bộ khuếch đại là “1” do cực bị hở. Nó làm thay đổi tất cả tín hiệu vào cổng NAND thành “1”, và bật transitor (Tr).
Điều này làm thay đổi tín hiệu vào cực 14của bộ khuếch đại và thay đổi đầu vào cực 6 thành “1” do cực 6 hở mạch. Vì vậy, cực 4 và 5 của bộ khuếch đại phát ra tín hiệu :“1”và “0”, cho phép dòng điện chạy qua cực 4 của bộ khuếch đại hê thống đến cực 1 của môtơ servo điều khiển chế độ dòng khí, sau đó đến cực 4 của môtơ, rồi đến cực 5 của bộ khuếch đại làm môtơ dịch chuyển tiếp điểm động đến vị trí BI-LEVEL và sau đó ngừng lại, đặt hệ thống vào chế độ BI-LEVEL.
b. Trường hợp 2: Khi lốc điều hòa không hoạt động.
Do công tắc điều hòa tắt, tín hiệu vào cực 10 của bộ khuếch đại là “0”, cho phép cồng NAND1 phát ra tín hiệu 0. Cổng AND phát ra tín hiệu “0”, tắt transistor, do đó môtơ tắt, cố định chế độ thổi khí tại FOOT.
l.6.4.3. Trường hợp cần điều khiển nhiệt độ di chuyển từ vị trí giữa đến vị trí mát.
Lúc này tiếp điểm động trong môtơ servo điều khiển chế độ dòng khí được đặt từ vị trí BI-LEVEL đến vị trí FACE.

Hình 4.18. Hệ thống điều khiển chế độ dòng khí trường hợp cần điều khiển nhiệt độ
chuyển từ vị trí giữa sang vị trí mát.
a. Trường hợp 1: Khi lốc điều hòa không hoạt động.
Do công tắc chế độ AUTO trên bảng điều khiển bật, đầu vào cực 3 của bộ khuếch đại là “0” do mạch nối đất tạo thành qua cực 3, và đầu vào cực 10 của bộ khuếch đại là 1 (do công tắt điều hòa bật), do đó cổng NAND2 phát tín hiệu “0”. Điều này làm thay đổi đầu vào cực 14 của bộ khuếch đại thành tín hiệu “0” (do mạch nối đất tạo thành qua cực 14) và cũng làm thay đổi đầu vào cực 6 thành tín hiệu “1”(do mạch bị hở). Do vậy, cực 4 và 5 của bộ khuếch đại phát ra tín hiệu “1”và “0” cho phép dòng điện chạy qua cực 4 của bộ khuếch đại đến cực 1 của môtơ servo điều khiển chế độ dòng khí, sau đó đến cực 4 của môtơ này, sau đó đến cực 5 của bộ khuếch đại làm môtơ dịch chuyển tiếp điểm động đến vị trí FACE rồi ngừng lại, đặt hệ thống vào chế độ FACE.
b. Trường hợp 2: Khi lốc điều hòa không hoạt động.
Do công tắc điều hòa tắt, tín hiệu vào cực 10 của bộ khuếch đại là “0”, cho phép cồng NAND1 phát ra tín hiệu “0”. Làm cổng NAND2 phát ra tín hiệu “1”. Tạo thành mạch nối đất qua cực 14 của bộ khuếch đại trong khi qua công tắc điều khiển chế độ dòng khí và cực 2 của bộ khuếch đại. Sau đó hoạt giống như khi lốc điều hòa đang hoạt động.
Tin tức nổi bật
Chênh lệch giá vàng trong nước và thế giới 14/4/2026
Cách quy đổi giá vàng thế giới
Vàng miếng, vàng thỏi, vàng nguyên liệu là gì?
Giá vàng, bạc áp lực giảm do lo ngại lạm phát (theo kitco.com)
So sánh giá vàng Sjc, Doji, Pnj, Phú Quý hôm nay