
Trục lái là gì? Hướng dẫn tháo, lắp, kiểm tra trục lái xe ô tô
Trục lái là gì ?
Trục lái là chi tiết, phụ tùng ô tô dạng trục, nó được nối từ vô lăng ( tay lái ) đến cơ cấu lái. Trục lái gồm nhiều đoạn khác nhau, đoạn đầu tiên nối từ vô lăng đến khớp các đăng lái, đoạn thứ 2 là các đăng lái, đoạn thứ 3 nối từ khớp các đăng lái đến cơ cấu lái
Cấu tạo trục lái

Trục lái bao gồm các chi tiết
1 Tay điều khiển độ cao vô lăng
2 Trục lái có thể co được
• Thay đổi vị trí của vô lăng (cao thấp) được áp dụng để điều chỉnh vị trí của vô lăng sao cho phự hợp với hình thể của người lái xe
• Trục lái có thể co gấp được, nó được áp dụng để làm giảm tổn thương cho người lái xe khi có va chạm mạnh từ phía trước.
HÌNH VẼ TRỤC LÁI XE Ô TÔ


THÁO TRỤC LÁI XE Ô TÔ
1. Để xe ở vị trí thẳng về phía trước.
2. Để cần chỉnh ở điểm giữa (có cần chỉnh).
3. Tháo tấm ốp bên dưới bảng điều khiển. Tham khảo IP-14, "Tháo và lắp".
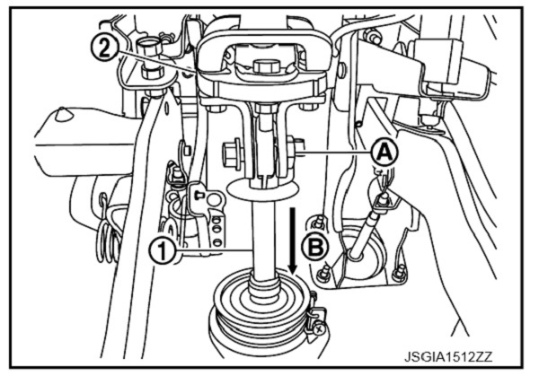
4. Tháo bu-lông gắn TRỤC LÁI XE Ô TÔ (phía TRỤC LÁI XE Ô TÔ), sau đó tháo trục lái ra khỏi CỌC LÁI – TRỤ LÁI XE Ô TÔ bằng cách trượt theo hướng như trong hình vẽ.

LƯU Ý:
5. Cáp xoắn có thể bị cắt nếu vô-lăng quay khi tách riêng cụm CỌC LÁI - TRỤ LÁI XE Ô TÔ và cụm bánh răng hệ thống lái. Đảm bảo cố định vô-lăng bằng dải dây để nó không quay.
Nới lỏng kẹp 1 ở cụm vỏ lỗ 2
6. Tháo bu-lông và đai ốc cố định TRỤC LÁI XE Ô TÔ (phía khớp nối dưới), sau đó tháo TRỤC LÁI XE Ô TÔ ra khỏi xe.
CHÚ Ý:
Đánh dấu điểm khớp trên cả TRỤC LÁI XE Ô TÔ và khớp nối dưới trước khi tháo.
LƯU Ý:
Cáp xoắn có thể bị cắt nếu vô-lăng quay khi tách riêng cụm CỌC LÁI - TRỤ LÁI XE Ô TÔ và cụm bánh răng hệ thống lái. Đảm bảo cố định vô-lăng bằng dải dây để nó không quay.

7. Tháo phớt vỏ lỗ 2 ra khỏi cụm vỏ lỗ 1
LƯU Ý: Không được làm hỏng phớt vỏ lỗ.
8. Lật tấm lót sàn lên và tháo các đai ốc gắn vỏ lỗ.
9. Tháo bạc cách, phớt vỏ lỗ và cụm vỏ lỗ.
LƯU Ý: Không được làm hỏng phớt vỏ lỗ.

10. Tháo bu-lông cố định khớp nối dưới (phía bánh răng hệ thống lái), sau đó tháo khớp nối dưới ra khỏi cụm bánh răng hệ thống lái.
LƯU Ý:
• Đánh dấu điểm khớp trên cả TRỤC LÁI XE Ô TÔ và cụm bánh răng hệ thống lái trước khi tháo TRỤC LÁI XE Ô TÔ.
• Khi tháo TRỤC LÁI XE Ô TÔ, không được dùng loại dụng cụ như tua-vít chẳng hạn cho vào rãnh vấu kẹp để tháo TRỤC LÁI XE Ô TÔ. Trong trường hợp đã dùng thì phải thay mới TRỤC LÁI XE Ô TÔ.
11. Thực hiện kiểm tra sau khi tháo. Tham khảo ST-21, "Kiểm tra".
LẮP TRỤC LÁI XE Ô TÔ
Chú ý các mục sau và lắp theo thứ tự ngược lại với lúc tháo.
LƯU Ý:
Cáp xoắn có thể bị cắt nếu vô-lăng quay khi tách riêng cụm CỌC LÁI - TRỤ LÁI XE Ô TÔ và cụm bánh răng hệ thống lái. Đảm bảo cố định vô-lăng bằng dải dây để nó không quay.
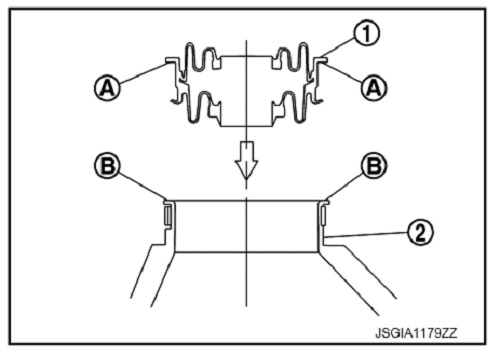
Khi lắp phớt vỏ lỗ 1 vào vỏ lỗ 2 chèn mặt cuối phớt vỏ lỗ A đến khi nó tiếp xúc với mặt cuối vỏ lỗ B
• Không được làm hỏng miệng phớt khi chèn phớt vỏ lỗ vào TRỤC LÁI XE Ô TÔ.

• Trước khi lắp TRỤC LÁI XE Ô TÔ, kiểm tra vị trí cần chỉnh xem ở mức giữa không.
Về hướng bu-lông gắn TRỤC LÁI XE Ô TÔ, tham khảo ST-18, "Hình vẽ Chi tiết". (Không cho vào từ phía bên kia)
• Đối với hướng bu-lông gắn khớp nối dưới, tham khảo ST-18, "Hình vẽ Chi tiết". (Không cho vào từ phía bên kia).
• Khi lắp TRỤC LÁI XE Ô TÔ vào bánh răng hệ thống lái, thực hiện theo quy trình liệt kê dưới đây
• Sau khi lắp, kiểm tra không có khe hở A giữa điểm nối dưới 1 và vấu kẹp TRỤC LÁI XE Ô TÔ 2 và giữa điểm nối dưới và bu-lông gắn
.
- Căn thẳng khe hở của điểm nối dưới 1 với vấu lồi nắp che phía sau A , chèn mặt đầu điểm nối dưới B cho tới khi nó tiếp xúc với đầu cụm bánh răng hệ thống lái C .
- Khi siết bu-lông gắn điểm nối dưới (phía cụm bánh răng hệ thống lái) tới lực siết chỉ định, dùng tay siết bu-lông và kiểm tra không bị cong và xước.
- Khi siết bu-lông gắn điểm nối dưới (phía TRỤC LÁI XE Ô TÔ), dùng tay siết bu-lông và kiểm tra không bị cong và xước. Kiểm tra xem bu- lông đã được đặt đúng vào rãnh của cụm TRỤC LÁI XE Ô TÔ chưa trước khi siết bu-lông tới lực siết chỉ định.
- Tiến hành kiểm tra sau khi lắp. Tham khảo ST-21, "Kiểm tra".
KIỂM TRA SAU KHI THÁO TRỤC LÁI XE Ô TÔ
• Kiểm tra kẹp vỏ cao su chắn bụi (bị lỏng và ngắt kết nối) và vỏ cao su chắn bụi (xước, nứt và thủng). Thay điểm nối dưới nếu cần.
• Kiểm tra hư hỏng hay các sự cố khác của từng phần điểm nối dưới. Thay nếu có sự cố.
• Kiểm tra bị nứt, xước và thủng TRỤC LÁI XE Ô TÔ và phớt vỏ lỗ. Thay TRỤC LÁI XE Ô TÔ hoặc phớt vỏ lỗ nếu cần.
• Kiểm tra phạm vi trượt của TRỤC LÁI XE Ô TÔ.
LƯU Ý:Kiểm tra phạm vi trượt (A) (giữa vị trí mở rộng và vị trí thu hẹp) của TRỤC LÁI XE Ô TÔ.
Phạm vi trượt A: Tham khảo ST-36, "Phạm vi Trượt TRỤC LÁI XE Ô TÔ".
• Kiểm tra độ dài (L) (vị trí mở rộng) của TRỤC LÁI XE Ô TÔ.
Độ dài TRỤC LÁI XE Ô TÔ L: Tham khảo ST-36, "Phạm vi Trượt TRỤC LÁI XE Ô TÔ".

• Kiểm tra hỏng và các sự cố khác của từng phần của TRỤC LÁI XE Ô TÔ. Thay nếu có sự cố.
KIỂM TRA SAU KHI LẮP TRỤC LÁI XE Ô TÔ
• Kiểm tra vỏ cao su chắn bụi (bị biến dạng như bị lõm). Lắp lại vỏ cao su chắn bụi nếu cần.
• Kiểm tra xem vô-lăng quay êm không khi nó được xoay nhiều lần hết cỡ sang trái và sang phải.
• Kiểm tra độ rơ vô-lăng, vô-lăng ở vị trí trung gian, lực quay vô-lăng, và góc quay bánh trước. Tham khảo
ST-5, "Kiểm tra".
• Điều chỉnh vị trí trung gian cảm biến góc hệ thống lái (Có VDC). Tham khảo BRC-198, "Quy trình Thực hiện".
Tin tức nổi bật
Chênh lệch giá vàng trong nước và thế giới 14/4/2026
Cách quy đổi giá vàng thế giới
Vàng miếng, vàng thỏi, vàng nguyên liệu là gì?
Giá vàng, bạc áp lực giảm do lo ngại lạm phát (theo kitco.com)
So sánh giá vàng Sjc, Doji, Pnj, Phú Quý hôm nay