
Tìm hiểu Hệ thống sấy trên động cơ ô tô máy dầu ( Diesel )
Hệ thống sấy Mục đích chính của hệ thống sấy là sấy trước buồng đốt để nâng cao nhiệt độ buồng đốt để đảm bảo khởi động nhanh và hoạt động của độn...
Hệ thống sấy Mục đích chính của hệ thống sấy là sấy trước buồng đốt để nâng cao nhiệt độ buồng đốt để đảm bảo khởi động nhanh và hoạt động của độn...
Tính toán lượng khí nạp: Khối lượng khí nạp được tính toán dự chủ yếu vào lượng nhiên liệu và tốc độ động cơ. Sau khi lượng khí nạp đã được tính t...
Tính toán lượng nhiên liệu cần phun Yêu cầu về mô men xoắn cho động cơ sẽ được chuyển đổi thành Áp suất nhiên liệu khi phun, Quãng thời gian phun v...
Điều khiển mô men xoắn để đảm bảo động cơ đưa ra một mô men xoắn theo đúng yêu cầu thực tế của xe. ECM điều khiển mô men xoắn bằng cánh điều khiển ...
Hệ thống điều khiển động cơ CRDi có thể chia làm 3 nhón chính sau: Các cảm bến, công tắc cảm nhận điều kiện hoạt động của động cơ và gửi thông tin...
Vòi phun Diesel Khác với các loại động cơ khác, trong động cơ CRDi, thời điểm phun và lượng nhiên liệu được phun được điều khiển bằng chính vò...
Hệ thống nhiên liệu CRDi là gì ? Hệ thống nhiên liệu CRDi bao gồm các hệ thống chính sau: ECM, bơm cao áp, ray chứa chung và vòi phun. Trong hệ thố...
Van TCV được lắp ở phía dưới bơm cao áp. Van TCV được lắp giữa hai đường nhiên liệu A và B, đường A thông với khoang cao áp bên trái của cơ cấu, đ...
Bơm cao áp điều khiển điện (COVEC-F) Với việc phát triển động cơ diesel, bơm cao áp được phát triển lên thế hệ mới: bơm COVEC-F. Hệ thống sử dụng ...
Kiểm tra vòi phun Kiểm tra vòi phun được thực hiện bởi bơm áp suất. Kiểm tra vòi phun bao gồm các công việc kiểm tra áp suất phun, kiểm tra rò rỉ v...
Cơ cấu bù áp suất cổ nạp Cơ cấu bù áp suất cổ nạp được thiết kế như hình vẽ và được lắp vào các động cơ có trang bị tua bin tăng áp. Khi áp suất c...
Tổng quan về cơ cấu điều khiển Hệ thống điều khiển của động cơ diesel được cho là thỏa mãn khi nó phản ứng ngay khi bạn đạp chân ga. Trong động cơ...
Bơm sơ cấp (Bơm mồi) là gì ? Bơm sơ cấp là loại bơm cánh gạt dùng để hút nhiên liệu từ thùng nhiên liệu lên bơm. Bơm cánh gạt được dẫn động bằng tr...
Vòi phun là gì ? Trong động cơ diesel, vòi phun là chi tiết làm nhiệm vụ của chúng là đo lượng nhiên liệu được phun, chuẩn bị và điều khiển quá trì...
Bơm chân không là gì ? Khác với động cơ xăng, áp suất tại cổ nạp của động cơ diesel là áp suất dương, do đó, với động cơ diesel phải sử dụng một b...
Hệ thống tuần hoàn khí xả (EGR) (tái sử dụng khí xả) Mục đích chính của hệ thống tuần hoàn khí xả để giảm lượng khí NOX có trong khí thải. V...
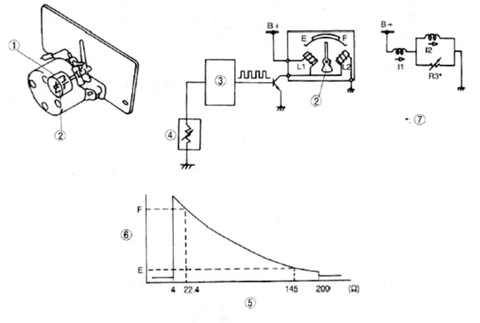
Hệ thống sấy nhiên liệu Nhiên liệu diesel sẽ trở nên “đặt” khi nhiệt độ xuống thấp, đặc biệt là dưới 00C. Khi đó, hình thành các lá paraffin lơ lửn...
Bugi sấy là gì ? Bugi sấy là một ống kim loại có khả năng chịu ăn mòn và các khí thải ở nhiệt độ cao. Phần tử sấy được đặt trong một hỗn hợp bột ox...
Các hệ thống chính của hệ thống nhiên liệu Hệ thống nhiên liệu cho động cơ diesel có các hệ thống chính sau đây: Hệ thống cấp nhiên liệu bao...
Các yếu tố ảnh hưởng như mức độ xé tơi của nhiên liệu, đặc tính phun của vòi phun, độ chính xác của vòi phun, bơm nhiên liệu, buồng đốt, hình dáng ...
Nhiên liệu diesel Nhiên liệu diesel (dầu diesel) là một sản phẩm của quá trình trưng cất dầu mỏ được dùng cho động cơ diesel. Nhiên liệu diesel nặn...
Lịch sử phát triển của xe ô tô máy dầu Do yêu cầu của luật pháp ngày càng khắt khe hơn về vấn đề giảm ô nhiễm môi trường do các chất khí độc hại v...
Do hỗn hợp nhiên liệu bị cháy cưỡng bức (tự cháy) nên động cơ chỉ nạp không khí vào trong buồng đốt nên tỉ số nén của động cơ diesel cao hơn hẳn đ...
HỆ THỐNG ĐÁNH LỬA LÀ GÌ ? Hệ thống đánh lửa là tập hợp các chi tiết, phụ tùng nhằm mục đích tạo ra tia lửa điện để đốt cháy nhiên liệu động động cơ...
Thông số tín hiệu đầu vào của ECM BPS,MAFS,CKPS Thời điểm đánh lửa IATS ECTS TPS O2S Điện áp ắc quy ECM ĐIỀU KHIỂN THỜI GIAN PHUN NHIÊN LIỆU Bước...
Công nghệ mới nhất để nâng cao hiệu suất nạp chính là hệ thống CVVT. Trong hệ thống này, thời điểm đóng mở xu páp nạp được thay đổi bằng mô tơ cánh...
HỆ THỐNG THAY ĐỔI ĐƯỜNG NẠP (VIS) Hệ thống thay đổi đường nạp được thiết kế để lợi dụng hiệu ứng quán tính và hiệu ứng sóng âm thanh của dòng...
Các chi tiết của bướm ga điện tử Bánh răng Lò xo hồi Bướm gió Thân bướm gió Mô tơ điện Trục Cảm biến TPS1,2 BƯỚM GA ĐIỆN TỬ (ETC) Để điều khiển l...
Tốc độ không tải được điều khiển bởi ECM thông qua thiết bị điều khiển tốc độ không tải (ISCV). ECM điều khiển bằng cách điều chỉnh lượng không kh...
Bướm gió bao gồm thân bướm gió, bướm gió, cơ cấu điều khiển tốc độ không tải, cảm biến vị trí bướm gió, các cửa lấy tín hiệu chân không (để điều k...
Cổ hút là gì? Cổ hút là bộ phận để dẫn khí nạp vào trong động cơ. Tính năng hoạt động và nồng độ các chất độc hại có trong khí thải của động c...
Hệ thống cấp khí nạp điều khiển lượng khí yêu cầu cho buồng đốt. Các chi tiết chính bao gồm lọc khí, thiết bị đo lưu lượng dòng khí, thiết bị đo nh...