Option xe ô tô và những option nên lắp đặt trên ô tô
Với mỗi 1 thị trường nhà sản xuất xe ô tô lại có 1 chiến lược kinh doanh riêng về thị trường đó. Đối với các thị trường khó tính, hoặc thị tr...
Với mỗi 1 thị trường nhà sản xuất xe ô tô lại có 1 chiến lược kinh doanh riêng về thị trường đó. Đối với các thị trường khó tính, hoặc thị tr...
Trào lưu độ xe ô tô đã có từ rất lâu không chỉ tại Việt Nam mà trên thế giới trào lưu độ xe đã cực kỳ phát triển. Các dòng xe ô tô được thay đổi từ...
CẢM BIẾN NHIỆT ĐỘ NƯỚC LÀM MÁT CÁCH THỨC HOẠT ĐỘNG CẢM BIẾN NHIỆT ĐỘ NƯỚC LÀM MÁT Cảm biến nhiệt độ làm mát (MÀU XANH) cung cấp động cơ ...
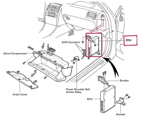
ECU ô tô là bộ phận điều khiển trung tâm Hệ thống quản lý động cơ kiểm soát các chức năng hoàn chỉnh của động cơ. Bộ vi xử lý bên trong ECU (Electr...
Hệ thống phanh ABS ô tô là gì ? Hệ thống phanh ABS ô tô là hệ thống chống cứng phanh Đây là một trong các hệ thống an toàn chủ động...
Cruise Control là gì ? Cruise Control là hệ thống điều khiển chạy tự động bằng điện tử, nhiều người hay thường gọi là ga tự động. Hệ thống ga ...
Công dụng hệ thống sấy kính ô tô Công dụng hệ thống sấy kính trên xe ô tô. Dùng sưởi nóng kính sau, làm tan sương bằng các điện trở, được bố trí gi...
Công dụng hệ thống điều khiển ghế lái điện Hệ thống điều khiển ghế lái dùng để nâng hạ và di chuyển ghế trượt về trước hay phía sau tạo tư thế thoả...
Hệ thống nâng hạ kính trên ô tô là gì ? Hệ thống nâng hạ kính trên ô tô là các cụm chi tiết làm nhiệm vụ điều khiển kính của xe ô tô, hệ thống...
Giới thiệu chung hệ thống gạt mưa, rửa kính trên xe ô tô Ô tô thường dùng các kiểu hệ thống gạt nước và rửa kính sau đây: Chức năng gạt mưa Hệ thốn...
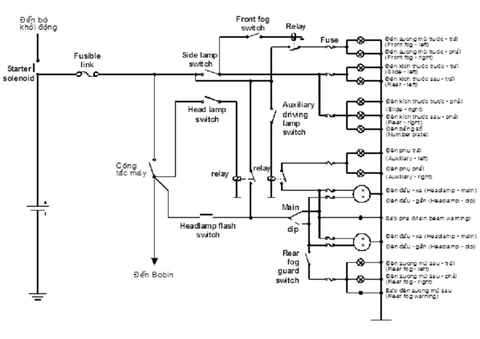
Hệ thống chiếu sáng ô tô là gì ? Hệ thống chiếu sáng – tín hiệu trên ôtô là một phương tiện cần thiết giúp tài xế có thể nhìn thấy trong điều kiện ...
TỔNG QUÁT VỀ HỆ THỐNG THÔNG TIN TRÊN ÔTÔ Lý thuyết về hệ thống thông tin trên ôtô Bảng đồng hồ giúp tài xế và người sửa chữa biết được thông tin về...
HỆ THỐNG KHÓA CỬA 3.2.1. Công dụng và các chức năng của hệ thống khóa cửa: a. Công dụng: Hệ thống khoá cử...
Hệ thống tuần hoàn khí thải là gì ? Hệ thống tuần hoàn khí thải là cụm các chi tiết làm nhiệm vụ lọc sạch khí xả của động cơ và đồng thời đưa luồn...
Hệ thống phun dầu điện tử 1、Một vài bộ phận chi tiết linh kiện của động cơ có hệ thống phun dầu điện tử nhìn bên ngoài giống hoặc tương tự của động...
Nhiều người thường cho rằng cảm giác tê chân, đau mỏi vai và gáy thường xuất phát từ việc ngồi sai tư thế khi lái xe. Tuy nhiên, có một yếu tố quan...
Giảm xóc xe ô tô là gì ? Giảm xóc xe ô tô hay còn gọi là phuộc ô tô, tiếng anh giảm xóc có nghĩa là "shock absorber", nó có tác dụng giống như giả...
Phụ tùng cao su càng A Cao su càng A là 1 bộ phận phụ tùng thuộc càng A đa số các dòng xe ô tô sẽ không bán rời cao su càng A với càng A. Chỉ ...
Rô tuyn ô tô là gì? Rô tuyn ô tô tiếng anh có tên gọi là " Ball Joint ", dịch 1 cách thuần tiếng việt nghĩa là khớp nối cầu. Đó chính là cấu ...
Bạn đang muốn lắp cảm biến áp suất lốp ? Bạn không biết bắt đầu từ đâu và thao tác như thế nào? Vậy hãy tham khảo ngay bài viết này của chúng tôi ...
Dòng xe ô tô Bus Ô tô Bus là dòng xe ô tô trên cơ sở của các dòng xe khách nhiều chỗ như xe 29 chỗ, 36 chỗ, xe 46 chỗ. Hiện nay đa số các dòng xe b...
Thật không thể tin nổi với 1 chiếc xe sedan với giá bán 288 triệu. Mới đi được 6 năm nhìn chẳng kém gì các dòng xe sang như Mercedes S500, Lex...
Cảm biến áp suất lốp cho xe ô tô là thiết bị vô cùng quan trọng, nó giảm đảm bảo an toàn khi bạn di chuyển trên đường. Cảnh báo trước cho bạn ...
Hiển thị tốc độ trên kính lái Hiển thị tốc độ trên kính lái là thiết bị Hud xe ô tô. Nó là 1 khái niệm công nghệ mới về tính năng an toàn khi ...
VinFast President xe "Chủ Tịch" Vinfast President là bản nâng cấp của chiếc Vinfast Lux SA, đây là sản phẩm được sản xuất giới hạn số lượng x...
Túi khí ô tô là gì ? Túi khí ô tô hay còn gọi là túi khí xe hơi. Túi khí ô tô tiếng anh gọi là Air Bag vì vậy từ Air Bag được dịch hoàn toàn thuần ...
Ô Tô là nghành công nghiệp cơ bản, là nghành công nghiệp xương sống của nhiều quốc gia trên thế giới, thậm chí nó là biểu tượng thể hiện sức mạnh c...
Để có bằng lái xe ô tô bạn phải vượt qua 2 bài thi lý thuyết và thực hành có số điểm 80/100 trở lên, nhiều người lái xe rất giỏi thi bài thi t...
Phanh xe ô tô là gì ? Phanh xe ô tô là bộ phận làm giảm tốc độ của xe ô tô nhanh hoặc chậm tùy vào lực đạp phanh của người lái xe ô tô. Trong tiếng...
1. Biển báo cấm 1.1 Biển báo cấm là gì? Biển báo cấm được nhận biết qua viền đỏ nền trắng, trên hình là nội dung cấm dành cho các phương tiện cơ g...
Trước khi bị cháy chụi trên cầu Long Biên, chiếc Range Rover đã được đi cứu hộ cách đó mấy ngày. Hình ảnh chiếc Range Rover được cứu hộ trước ...
Review xe Vinfast Fadil Có cái nhìn tổng quan về chiếc xe này của Tỷ Phú Nhật Vượng, mời các bạn video Review chiếc xe Vinfast Fadil của Hùng ...